- 易迪拓培训,专注于微波、射频、天线设计工程师的培养
智能家居系统嵌入式无线传感器网络设计
3.1 主控芯片
选用CC2430芯片作为无线收发器和数据处理及控制器。CC2430在单个芯片上整合了ZigBee射频前端、内存和微控制器。它采用增强型8051MCU、32/64/128 kB闪存、8 kBSRAM等高性能模块,还包含模拟数字转换器、几个定时器、AES-128协同处理器、看门狗定时器。32 kHz晶振的休眠模式定时器、上电复位电路、掉电检测电路以及21个可编程I/O引脚。
3.2 无线模块设计
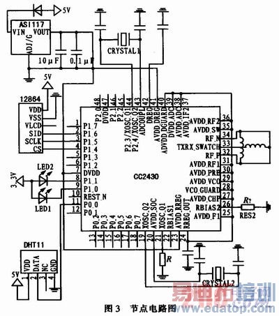
1)协调器模块
协调器节点由电压转换模块、按键模块、LCD模块、LED指示灯、时钟、处理器CC2430、天线等部分组成。CC2430的工作电压为3~3.3 V,所以要用电压转换模块把电压从5 V降低到3.3 V左右;LED指示灯用来显示协调器节点网络状态信息(如是否组网成功);LCD模块是用户和传感器网络的交互界面,用来显示功最长能菜单,用户通过按键来选择功能菜单。其电路图如图3所示。

2)传感器模块与路由器模块
传感器模块亦即是终端节点模块,由传感器、处理器CC2430、天线、LED指示灯、时钟等部分组成。LED指示灯由P1.0、P1.1口控制。传感器模块就是在协调器模块的基础上去掉了LCD,而加入了传感器。传感器选用了DHT11温湿度传感器,与P0.0口相连,来负责数据采集。路由器模块与传感器模块的硬件电路相同,只是在编程实现功能上有所不同。
4 无线网络系统软件设计
在ZigBee网络中,只有那些可以成为ZigBee协调器的设备才能建立新网络。协调器首先执行信道扫描,如果发现了一个合适的信道,协调器就要为新网络选择一个PAN ID,然后协调器进入监听状态,随时响应其他节点的入网请求。
ZigBee网络有两种设备类型:全功能节点(FFD)和半功能节点(RFD)。RFD为终端节点,FFD可以作为协调器或路由。软件设计包括网络协调器程序以及路由器、终端节点程序。它们均包括初始化程序、协议栈配置、组网方式配置程序、各处理层设置程序以及发射程序和接收程序。初始化程序主要是对CC2430、协议栈、UART串口等进行初始化;发射
程序将所采集的数据通过CC2430调制并通过DMA直接送至射频输出;接收程序完成数据的接收、远传及返回信息处理。主程序流程如图4所示。

主程序主要分为2部分,网络协调器程序以及路由器、终端节点程序。
对于网络协调器主程序,首先初始化CC2430,然后初始化协议栈。之后程序建立一个新的网络,确定网络的ID号和频道号。之后程序开始进入监测状态。如果有新的设备请求加入网络,则为其分配网络地址,批准其加入网络。同样,协调器接收终端设备无线发送来的信息,并通过串口发送给上位机,或者从上位机得到命令,发送过终端设备。
对于路由器、终端节点程序,首先初始化CC2430,然后初始化协议栈。之后程序开始搜索网络,当附近存在网络时,则申请加入网络。之后程序进入待机休眠状态。如果终端传感器有信息要发送,或者接收到协调器的命令,则唤醒设备,进行无线发送或接受。当事件处理完时,重新进入待机休眠状态。
1 2 3
上一篇:EDFA在无线通讯中的应用
下一篇:2.5G和3G蜂窝电话电源解决方案


