- 易迪拓培训,专注于微波、射频、天线设计工程师的培养
0.35μmCMOS光接收机前置放大器设计
录入:edatop.com 点击:
图2中A为放大器的开环增益;CT为输入寄生电容,包括光检测器的结电容和封装电容。所以,可以看出输入电阻和输入电容决定了放大器的带宽。例如,减小Rf,会使增益减小、带宽变宽。但Rf减小会使电路的噪声变大,降低放大器的灵敏度。因此,为达到电路的设计要求就需在噪声、增益和带宽等性能之间进行折衷。
3 电路设计
前置放大器的结构框图如图3所示。

图3中光检测器等效为电流源iin和电容Cin并联,Cin为结电容;另外,在前置放大器后增加了基本差分放大单元如图4所示,目的是实现电路的双端输出(其后主放大器为双端输入)并放大信号。采用两级差分放大器,之间用源极跟随器实现前一级输出和后一级输入的直流电平相匹配。

差分放大器的两输入端分别与跨阻放大器的输出端直接连接和通过一个RC滤波网络连接,从而保证基本差分放大器两输入端具有相同的直流电平。RC低通网络的RC常数决定了前置放大器的低频截止频率fL。在fL一定的情况下,R越大,所需要的C就越小。
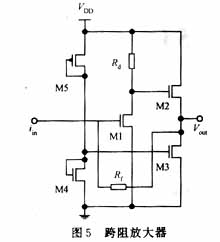
跨阻放大器如图5所示,采用电压并联负反馈的形式。由共源放大和源极跟随组成基本放大部分,与Rf共同构成电压并联负反馈。

上一篇:光纤传感器在物联网关键技术中的应用
下一篇:浅谈FTTH技术的构成与发展


