- 易迪拓培训,专注于微波、射频、天线设计工程师的培养
大联大品佳集团推出可应用于工业机器人系统的,基于英飞凌技术和产品的雷达和传感器解
录入:edatop.com 点击:
近日,致力于亚太地区市场的领先半导体元器件分销商---大联大控股宣布,其旗下品佳推出可应用于工业机器人系统的,基于英飞凌技术和产品的雷达和传感器解决方案。英飞凌的雷达和传感器解决方案拥有最高的安全标准,可为客户提供高度保护。将英飞凌广泛的产品进行组合,可为几乎所有工业机器人设计提供合适的解决方案。

图示1-方案应用场景
传统的工业机器人一般体型庞大,多应用于汽车业以及其他大型装配生产线。随着工业4.0和智能工厂时代的到来,为提高生产力,越来越多机器人与人类一起并肩工作,被称为协作机器人或Cobots。Cobots能够从事高度准确的工作,协助制造过程,从而提高生产力与生产质量,全球制造商因此的受益了然于目。

图示2-工业机器人技术的应用示例
为适应市场多元化的需求,大联大品佳推出基于英飞凌技术和产品的雷达和传感器解决方案,将这些产品组合之后能够为几乎所有工业机器人设计提供合适的解决方案,满足传统工业机器人和协作机器人设计的所有需求。

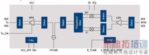
图示3-基于英飞凌技术和产品的雷达和传感器解决方案系统架构图
大联大品佳力推的英飞凌雷达和传感器解决方案有最高的安全标准,可提供不安全固件更新和仿冒产品方面的保护。

图示4- Sense2GoL demoboard
上一篇:意法半导体推出面向安全非接触式支付和物联网的高性能NFC技术
下一篇:恩智浦为Hexiwear提供新型MikroElektronika
NFC
click模块


