- 易迪拓培训,专注于微波、射频、天线设计工程师的培养
新一代数字万用表助力模拟电路故障诊断
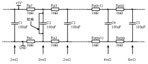
如图7所示,Rp1~Rp(n)是+5V电源线的PCB电阻,阻值均为1mΩ;Rn1~Rn(m)是GND地线的PCB电阻,阻值均为1mΩ;C1~C5是+5V电源的退耦电容。假设在电容C2下方隐藏有短路,那么在C2处测得的电阻为0mΩ;在C1处测得的电阻C2处测得电阻加上Rp1和Rn1,共为2mΩ;同样的道理,C3~C5处测得的电阻依次是2mΩ、4mΩ和6mΩ。C2处测得的电阻最小,因而可以断定C2下方有短路。

图7 有短路的等效电路
电阻测量分辨率越高,短路定位的精度也越高。PCB电阻一般为毫欧级别,大部分手持万用表电阻测量分辨率大于10mΩ,不能有效确定分辨短路位置。DM3068的电阻测量分辨率为0.1mΩ,可以精确地定位短路(对于1OZ厚,5mm宽线铜,可以分辨到1mm),使得上述短路定位的方法实用化。
在线测量电流
在电路板上单独测量一块QFN或BGA封装的芯片的工作电流是很不容易的。在高密度多层PCB上很难找到切断电源线并插入电流表的地方;有些数字芯片要求极低的电源内阻,完全无法容忍插入测试电缆。这时,如果电路板上留有一些突破口,则可以利用DM3068低电阻测量和弱电压测量功能来实现非侵入的在线测量电流。
如图8所示,需要测量芯片U1的VCC电流Ivcc,其电流方向是从A点到B点。可以先断开电路的电源,然后使用DM3068的电阻测量功能测量AB两点间的PCB导线电阻,接着接通电源并测量AB两点之间的电压,最后用测得的电压除以测得的电阻即可得到电流的大小。例如,PCB导线电阻为4.8mΩ(1oz厚,20mm长,2mm宽的导线),测得电压为48μV,则电流大小为10mA。

图8 在线测量电流示意图
在线测量电阻
严格地说,在线测量电阻是不被推荐的,但是电路板调试时频繁地拆装电阻确实是一件很繁琐的事情。电路调试时通过分析电路,可以找到能够在线测量电阻的条件。在线测量电阻只是证明电阻阻值跟预期值相同,因此也就不必为测不准而担心了。
以图9所示电路为例,电阻R串联在逻辑IC1的输出和逻辑IC2的输入之间。电阻R的正确值是33Ω,现怀疑R阻值异常,需要对其进行测试。观察逻辑IC1和逻辑IC2的内部等效电路可以发现,逻辑IC2只通过钳位二极管将电阻R连接到电源线上。也就是说,只要电阻R两端的电压不超过IC2内部的钳位二极管的正向导通电压(一般为0.5V),流过IC2的输入管脚的电流就可以忽略,也就不会对电阻R的测量产生影响。

图9 在线测量电阻的一种特例
测试前先切断电路板的电源,并确保电源回路彻底放电。DM3068使用加恒定电流测电压的方法测量电阻。查看万用表的手册可以知道各个电阻量程使用的电流源的大小,例如,该表的2kΩ挡位使用1mA电流源,如果被测电阻R阻值正常,其两端压降为33mV,不会使IC2钳位二极管导通,因此能够正确地在线测量。
大部分半导体器件都存在类似的二极管隔离结构,因此可以根据实际电路的情况扩展该方法的使用范围。
简单而言,应该选择比被测电阻阻值大5倍以上的量程来在线测量电阻,电路中有反向击穿电压小于5V的器件时不能使用该方法。
结语
虽然模拟电路的调试和验证的挑战不断增长,但是新一代的测试测量工具在性能和功能方面也有了长足的进步。充分发挥工具的优异性能可以大大提高故障诊断的效率。DM3068在微弱电流、微弱电压和小电阻测量方面性能有独特优势,并提供实时数据绘图、实时直方图、内部触发等高级分析功能,能够帮助超低功耗和精密模拟电路验证和故障诊断。
上一篇:一种基于三电平的单级PFC电路设计
下一篇:视频转码技术及转码实现详解


