- 易迪拓培训,专注于微波、射频、天线设计工程师的培养
基于TPS759XX多片信号处理系统的电源设计
在进行PCB板设计过程中,电源要单独置于一层,电源层应采用电源分割的形式,每个芯片每种电源分别分割成不同的电源块,电流流入处要放置大的过孔,且大面积敷铜。电源分割宽度和所置过孔的规格应根据电流的大小来确定,表2中所示是标准条件下,安全工作载流量对照表。

已知敷铜厚度的情况下,可以计算出对应电流的分割宽度或者孔径及孔数目,根据计算结果分割和打过孔。例如,设敷铜厚度h=0.04mm,电流I=3A,计算分割宽度w。根据表2中的数据,对应截面积应该是0.14mm2,则w=0.14/0.04=3.5mm,电源分割时的最小宽度应大于此值。
6 信号处理系统的供电系统实现
对于压差较小的情况,可以一次降压,降到所要求的电压,比如由3.3V降到2.5V,这种情况相对简单,只需配置适当的输入输出滤波网络即可;对于压差较大的情况,可以采用分级降压的方式,这种方式可以减小电流损耗,提高调节器的工作效率,同时避免功率过高引起调节器温度过高。图4所示是信号处理系统板级供电电源实现框图。图5是实现电路图。

图4 信号处理系统板级供电电源实现框图

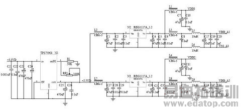
图5 信号处理系统板级供电电源参考电路图
对于多芯片系统,最好采用各个芯片分别供电的方式,第一级可以采用TPS75901或者TPS75925,电压由3.3V降到2.5V,为了说明电阻配置方法,这里采用TPS75901,为了保证精度,用一个固定电阻R1和一个可变电阻RP1通过适当调节得到2.5V,根据前面所述计算方法,可变电阻应调节到61.479kΩ。第二级根据板上芯片的多少,配以对应数量的小电流调节器REG1117A分别降压到1.2V,5片ADSP要用到5片REG1117A,由于篇幅所限,图中只给出2片的情况,其余相同。输出的1.2V再通过不同的滤波网络为DSP提供1.2V的模拟电源和数字电源。滤波电容的配置电路图中已详细给出,PCB设计时每个电源引脚附近还要放置去耦电容。图中供电系统的实现方法在实际应用中性能良好。
来源:EDN

