- 易迪拓培训,专注于微波、射频、天线设计工程师的培养
双向开关前置的单相升压APFC变换器建模和仿真
0 引言
传统单相升压APFC电路已经被广泛应用到功率因数校正电路中,但是该方案需要独立的不可控整流桥,置后的升压电感需要解决抗直流偏磁问题,而且升压电感的位置很不利于整个功率电路的集成。这些引起了人们对传统单相升压APFC电路的重新思考,设想在利用其成熟控制思想与现成控制电路的前提下,使整个功率电路便于功率集成。近年来在这方面已经取得了很大进步,有多种电路拓扑被提出,其中双向开关前置的单相升压APFC变换器电路凭借其特有的性能引起了人们的关注。
1 双向开关前置的单相升压APFC变换器电路结构
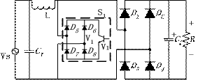
双向开关前置的单相升压APFC变换器的电路如图1所示。输入部分有交流电压源VS和滤波电容C1组成。双向开关S1和电感L完成功率因数校正功能,其中双向开关S1由D5、D6、D7、D8和V1组成。整流部分由D1、D2、D3、D4构成,C2起储能和输出滤波的作用,R为负载。

图1 双向开关前置的单相升压APFC变换器主电路
2 双向开关前置的单相升压APFC变换器电路工作状态分析
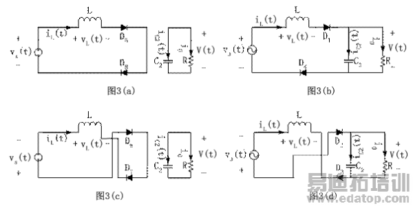
下文将对双向开关前置的单相升压APFC变换器电路动作过程进行分析。在连续导通模式下,对应开关管的一个高频周期,流过电感L的电流iL,加在开关管V1两端的电压Vds和输出电流i0的波形如图2所示。对应各段时间的等效电路如图3所示。其中工作状态1和工作状态2是工频正半周时的情况,工作状态3和工作状态4是工频负半周时的情况,后两个状态只是前两个状态在负半周的重复。为了分析方便,各二极管和开关管的导通压降看作零,等效电路中的D1、D2、D3、D4、D5、D6、D7、D8仅表示电流流过的通路,C2看作足够大,保证输出电压恒定,C2很小可以忽略不计。

(a)正半周一个周期的波形

(b)负半周一个周期波形
图2 变换器电路开关动作时iL、Vds、i0的波形

图 3 各种工作状态时的等效电路
2.1当VS处于正半周时的工作状态
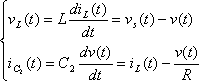
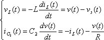
工作状态1(t1<t<t2):在这个时间段内,开关管V1导通,则图1可等效为图3(a)所示的电路,此时电源VS给L充电,由于开关频率远高于工作频率,可以看作电源电压为恒定值,则L上的电iL流逐渐增加;同时输出滤波电容C2放电,给负载提供能量。这个时间段的电路微分方程为(1)式。
工作状态2(t2<t<t3):在这个时间段内,开关管V1关断,则图1可等效为图3(b)所示的电路,此时,电源Vs处于正半周,Vs一边给C2充电,一边给负载提供能量。C2两端的电压逐渐上升。这个时间段的电路微分方程为(2)式。
(1)
(2)
2.2当VS处于负半周时的工作状态
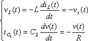
工作状态3(t4<t<t5):在这个时间段内,开关管V1导通,则图1可等效为图3(c)所示的电路,此时电源Vs给L反向充电,iL的实际方向与图示参考方向相反。由于开关频率远高于工作频率,可以看作电源电压为恒定值,则L上的电流iL反向逐渐增加;同时输出滤波电容C2放电,给负载提供能量。这个时间段的电路微分方程为(3)式。
工作状态4(t5<t<t6):在这个时间段内,开关管V1关断,则图1可等效为图3(d)所示的电路,此时,电源Vs处于负半周,iL的实际方向与图示参考方向相反,Vs一边给C2充电,一边给负载提供能量。储能电容C2两端的电压逐渐上升。这个时间段的电路微分方程为(4)式。
(3)
(4)
来源:电源世界
上一篇:高频软开关静止变流器并联研究
下一篇:一种差分直流耦合ADC输入电路设计


