- 易迪拓培训,专注于微波、射频、天线设计工程师的培养
科学地认识数据机房UPS电源的“零地电压”问题
三、UPS产生零线电压增益的机理
前面我们分析了由配电线路产生的UPS输入零地电压的形成机理,但是UPS产生的零线电压增益的机理与此有所不同。接下来我们就来分析一下老式的具有升压变压器UPS(所谓的工频机)和新一代的无需升压变压器UPS(所谓的高频机)的零线电压增益的产生机理。
1. 具有有升压变压器UPS(所谓的工频机)零地电压增益的产生
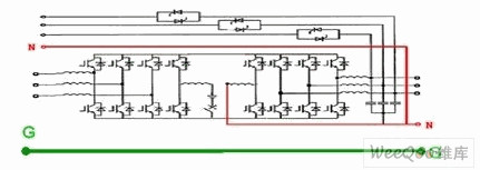
所谓的工频机(如图3所示)采用可控硅相控整流将交流变成432V直流电,再通过IGBT高频逆变器将这一直流电还原成成交流,但这一双转换后的线电压只有190V,为了满足负载输出380V/220V的需要,不得不在逆变器的输出端(注意:不是在UPS输出,不含旁路输出端)加一1:2的升压变压器将190V的线电压升高到380V;同时,通过这一变压器的△/Y0接法生成零线,以实现UPS三相四线制的输出要求。所以对于所谓的工频机而言,输出升压变压器是必加的标准件,否则就根本无法正常工作。
对于本文讨论的主题零地电压而言,我们从图3不难看到,即使有了这一隔离变压器,但是零线与地线在UPS内部从输入到输出是直通的,UPS关机时,我们很容易量测到UPS输入零地电压绝对等于输出零地电压,所以这一隔离变压器在UPS内部没有起到任何的隔离作用。在UPS正常开机工作时,由于旁路关断,其零线上也不会有电流流过,所以由零线电流产生的零地增益在UPS内部基本是不存在的。
但是如果UPS输出的滤波器设计不好或电容故障,就会导致逆变器输出的PWM高频电压成份会部分溢出感应在零线上,产生一定的零线电压增益,其大小完全取决于滤波器参数的优劣,通常可达3~5V,频率上明显含有高频成份。如果设计得到好,这一电压增益通常应为0.5~1V。

图3 工频机的零地电压
2 无需升压变压器UPS的(所谓的高频机)产生的零线电压增益
所谓的高频机(如下图4所示)则采用先进成熟的IGBT升压整流技术将交流变成600V左右的直流电,再通过IGBT高频逆变器将这一直流电直接还原成380V/220V三相四线制的交流电,所以无需所谓工频机的升压变压器。这是21世纪以来现代电力电子技术最伟大的技术进步之一,它使UPS的变换效率大幅度提高,内部损耗发热大幅度减少,器件的可靠性得以明显提高。
从图4可以看到,就零、地线而言,高频机UPS与工频机UPS完全一样,都是在UPS内部从输入到输出是直通的,不会产生零线电流产生的零地增益。但是,对于早期的高频机或某些高频机技术起步较晚的厂商,出于降低成本的设计考虑,其滤波器设计容量偏小,导致了较高的PWM高频电压成份溢出感应在零线上,产生一定的零线电压增益,其值达3~5V,并伴有明显的高频成份。现在许多厂商已经认识到中国用户对零地电压的关心,所以改进了输出滤波器设计,其零线电压增益通常仅为0.5~1V,而且这一波形中不含高频成份。实测某IDC伊顿9395高频机UPS的零地电压,显示为电压0.6V,频率50HZ,不含任何的高频电压成份。

图4 高频机的零地电压
由此可见,可得到如下结论:
n 高频机与工频机具有同样的零线电压增益产生机理,零线与地线在两种UPS内部都是直通的;
n 只要滤波器设计得好,两者都可以很好地解决零地电压问题,并使零地电压不含有高频成份,反之,两种UPS都会产生较高的零地电压。
四、IT负载机柜输入点的零地电压才是"最可怕"的零地电压
数据机房用户通常非常关心UPS输出端的零地电压高低,也非常关心楼层输出配电柜的零地电压高低,但是唯独从从不关心机柜内部IT负载设备输入端的零地电压高低。如果零地电压真的对IT负载有影响的话,不管你在UPS的输出端、楼层输出配电柜上采取什么样的降低零地电压措施,只要IT负载设备输入端的零地电压UN-G2不小于1V的话,其"严重的危害"就依然存在。而IT负载机柜输入端的零地电压是所有UPS输入零线压降、UPS输出零线压降及楼层配电零线压降的叠加,可谓是零地电压的最前哨"重灾区"。
1、UPS输出零地电压-U N2-G
UPS输出零地电压等于UPS输入零地电压加UPS产生的零线电压增益,即
U N2-G=UNI-G+UN-UPS
2、UPS楼层输出配电柜上的零地电压-U N3-G
楼层配电输出的零地电压等于UPS输出零地电压加UPS输出到楼层配电柜之间的零线电压增益,即
U N3-G=UN2-G+UN3-N2=UNI-G+UN-UPS+UN3-N2
这里,UPS输出到楼层配电柜之间的零线电压增益UN3-N2的形成机理与UPS输入零地电压完全相同,在此不再鳌述。
但往往楼层配电柜输出的零地电压高低通常也是数据机房用户关心的核心问题,特别是当UPS到楼层配电柜之间的输电距离很长的时候,尽管UPS输出端的零地电压已经做到了小于1V,但是楼层配电输出的零地电压却仍然高达3~5V以上。
为了消除这一问题,许多迷信零地电压将影响或损坏IT负载的用户就不得不在楼层配电柜里加一△/Yo隔离变压器,并将变压器输出的中心点重新接地,即形成新的接地点G2,如图5所示,这样就在楼层配电柜的输出零排上生成了新的零地电压,而且此时的零、地线是"紧密"地连接在一起的,所以其新的零地电压一定小于1V,符合了用户所能接受的零地电压要求。有些厂家为了迎合用户的需求,专门将这一配电柜美其名为"精密配电柜"。

图5 楼层配电柜的零地电压
3、IT负载输入端的零地电压
就目前的数据中心机房而言,楼层输出配电柜到负载机柜之间通常采用单相配电,这样在这一配电区间内的零线电流就等于机柜负载电流I4,此时在楼层配电与IT负载之间产生的零线电压增益为UN-N3=I4*ZN-N3,由于I4较大,而配电的线路又较细,这一电压依然可能大于1V。例如,对于一个负载为3500W的机柜,从如果楼层配电柜的分路配电到机柜的电缆为2.5 mm?,电缆长度为20m(假设为较远端的机柜),此时的零线电阻为0.15Ω.,满载零线电流为16A,则产生的零线压降就达2.4V。
(1) 楼层配电柜中配置了隔离变压器的IT机柜端的零地电压
对于楼层配电柜里设置了隔离变压器的系统,见图6,此时的IT负载输入端的零地电压就等于IT设备输入端的N点对UPS后端的隔离变压器输出接地点G2的电压差,就等于零线上产生的零线压降:
UN-G2= UN-N3+UN3-G2=2.4V+0V=2.4V >1V
可见,即使对于楼层配置了变压器,且楼层配电输出端的零地电压等于0V的配电系统,实际IT负载输入端的零地电压依然达2.4V,远大于1V。

图6 机柜端的零地电压
(2) 楼层配电柜中没有配置变压器的IT机柜端的零地电压
如果在楼层配电柜里没有设置隔离变压器,那么IT负载输入端的零地电压等于IT设备输入端的N点对UPS前端的高压10KV/380V变压器输出接地点G的电压差,如图7所示,其相应的零地电压计算等效电路如下图所示。
UN-G= UNI-G+UN-UPS+UN3-N2+UN-N3=UNI-G+UN-UPS+UN3-N2+2.4V
此时的实际IT负载输入端的零地电压显然会远高于2.4V。

图7 没有配置楼层变压器的机柜端零地电压
来源:维库开发网


