- 易迪拓培训,专注于微波、射频、天线设计工程师的培养
反激式电源中MOSFET的箝位电路
输出功率100W以下的AC/DC电源通常都采用反激式拓扑结构。这种电源成本较低,使用一个控制器就能提供多路输出跟踪,因此受到设计师们的青睐,且已成为元件数少的AC/DC转换器的标准设计结构。不过,反激式电源的一个缺点是会对初级开关元件产生高应力。
反激式拓扑结构的工作原理,是在电源导通期间将能量储存在变压器中,在关断期间再将这些能量传递到输出。反激式变压器由一个磁芯上的两个或多个耦合绕组构成,激磁能量在被传递到次级之前,一直储存在磁芯的串联气隙间。实际上,绕组之间的耦合从不会达到完美匹配,并且不是所有的能量都通过该气隙进行传递。少量的能源储存在绕组内和绕组之间,这部分能量被称为变压器漏感。开关断开后,漏感能量不会传递到次级,而是在变压器初级绕组和开关之间产生高压尖峰。此外,还会在断开的开关和初级绕组的等效电容与变压器的漏感之间,产生高频振铃(图1)。

图1:漏感产生的漏极节点开关瞬态。
如果该尖峰的峰值电压超过开关元件(通常为功率MOSFET)的击穿电压,就会导致破坏性故障。此外,漏极节点的高幅振铃还会产生大量EMI。对于输出功率在约2W以上的电源来说,可以使用箝位电路来安全耗散漏感能量,达到控制MOSFET电压尖峰的目的。
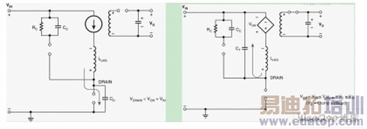
箝位的工作原理
箝位电路用于将MOSFET上的最大电压控制到特定值,一旦MOSFET电压达到阈值,所有额外的漏感能量都会转移到箝位电路,或者先储存起来慢慢耗散,或者重新送回主电路。箝位的一个缺点是它会耗散功率并降低效率,因此,有许多不同类型的箝位电路可供选择(图2)。有多种箝位使用齐纳二极管来降低功耗,但它们会在齐纳二极管快速导通时增加EMI的产生量。RCD箝位能够很好地平衡效率、EMI产生量和成本,因此最为常用。

图2:不同类型的箝位电路。
箝位
RCD箝位的工作原理为:MOSFET关断后,次级二极管立即保持反向偏置,励磁电流对漏极电容充电(图3a)。当初级绕组电压达到由变压器匝数所定义的反射输出电压(VOR)时,次级二极管关断,励磁能量传递到次级。漏感能量继续对变压器和漏极电容充电,直到初级绕组电压等于箝位电容电压(图3b)。

图3:RCD箝位电路的初级侧箝位。
Vc=箝位电压
此时,阻断二极管导通,漏感能量被转移到箝位电容(图4a)。经由电容吸收的充电电流将漏极节点峰值电压箝位到VIN(MAX)+VC(MAX)。漏感能量完全转移后,阻断二极管关断,箝位电容放电到箝位电阻,直到下一个周期开始(图4b)。通常会添加一个小电阻与阻断二极管串联,以衰减在充电周期结束时变压器电感和箝位电容之间产生的任何振荡。这一完整周期会在箝位电路中造成电压纹波(称为VDELTA),纹波幅度通过调节并联电容和电阻的大小来控制(图5)。

图4:RCD箝位的工作原理。
箝位电阻消耗漏感能量
RCDZ箝位与RCD箝位的工作原理相同,不同点在于它通过齐纳二极管与电阻串联来分担耗散(图2)。齐纳二极管可防止电容放电至齐纳二极管阻断电压以下,这样可限制功率耗散并提升效率,特别是在轻载时非常有用。ZD箝位对由齐纳二极管的阻断电压指定的MOSFET电压提供硬箝位。RCD+Z箝位与RCD箝位的工作方式相同,所添加的齐纳二极管对瞬态条件下的MOSFET电压提供硬箝位,并且前者在正常工作条件下的EMI生成特性,也与RCD箝位相同。

图5:RCD箝位电压的基准测量。
来源:维库开发网
上一篇:PSMS系统助力合肥联通节能降耗
下一篇:科达助力广西公安实现高清可视指挥调度


