- 易迪拓培训,专注于微波、射频、天线设计工程师的培养
如何用一只无缓冲CMOS六反相器做出测试仪器?
本文讨论了如何用一种六反相器IC做出四种测试件:一个有良好定义逻辑电压窗口的逻辑笔,输入阻抗约为1M&Omega,一个开路测试仪,上限电阻可以从几十欧到几十兆欧,一个单脉冲或脉冲串注入器或简单的信号发生器,还有一个是高阻音频探头。使用一只4069中的六个反相门、两或三只电阻,以及少许无源元件,就可以做出这些测试仪器。
在双门构成的CMOS/TTL兼容探头中,R1至R4电阻网络对反相器输入端做偏置(图1)。由于门有高输入阻抗,因此R1至R4的值在大约100kΩ到1MΩ。探头尖的吸入/供出电流很小,因为R1至R4有高阻抗,因此,探头尖基本上不影响测试点的逻辑电平。知道了门的输入阈值电压后,就可以计算出所需要的R1至R4电阻值。

图1:在双门构成的CMOS/TTL兼容探头中,R1至R4电阻网络对反相器输入端做偏置

图2:这个单门构成的开路测试仪有可调的检测阀值
上方的门检测逻辑0,下方的门检测逻辑1.将上限设定了逻辑0的电压,计算出R1和R2的值。任意选择R1= 1MΩ,去找一个R2的值,使得上方门输入端的电压正好是阈值电压。于是R2=R1 (VT-VL)/ (VS-VT),其中VT是阈值电压,VL是逻辑0电压,而VS是电源电压。同样,给逻辑1电压VT设定一个下限,按R3来寻找一个R4的值。适当地选择R3,此时要注意各个门的静态偏置,从而在探头悬浮状态下使各个LED熄灭,就可以得到R4的值:R4=R3VT/(VH-VT)。
下式计算探头的电流:IP=[-(V-VI)(R3+ R4)+VI (R1+R2)]/(R1+R2)(R3+R4),其中IP是探头电流,VI是探头尖的电压。因此,对探头尖上的任何电压,探头阻抗均大于1MΩ。对于有更高阈值电压的4069封装(如3V),可以在正电源轨与芯片之间接一个二极管再跟随一个10kΩ接地负载电阻,有助于降低这个电压。
开发人员经常使用的开路测试仪(图2)是基本的测试设备,这些测试仪是工作台上不可缺少的装备。用4069的一个门(有高输入阻抗,以及门输出转换的阈值电压)可以做成开路测试仪,其上限是测试电路的电阻。探头之间的总阻抗以及开关结构的电阻构成了一个分压网络,在门的输入端产生一个电压。当两个电阻相等时,门输入端的电压为电源电压的一半。门的转换阈值电压也接近于电源电压的一半,因此,开关分支选择的电阻就设定了近似的开路测试电阻。
另一种有用的结构是用一只可变电阻代替可切换电阻。这种方法可以通过调节可变电阻,在考虑到探头尖之间的电阻,以及LED的发热后,任意设定开路测试电阻。可变电阻的设置应使得LED正好熄灭。这种方法获得了一个紧凑的结构,可以装入一个小封装内。另外一只可变电阻(1kΩ到2kΩ)与负探头串联,从而能够做大约100Ω或更小的开路电阻测试。另外还可以使用有较低转换阈值电压的门,方法是用一对二极管跟随一个10kΩ的负载电阻,从正电源轨串联到地。这种结构也可以经过适当修改后,用于测试有电的交流电线(参考文献3),这样就做出了五种设备。
现在4069封装中还有三个门,其中两个可以做一个非稳振荡器/单稳式单脉冲发生器电路,一个互补双极管对缓冲器用于增加驱动电流(图3)。一只SPDT(单刀双掷)开关切换到P(脉冲)或A(非稳),就可以在两种方式之间选择。在脉冲模式下,按开关可在输入端产生一个简单的负向脉冲,送至第二个门,因为C2开始充电,门输出端获得的高电平在Q1与Q2的结点处产生一个正向脉冲。这个脉冲也被锁定,开关去颤是通过电容C1的正反馈,它以R1、R2或R3决定的时间常数开始充电。当C1上的电压等于阈值电压时,第二个门的输出再次通过C1的正反馈而返回为低,将第二个门的输入端驱动为高,结束脉冲。
与C 2并联的二极管总是反偏的,它用作一只为C2放电的极大阻值电阻。假设二极管的典型泄漏为1nA,则2.5V时的等效电阻约为2.5GΩ。大约125 ms的RC放电时间常数适用于人手按压按键的速度。

图3:互补双极晶体管增加了振荡器以及单脉冲发生器的输出电流
R1到R3的值设定了非稳态频率,或单稳脉冲宽度。在第二个门的输入端有220kΩ的电阻,用于当门电压低于地电压,或比VDD高0.6V时,限制电容的泄漏电流进入门输入端。单稳脉冲产生大约1/(2.2RC)的频率,而门的阈值电压决定了单稳的脉冲宽度,即大约0.7RC到1.1RC.
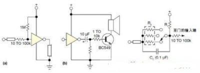
有时候,需要聆听某个测试电路点处的音频信号。4069有高的输入阻抗,以及大约6.8mA的充足输出驱动电流,可以驱动一只小型PCB安装式扬声器。这种方法可以建立起一个简单的音频探头(图4)。图4a中门输入端的电阻用于当待测单元电压高于门的电源电压时,为门提供,ぁ
图4中显示了两种驱动声音换能器的方法,具体取决于对响度的要求。图4a是直接连接到一只压电换能器。如果声音较大,可以在图4b的扬声器上串联一个小电阻,用于控制音量,并且防止扬声器或晶体管可能的损坏。图4c显示了一种通过门输入端的偏置来提高灵敏度的可选方法。

图4:两种驱动声音换能器的方法
偏置电压由分压网络通过下式给出:VB=R2VS/(R1+R2)-R2VL(1-ξ)/(R1+R2)-R2VHξ/(R1+R2),其中VS是电源电压,ξ是输入信号占空比(TH/(TH+TL),假设是一个矩形波),VH是逻辑高电压,而VL是逻辑低电压。R1的建议值为1M&Omega,用户可以根据偏置电压的式子,选择R2(建议选1MΩ)。很多R2值都是可以的,如图4c所示。电容CC(建议为0.1μF)与待测信号串联,提供与信号串联的偏压。信号的最低强度受到门的输入阈值窗口限制,对不同逻辑门有不同的值。举例来说,对于一个在零和信号电压之间变换的矩形波信号,偏压应低于阈值窗口,而偏压值与信号电压之和应高于阈值窗口。

图5:图4c的输入交流耦合对占空比的灵敏度低,弱于传统的串联电容交流耦合方式
这里有一种严格的情况,此时两个值都处于窗口的边沿。因此,对于矩形信号或衰减的数字信号,VSIG=ΔVT是最低要求的信号强度。通常情况下,不同门的ΔVT是不一样的,有些宽度大(CD4069),有些则宽度窄(CD4011)。然而,当加载一个交流信号(如正弦波)时,信号的负相位会使偏压强度减小到VB-VSIG.因此一个相位就足够产生一个相当于半个窗口宽度的变化量。于是,对于交流信号,最低信号强度标准为VSIG=ΔVT/2.
最后,对于一个反相门,ΔVT=VT2–VT1,其中VT2是门的输出端已完全安定在逻辑0时的输入电压,而VT1是门的输出端已完全安定在逻辑1时的输入电压。R1和R2帮助选择高于所设定最小门阈值窗口的信号强度。如果R2约为1MΩ,则R2CC时间常数为0.1秒,对应为10Hz,这看来是足够的。
对于普通的数字信号,足以忽略掉R2和CC.换句话说,R2和CC都等于零。应注意的是,这个耦合器并未补偿严格的信号条件,防止输出端有一个恒定的漏极电流。它的目标是为音频探头的门提供一个典型晶体管放大器式的偏压。对严格信号条件的关注由图4b中门输出端串联的10μF电容完成。
喜欢使用传统交流耦合(R2的左侧端子连接到大地,而不是探头尖)RC电路的用户可以采用下式,计算作为多项参数函数的V''''B:V''''B=VSR2/(R1+R2)-ξ(VH–VL)–VL,其中所有项都具一般意义。
将此式与前式作个比较。V''''B的式子中,偏压通过占空比的单一乘积因数,与VH或VL形成依赖关系,而在偏压式中,它取决于另外的乘积因数R2/(R1+ R2)<1,因此减少了依赖性,随占空比产生了一个更平坦的数据曲线,如图5所示有一个VL/VH=0/4V的矩形波和变化的占空比。
所有这些小设备都可以装在一个小容器里,如一只胶管,并用探头做各种测试(参考文献4)。探头电源可以使用两只3V的CR2032锂电池,CMOS4069是小功率器件。但要注意,不同制造商的4069器件的阈值有很大的差异,因此应在挑选制作测试设备的器件时,要检查其值,尤其是用于前三种设备时。
这些测试设备的关键在于CMOS门的高输入阻抗。其它封装( 如CD4011/4001)也可以做出多款设备,因为关键是使用反相门。
在这里讨论的所有电路中,探头的地都应直接连到待测设备的地上。尽管设计实例并未讨论这一点,但有些读者可能希望增加CD4011/4001NAND/NOR逻辑,将开路测试仪、单稳振荡器和音频探头结合起来,从而提供一个可发声的开路测试仪。


