- 易迪拓培训,专注于微波、射频、天线设计工程师的培养
电阻网络器件需要各种测量技术(一)
以下种基本类型的电阻网络器件需要各种测量技术。
隔离式与总线式电阻网络
隔离式与总线式电阻网络的测试与单个电阻元件的测试比较相似。用户可以使用标准四线开氏连接方法消除引线电阻的影响。2400的检测电路具有>1010Ω的输入阻抗,能够执行精确的四线测量。与大多数DMM或欧姆表不同的是,2400可以根据电阻网络厂商的产品技术规范调整其恒定电流和恒定电压测量方法中使用的信号源大小。

图1. 隔离式和总线式电阻网络
用户可以参考R/2R阶梯式一节的有关介绍了解如何对总线式网络中共用总线的电阻进行检查。
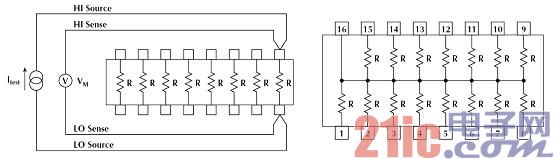
R/2R阶梯式电阻网络
在R/2R阶梯式电阻网络中,待测与其他电阻是隐藏在一起的。这样就妨碍了测量待测电阻的端头。

图2. R/2R阶梯式网络
要测量这类网络中的各个电阻,传统的开氏连接方法必须分开成四条单独的线(因此称为“分离开氏”)。通过另外的Rs和2Rs电阻测量待测元件大幅增加了检测和供源线路上的额外电阻。这是利用传统四线欧姆表测试这种网络的一个问题。大多数欧姆表都会设定四线欧姆方式下的最大引线电阻为1KΩ和/或量程的10%。因此,这些欧姆表不适合使用,因为2R的值(成为“引线电阻”的一部分)可以高达200KΩ。
解决这一问题的一种方式是使用单独的仪器——一个电流源和一个伏特计。另外一种办法就是使用2400,它将这两种仪器集成在一台设备中,编程更加方便,响应时间也更快。这种测试仪在额定精度下对两种源模式可以设定检测引线中的引线电阻高达1MΩ。这种双功能,加上它的高检测输入电阻,使得它成为这类测量问题的良好解决方案。
为说明这种方法,请按以下步骤测量图2中#3电阻器的电阻。在进行测量时,将Source LO连接#2号电阻器(管脚2),Source HI连接#4号电阻器(管脚3),Sense LO连接#1号电阻器(管脚1),Sense HI连接#6号电阻器(管脚4),如图3所示。注意,由于检测输入端具有较高的阻抗,检测引线中没有明显的电流,因此#1、#5和#6号电阻器可以忽略不计。

图3.具有“分离开氏”连接的四线欧姆计
假设R/2R梯形网络包含100KΩ和200KΩ电阻,测量#3号电阻时检测电路中的总串联电阻将会达到500KΩ。对于10μA的测试电流,#3号电阻上测得的电压将是1V。注意,信号源提供的总电压将是5V,#2号和#4号电阻上的压降是2V。2400能够容忍每个源“引线”电阻上的电压高达5V。、
同样的方法可以用于对总线式电阻网络器件进行公共总线检查。
注意:要想测试网络中的每个元件,系统必须能够将四条测量/源引线切换到网络的每个管脚上。更多详细介绍请参阅“测试系统配置”一节。


