- 易迪拓培训,专注于微波、射频、天线设计工程师的培养
什么是源测量单元(SMU)?
事实上,所有的研究、设计、开发和生产应用都需要一个能为正在开发或测试中的设备提供能量的仪器。大多数这类应用还必须能够监视这台设备所消耗的电压和电流,来描述设备的性能或测试设备是否正常工作。通常,你可以采用一个可编程电源来满足这两个要求。这种电源既可以提供恒定的电压或恒定的电流,也可以读取相应的电压值或电流值。在这些应用中,对于电流的测量而言,毫安级的灵敏度通常就足够了。
有些应用对供给电源和测量的精度的要求就比较高,超出了常用的可编程电源的毫安级电流灵敏度的范围。譬如,对于我们身边随处可见的电子设备而言,输入的每一毫安电流都会降低电池的寿命。所以,通常制造商们需要在产品生产过程中了解它们的特性。于是,具备微安级灵敏度的高精度的电源就成为了最佳选择。
一些其它应用甚至会要求更高的精度和更多的特性。例如半导体检验和表征的应用中,就需要纳安级的电流灵敏度。另外, 对更高的灵敏度、更快速度、远端电压检测和四象限输出的要求,使得传统的可编程电源难以胜任。在这些需要精确的高精度电源并包含测量功能的应用中,源测量单元(SMU)就表现出良好性能。
SMU是一种精确供电设备,它不仅可以提供测量分辨率小于1mV的电压源,还可以提供测量分辨率低于1uA的电流源。SMU还提供了远端检测功能并拥有集成了双极型电压和吸收功率能力的四象限输出功能。最后,SMU可以提供线性扫描电压和扫描电流,能够获得仪器的IV特性曲线。目前,SMU已经广泛使用于工业中,并且成为了许多自动化测试系统中的常用组成部件。需要了解更多SMU精确特性及其相关应用的信息,请阅读下面对应的段落。
目录 精度 远端电压检测 4-象限操作(供能和吸能) 扫描 PXI可编程电源和SMU
精度
使SMU区别于其它标准电源器件的最显著的特性就是它的高精度。精度定义为可重复性或可再生性。在考虑到仪器的精度时,请记住两个与其相关的主要特性:灵敏度和精确度。
灵敏度
灵敏度定义为仪器可以被检测到的最小的可测量(或可提供)的变化值。也就是说,灵敏度就是能够在设备的输出端设置的最小增量,或能在设备的输入端检测到的最小增量。SMU 提供了多个电压电流范围供用户设置和读取,所以比标准的电源器件具有更高的灵敏度。例如,NI PXI-4130 SMU就提供了从2A到200 µA 的5个电流范围。
精确度
精确度是指电源给出的电压电流值或者测量值的最大不确定性。绝对精确度是以一个标准的有效读取值作为参考而获得的。通常,对电源供给和测量两个方面,SMU都具备小于等于输出设定值0.1%的精确度。譬如,PXI-4130功率SMU的200µA量程的准确度达到了0.3%。
远端电压检测
在精确的供给或测量电压的应用中,一个最重要的问题就是,待测设备(DUT)中导线阻抗对测量到的电压值的影响。导线阻抗是无法消除的,在涉及到长距离细导线的应用中,它就能够造成很大的影响。虽然通常铅阻抗都不会超过几欧姆,但是这些小阻抗却可能对加在DUT上的电压产生巨大的作用。尤其当DUT的内部阻抗很小的时候,这种现象尤为明显。
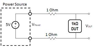
图1显示了一个普通电路,包含一个电压源仪器、导线和一个DUT。在这个例子中,假设从电压源连接到DUT的正极和负极导线的铅阻抗都为1 ?。

图1. 典型的可编程电源器件的连接图
假设电源器件的输出为5V,DUT的阻抗为1k ?。按照下列公式,可以计算出DUT终端的实际电压:

在这种情况下,电压实际只有4.99V。对某些器件而言,这种小的变化是微不足道的;然而,对那些需要高精度操作电压的应用而言,这样的误差可能变得非常重要。此外,对那些低输入阻抗的设备来说,这将极大地降低导线端待测设备上电压的变化。表1中列出了当DUT输入阻抗降低时,DUT两端的电压值:
| DUT Impedance | DUT Voltage |
| 1 kΩ | 4.99 V |
| 100 Ω | 4.9 V |
| 10 Ω | 4.16 V 表1. 阻抗不同的DUT上获得的电压 这种导线阻抗引起的电压误差,可以通过远端检测来解决,也就是4-线检测。这种技术直接测量DUT两端电压,并进行相应补偿,可以去除导线阻抗上的电压降。这种方法类似于数字万用表(DMM)采用的4-线阻抗测量方法,以消除阻抗测量中导线阻抗带来的影响。电源和DMM在输出端都有两个额外的接线端,用于这种4-线远端检测技术。这些额外接线端直接连接到DUT上。虽然用于远端检测的导线中仍然存在导线阻抗,但是电压测量是处于高阻状态的,所以没有电流会从检测导线中流过,因此也将不存在电压降。 SMU通常具备了远端检测的能力,以充分利用它们所提供的增强的电压灵敏度。PXI-4130 SMU上就具备远端检测能力(也称为"开尔文检测"),并可以在软件中设置其开关状态。 4-象限操作(供能和吸能) SMU的另外一个特性便是输出的灵活性。SMU具有4象限输出,可以提供正电压正电流(第一象限)、负电压正电流(第二象限)、负电压负电流(第三象限)和正电压负电流(第四象限)。典型地,SMU的数据手册中会包含一幅与图2类似的象限图,显示了在每个象限内可使用的最大电压和电流。吸收象限区中通常采用一条实线表征持续功率耗散,采用一条虚线表征在脉冲模式下吸收电流的能力。理解这种差异是很重要的,因为SMU的持续功率耗散能力可能比它的脉冲耗散能力要小得多。 对那些同时需要电源供给和吸收的应用(例如测试充电电池的充电周期,或者测试数字半导体器件管脚上的输出短路电流)而言,4-象限操作功能是非常必要的。PXI-4130可以在I和III象限区提供40W的功率,在II和IV象限区可以吸收10W的功率。
图2. NI PXI-4130 Power SMU通道1的象限图 双极 对于归类为4-象限的电源或SMU而言,它必须具备在同一端口提供正电压和负电压的能力。这对描述同时具有正向和反向特性的有源设备中的击穿现象是非常重要的。你可以采用一个输出通道来提供从负到正的扫描电压,以表征这些正向和反向特性。PXI-4130功率SMU在它的两极SMU通道上提供了+20 V到-20 V的电压输出。
图3. 典型齐纳二极管的电流-电压曲线,显示正向和反向击穿特性 功率吸收 类似的,归类为4-象限的电源或SMU,不仅必须能够提供功率,还必须能够吸收功率。提供功率是指为电路提供激励,而吸收功率是指消耗外部有源器件(例如电池、充电电容、或另一个电源)提供的功率。可以配置4-象限源,将其设为吸收电流模式来对电容或电池进行放电。譬如,PXI-4130提供了高达10W的功率吸收能力。 SMU的主要应用是对各种电子器件、半导体设备和用户芯片设计进行表征和分类。通常可以采用将一系列电压或电流值以扫描方式提供给DUT来实现以上功能。绘制二极管和三极管的IV曲线就是这种应用的一个典型案例。在这种应用中,给在DUT的两端提供扫描电压,并测量其得到的电流。 扫描可以采用多种方式,可以是线性方式或者对数方式,也可以是自定义方式,直流方式或者脉冲方式。当SMU测量得到的电压和电流时,以3000S/秒的速度扫描电压和电流。此外,PXI-4130还提供了一个额外可编程电源作为实用通道,可以提供6V电压和1A电流。你可以使用该通道为双极结型晶体管(BJT)提供基极电流,或者为场效应管(FET)提供栅极电压。图4描述了NI LabVIEW SignalExpress环境中,采用PXI-4130 power SMU扫描双极结型晶体管得到的IV曲线。
图4. 使用PXI-4130 Power SM扫描双极结型晶体管得到的IV特性曲线 PXI可编程电源和SMU NI为PXI提供了两种高精度电源:PXI-4110可编程电源和PXI-4130 功率SMU。虽然它们都只是一块3U的 PXI模块,但却都比其他传统的电源具备更高的精确度。图5显示了这两种NI高精度电源与传统可编程电源之间在电流测量灵敏度方面的对比。
图5. NI公司PXI高精度电源的价格和精度的比较
上一篇:用矢量信号分析仪检测非线性失真
|






