- 易迪拓培训,专注于微波、射频、天线设计工程师的培养
一种数字集成电路测试系统的设计
测试系统结构及工作原理
系统需要对集成电路进行功能测试和直流参数测试。功能测试通过向集成电路输入端施加设定的测试向量,检测并比较其输出的测试向量,从而验证器件的逻辑功能是否正常。直流参数测试是以电压或电流的形式验证集成电路的电气参数,要保证较高的测试精度。
为了使系统结构灵活,便于升级,采用了基于总线的模块化结构,其结构如图1所示。系统由通道板、数控电源板(DPS板)、精密测量单元板(PMU板)、测 试接口板、单片机系统板(CPU板)和总线板组成。各个板卡通过总线板进行数据连接和交换。DPS板给测试系统提供电源、电压参考,给被测器件(DUT) 提供工作电压。测试接口板功能是给DUT提供测试接口,给器件上电。

在功能测试过程中,计算机把预先生成的测试向量送到单片机系统,单片机控制通道板把信号电平转换为测试所需的电平,并把转换后的时序波形施加到待测器件 (DUT)的输入管脚上,然后检测DUT的输出,把检测结果通过总线传到单片机进行判断处理。直流参数测试过程是向DUT施加直流参数测试条件,通过 PMU实现DUT直流参数的精密测量。
通道板
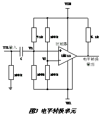
通道板功能有两个,一是把测试码合成最终的测试信号施加到DUT,另外的功能是对DUT的返回信号进行分析比较,将比较结果通过总线返回到单片机系统。通 道板的结构设计如图2所示。控制总线通过译码与逻辑控制单元设定并控制DUT管脚的地址,管脚驱动与控制单元驱动并控制继电器阵列完成DUT管脚数据的输 入和输出功能。VIH(VIL)是由DPS板设定产生的测试所需的高(低)驱动电平。总线发送由程序预先生成的测试向量,电平转换与驱动单元把测试向量转 换为设定电平的测试时序波形,管脚驱动与控制单元控制继电器阵列把波形施加到DUT的输入管脚。管脚电平比较单元检测输出管脚信号电平,与预期输出数据进 行逻辑比较后把比较结果传回下位机。在直流参数测试过程中,继电器控制单元将测试接口板上的DUT连接到PMU,利用PMU模块实现电压或电流的精密测 量。在通道板的电平转换部分设计如图3所示。电路在稳定后,在无信号输入时,V1略高于V2,输出为VIH;当TTL输入为低电平时,由于电容电压不能突 变,使得V1低于V2,比较器翻转,输出为VIL;当TTL输入为高电平时,同样,V1略高于V2,输出为VIH。由于电容充放电,输出端电平不能长久保 持在低电平,选取足够大的电容可满足本系统的测试需要。

精密测量单元
精密测量单元(PMU)是系统精密测量直流参数的基本单元。系统采用12位A/D和D/A转换器、分档以及开尔文接法等手段来实现高精度测量。PMU可实 现加压测流(FVMI)和加流测压(FIMV)两种工作方式。其中PMU中加压测流原理图如图3所示。Vin作为输入,器件施加电压Vp经测试接口板施加 到DUT,通过测试Vout可得到到测试电流I。根据电路图可以计算出:

这样,根据公式(1),通过控制Vin就可以向被测器件施加设定的电压Vp,根据公式(2)可通过测试Vout来计算被测器件管脚上流过的电流I。
直流参数测试中,PMU可通过测试输出端高/低电平、输入端漏电流、输出短路电流以及静态功耗电流等来检测器件的负载特性和静态功耗。
为了使PMU具有足够宽的测试范围和测试精度,A3采用具有FET输入级的高压运放OPA445,接成跟随器,使得流入A3的电流极小,保证了电流测试的精度,并且其高压特性保证了PMU的测试范围。

软件部分的作用是用计算机控制测试系统,并为用户提供一个友好、易于操作的界面。下位机软件用C51程序编写,主程序流程图如图4所示。上位机采用 VC#.net编写。下位机软件的主要工作是根据上位机传送的测设参数设置系统电压及测试条件,载入测试向量向DUT管脚发送输入波形,然后测试输出端波 形数据,发送到上位机并存储到数据库。

经过用户的实际应用,证明该系统性价比高,测试准确。
参考文献
1 陈辉 数字集成电路测试系统
2《OPA445数据手册》 Burr Brown公司
上一篇:变频器的谐波干扰与抑制办法
下一篇:大功率UPS输入谐波电流抑制四种方案比较


