- 易迪拓培训,专注于微波、射频、天线设计工程师的培养
基于CS5530的计重计数电子秤的设计研究
录入:edatop.com 点击:
2 CS5530硬件电路设计
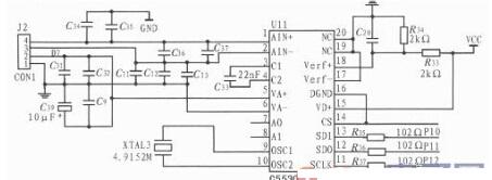
CS5530外围原理图,如图7所示。

图7 CS5530外围原理图
J2接称重传感器,1-4分别为电源地、电源正、信号负、信号正,VREF-接地,VREF+接2.5 V通过精密电阻对电源分压所得,SCLK、SDO、SDI分别接单片机P12、P11、P10,CS接地。
3程序设计
3.1初始化函数
对CS5530内部寄存器进行初始化,设定相关工作方式,放大倍数,转换速度等工作。
具体程序如下:

3.2写寄存函数
对CS5530 3个寄存器进写数据操作,具体程序如下:

3.3读数据函数,读AD转换结果
具体程序如下:


4结论
CS5530是美国半导体公司推出的一款SPI总线的24位A/D芯片,内置可编程放大器,集成度高,性价比优,在电子秤和其他仪器仪表行业具有广泛的应用前景,具有取代原有电子秤和仪器仪表行业中放大器+A/D芯片电路的趋势,从电子秤中的应用介绍CS5530芯片的硬件电路、内部结构及软件编程。


