- 易迪拓培训,专注于微波、射频、天线设计工程师的培养
关于基于FPGA平台的手持式频谱分析仪的实现原理
3、AD转换原理:
按其工作原理的不同分为直接A/D转换器和间接A/D转换器两种。直接A/D转换器将模拟信号直接转换为数字信号,这类A/D转换器具有较快的转换速度,典型的电路有并行比较型A/D转换器、逐次比较型A/D转换器。间接A/D转换器则是先将模拟信号转换成某一中间量(时间或频率),然后再将中间量转换为数字量输出。此类A/D转换器的速度较慢,典型电路有双积分型A/D转换器、电压频率转换型A/D转换器。
AD转换芯片有很多,根据本次设计所采集的信号的需要,信号是交流电信号,选择8位AD转换器。芯片选择的是Maxim公司所提供的MAX11662。其参数如下:VDD = 2.2V ——3.6V, VREF = VDD。
模数转换器的原理框图如下所示:

AD的转换过程包括采样、保持、量化和编码四个阶段。通过按等间隔T对模拟信号进行采样,得到一串采样点上的样本数据,这一串样本数据可看作时域离散信号(序列)。在本次设计中AD有8位,那么每个样本数据用8位二进制数表示,即形成数字信号,因此,采样以后到形成数字信号的这一过程是一个量化编码的过程。
4、放大器原理:
通过低通滤波器所得到的信号可能很微弱,所以加一级前置放大器对所获取的信号进行放大,以期能够得到更易于处理的信号。将放大器前置的目的有两个:①使小输入信号不被后期电路的噪声所淹没;②要防止滤波器电路的噪声被放大。
对于测量放大电路的基本要求是:①测量放大电路的输入电阻应与传感器输出阻抗相匹配;②稳定的放大倍数;③低噪声;④低的输入失调电压和输入失调电流,以及低的漂移;⑤足够的带宽和转换速率;⑥高共模输入范围和高共模抑制比;⑦可调的闭环增益;⑧线性好、精度高;⑨成本低等;
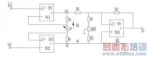
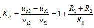
目前广泛应用的是高共模抑制比放大电路,如下图所示:

该共模抑制比电路由三个集成运算放大器组成,其中
为两个性能一致(主要是指输入阻抗、共模抑制比和增益)的同相输入通用集成运算放大器,构成平衡对称(或称同相并联型)差动放大输入级,
构成双端输入单端输出的输出级,用来进一步抑制
的共模信号,并适应接地负载的需要。
输入级的输出电压,即运算放大器
输出之差为
,其差模增益

由以上公式可知,当
性能一致时,输入级的差动输出及其差模增益只与差模输入电压有关,而其共模输出、失调与漂移均在
两端相互抵消,因此电路具有良好的共模抑制能力,为消除
偏置电流等得影响,通常取
。
关于放大器采用的是LM386,LM386是一个用于在低电压消费类应用设计的功率放大器。内部增益为20,输入以地面为参考,而输出被自动偏置到电源电压的一半。静态功耗只有24毫瓦,LM386是电池操作的理想选择。


