- 易迪拓培训,专注于微波、射频、天线设计工程师的培养
基于活体指纹传感器MBF310的防盗遥控器设计
引言
防盗 遥控器主要应用于汽车、车库门、 防盗 门、室内门、保险柜等门禁设备,可以控制开启和关闭门禁设备,在 防盗 模式下,当门禁被非法打开、碰撞、移动、振动等时发出 防盗 报警信号。现在市场上的指纹识别 防盗 遥控器,采用的是第一代光学指纹识别技术,只能够扫描手指皮肤的表面(又称“死性皮肤层”),不能深入真皮层,所以手指表面的干净程度,直接影响到识别的效果。另外,如果人们按照手指指纹做一个指纹手模,也可能通过识别系统。这种指纹识别技术虽然能对使用者的身份进行识别,但使用起来既不安全又不稳定。
刮擦式活体指纹识别器通过电容传感器发出电子信号,电子信号穿过手指的表面,到达手指皮肤的活体层(又称“真皮层”),直接读取指纹图案,从而大大提高了系统的安全性。采用刮擦式活体指纹识别技术, 防盗 遥控器对使用者的指纹活体层进行采集,并发送给遥控接收器与存储在遥控接收器内的合法指纹进行比对。只有相符时,使用者才能对遥控器进行其他操作;否则,发出 防盗 报警信号。采用活体指纹识别技术验证使用者的身份,提高了系统 防盗 等级、安全性和稳定性。
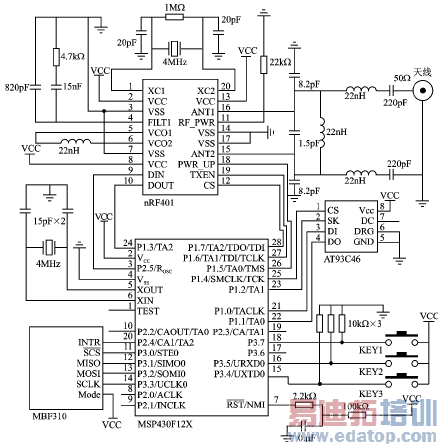
1 防盗 遥控发射器的设计
刮擦式活体指纹识别 防盗 遥控器分为 防盗 遥控发射器和 防盗 遥控接收器两部分。 防盗 遥控发射器由使用者随身携带, 防盗 遥控接收器安放在要保护的门禁设备里。 防盗 遥控发射器以MSP430F12X处理器为核心,对刮擦式活体指纹传感器MBF310、无线发射/接收芯片nRF401、参数配置芯片 AT93C46等进行工作状态配置,包括指纹数据读取、指纹数据和加密数据无线发射,以及控制指令的无线发射等。
AT93C46中保存有256位的参数配置数据,用于对发射的数据进行加密运算;nRF401工作在无线发射模式。MBF310选用SPI工作模式和MSP430F12X处理器的SPI总线相连,MSP430F12X通过SPI总线对MBF310传感器进行工作状态初始化,配置为使能FIFO中断的SPI模式。当手指在MBF310上滑过时,MBF310采集指纹数据并存到FIFO缓冲区内;当FIFO缓冲区满时产生一中断信号, MSP430F12X处理器收到FIFO缓冲区满中断信号后立即通过SPI总线读取MBF310采集的指纹数据;并把读取的指纹数据和AT93C46内的配置字进行“或”运算加密,把加密好的数据通过nRF401发射出去,从而实现指纹的采集,指纹数据的读取、加密和无线发射,以及控制指令的无线发射等功能。 防盗 遥控发射器的电路连接图如图1所示。

图1
防盗
遥控发射器的电路连接图
2 防盗 遥控接收器的设计
防盗 遥控接收器由MSP430F12X处理器、无线发射/接收芯片nRF401、参数配置芯片AT93C46、指纹模板存储器FM24C64、按键和指示灯等硬件组成。当 防盗 遥控接收器正常工作时,MSP430F12X处理器选择nRF401为无线接收模式,以适时接收 防盗 遥控发射器发射的数据和指令。当接收到指纹数据时,MSP430F12X处理器用AT93C46内的256位配置字对接收到的加密指纹进行解码,得到 防盗 遥控发射器内的 MBF310采集到的真实活体指纹数据。然后把解码后的指纹数据与指纹模板存储器FM24C64内预存的指纹模板数据进行比对,如果比对结果为真,表明得到合法身份验证,那么 防盗 遥控接收器可以接收 防盗 遥控发射器的控制指令( 防盗 遥控发射器上按键设定的指令),否则不响应 防盗 遥控发射器发射的指令数据。 防盗 遥控接收器按键用于建立指纹模板,指示灯指示 防盗 遥控接收器的当前工作状态。输出端口1~6是根据遥控指令产生的输出控制信号。 防盗 遥控接收器的电路连接图如图2所示。

图2
防盗
遥控接收器的电路连接图
3 应用实例
以本设计用作汽车 防盗 遥控器为例,汽车 防盗 遥控器由汽车 防盗 遥控发射器和汽车 防盗 遥控接收器两部分组成。汽车 防盗 遥控发射器由车主随身携带,汽车 防盗 遥控接收器安装在汽车内。汽车 防盗 遥控发射器的3个指令操作按键分别定义为开启汽车系统(KEY1)、关闭汽车系统(KEY2)和寻车 (KEY3)。汽车 防盗 遥控接收器的输出控制端口输出1~6分别定义为:报警器鸣响、前灯亮闪、车门锁开/关、后舱盖打开、总电路通断、汽车点火/熄火控制信号。
汽车 防盗 遥控器的所有操作均以通过指纹识别为前提。首先,遥控器操作者的手指(遥控器操作者在汽车 防盗 遥控接收器内建立过指纹模板的手指)在指纹识别窗口上轻轻滑过;汽车 防盗 遥控发射器采集到指纹后,通过编码加密算法加密指纹数据,并通过FSK方式发射出去;在有效距离范围内的汽车 防盗 遥控接收器收到加密的数据,并通过解码算法得到解密后的指纹数据,然后与存储的指纹模板数据一一比对。如果比对结果为真,则确认操作者身份成功,可以接收遥控发射器的指令数据,否则不接收遥控发射器的指令。如果汽车在没有得到操作者的合法身份情况下被强行操作,那么 防盗 遥控接收器就会发出报警控制信号(如报警器鸣响、前灯亮闪),并执行其他 防盗 控制信号(如总电路断开、汽车熄火、车门锁关等)。
结语
本文设计的 防盗 遥控发射器采用了刮擦式活体指纹识别芯片MBF310,属于第二代指纹识别技术,有效克服了第一代指纹识别技术识别率低、识别橡胶模塑指纹等缺点和不足,提高了安全等级和正确识别率。
nRF401无线收发芯片,采用FSK技术,遥控距离可达800 m。 防盗 遥控发射器和 防盗 遥控接收器中,AT93C46是编解码配置芯片,存有256位的编解码数据。遥控发射器发射数据时采用256位编码加密算法,可以防止遥控发射的数据被截获破解以及遥控发射器被仿制,只有遥控发射器和遥控接收器的编解码数据相同时,才能进行遥控操作,提高了安全等级。 防盗 遥控接收器中的指纹模板存储器采用了8 KB的高速铁电存储器FM24C64,可以无故障读写1 010次,掉电情况下保持数据10年不丢失。遥控发射器和接收器以超低功耗16位处理器MSP430F12X为数据处理和控制核心,提高了数据运算速度和系统的智能化程度,降低了功耗。
参考文献
[1] 胡大可.MSP430系列FLASH型超低功耗16位单片机[M].北京:北京航空航天大学出版社,2001.
[2] 胡大可.MSP430系列单片机C语言程序设计与开发 [M].北京:北京航空航天大学出版社,2003.
[3] 魏小龙.MSP430系列单片机接口技术及系统涉及实例[M].北京:北京航空航天大学出版社,2002.
13.56MHz NFC天线,13.56MHz RFID天线设计培训课程套装,让天线设计不再难
上一篇:基于无线通信的城市路灯监控管理系统
下一篇:基于ZigBee的无线传感器网络


