- 易迪拓培训,专注于微波、射频、天线设计工程师的培养
2.4GHz射频的CAN总线汽车故障诊断仪
控制器局域网络CAN(Controller Area Network)为汽车内部各种复杂的电子设备、控制器、测量仪器等提供了统一数据交换渠道,已得到广泛的应用。目前,太多数汽车部件都提供了CAN总线通信接口。
在当今的中高档汽车中,都采用了CAN总线技术。针对车载CAN总线会出现的故障.结合射频和USB的优点,依靠KWP2000应用层规定的故障代码,本文提出了一种基于车载CAN总线故障诊断仪设计方案。本方案成本低廉,携带方便,具有很强的灵活性与适应性。
1 方案设计
系统总体设计框图如图l所示。系统分为发射端和接收端两部分。

由于采用射频技术,使汽车CAN总线数据采集部分和CAN总线数据诊断部分得以分离,无需连线,不受空间场地限制,安装携带方便。按照ISO有关标准,CAN总线传输速率最高可达1 Mbps;但由于汽车内部特殊环境,车载CAN总线速率一般在250 kbps。本系统中射频速率最高可达l Mbps,可以很好地满足数据传输要求。
发射端采用USB作为接收模块和PC接口。USB与RS232或PCI接口相比,具有用户使用方便,设备自动识别,自动安装驱动程序和配置,支持动态接入和动态配置等优点;其传输速率可达几十Mbps,并且支持同步和异步传输方式,保证带宽,传输失真小。
PC端应用层软件整合KWP2000的应用层协议。KWP2000是由瑞典制定的一种车载故障诊断协议,已在微机控制的自动变速器、防抱死制动系统、安全气囊、巡航系统中得到广泛应用。它基于OSI七层协议,符合IS07498标准。其中第1~6层实现通信服务的功能,第7层实现诊断服务的功能。其应用层提出了一套完整和标准化的诊断代码,本系统利用KWP2000的应用层协议,对采集到的CAN总线数据进行分析,以实现故障诊断的功能。
2 硬件实现
2.1 系统所用芯片简介
2.1.1 nRF2401芯片
nRF240l是单片射频收发芯片,工作在2.4~2.5GHz ISM频段;内置频率合成器、功率放大器、晶体振荡器、调制器和标准SPI等功能模块;输出功率和通信频道可通过软件进行配置,共有125个频道可使用,而且最高速率可达l Mbps。芯片具有1.9~3.6 V宽工作电压,工作能耗非常低。当以一5 dBm的功率发射时,工作电流只有10.5 mA;接收时,工作电流只有18 mA。
nRF240l有4种工作模式:收发模式、配置模式、空闲模式、关机模式。其工作模式由PWR_UP、CE、CS三个引脚和配置字节最低位TX_EN来决定。
收发模式分为DirectMode和ShockBurst。前者在片内对信号不加任何处理,与其他射频收发器相同。后者使用片内FIFO堆栈,数据从 MCU低速送入,但高速发射,而且与射频协议相关的所有高速信号处理都在片内进行。例如,nRF240l在ShockBurst收发模式下自动处理字头和 CRC校验码,在接收时自动把包头和CRC校验码移去;在发送数据时自动加上字头和CRC校验码。
2.1.2 TMU3100芯片
TMU3100是台湾Tenx公司2005年推出的RISC内核的单片机。它嵌入了完全兼容USBl.1协议的USB控制器,并且提供了低速USB接口和3个端点,其中1个控制输入/输出端点和2个中断输入端点。
TMU3100可以配置为标准的HID类,可以使用Windows操作系统自带的HID类驱动程序。这样可以省去开发设备驱动程序的工作,缩短开发周期。TMU3100芯片结构框罔如图2所示。

2.1.3 PICl8F2682芯片
PICl8F2682是Microchip公司新推出的8 位低功耗CAN微控制器,主要资源有:内置标准CAN模组、80KB闪存程序存储器、1 KB数据E2PROM、3.3 KBRAM存储器、8通道ADC、1个8位和3个16位T1MER、1个SPI和I2C串行通信端口和可编程欠压复位功能及低电压检测电路。
PIC18F2682内置增强型的CAN总线模块,该模块包含CAN协议引擎、信息缓冲和信息控制。CAN协议引擎自动处理CAN总线上所有接收和发送的消息,它可以在接收或发送信息时对数据帧进行解析。只需要首先设置适当的寄存器就可以发送信息,通过相关的寄存器即可得到信息传输的状态。
2.2 硬件电路
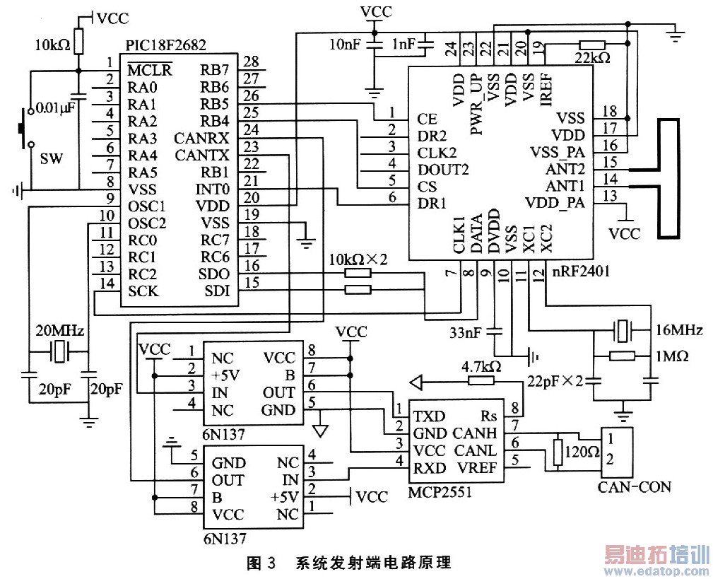
2.2.1 发射端电路原理
图3是系统发射端电路原理。CAN总线接口使用Microchip公司内置CAN模块的PIC18F2682单片机,并由光耦6N137进行总线隔离;CAN总线收发器采用MCP2551。

PIC18F2682与射频芯片nRF2401之间通过标准SPI接口SCK、SDI、SDO来完成,这样可以大大提高发送速率。对nRF2401配置控制使能CS和接收、发送使能CE分别由RB4和RB5进行控制。当nRF240l接收到数据包时,DRl将被置高电平,因此PICl8F2682通过查询INT0的状态可以判断是否接收到数据。
2.2.2 接收端电路原理
图4是系统接收端电路原理。由于TMU3100由PC供电,而PC机USB接口所提供的电压VDD干扰较大,故对VDD进行了π滤波。

由于TMU3100没有SPI模块,故可以通过PB[1]、PB[0]按照SPI协议与nRF2401的SPI口来进行通信。对nRF2401配置控制使能CS和接收、发送使能CE分别由KSO[3]和KSO[13]控制。nRF2401接收到数据包后,DRl将被置高电平,因此TMU3100可以通过查询KSl6的状态判断足否接收到数据。
3 软件设计
系统的软件设计包括发射端软件设计、接收端软件设计和PC端软件设计。
3.1 发射端软件设计
发射端流程如图5所示。软件设计主要实现两项功能:第一是实现CAN总线上数据的采集;第二是实现将采集后的数据通过射频进行发射。

上电后,首先对CAN模块进行初始化。然后初始化nRF2101,并与接收端建立连接。当发送完CAN数据后没有收到ACK信号时,就跳频;然后通知发送端准备接收重发的CAN数据,直到接收到ACK信号。
为了防止空中干扰,采用了自动跳频的空中协议,即无论是否接收到ACK信号都进行跳频,因此可以防止某个频段的强干扰,进而降低误码率。
3.2 接收端软件设计
接收端软件流程如图6所示。软件设计主要实现两项功能:第一是实现枚举;第二是实现将接收到的数据通过USB上传到PC。上电后,首先完成对 TMU3100的配置,并与PC机枚举;枚举成功后就对nRF2401进行配置,并与发射端建立连接。当接收到数据包后,首先判断是CAN数据还是重传数据命令。如果是CAN数据包,则向发射端返回ACK信号并跳频,然后将接收到的数据通过USB传至PC;如果是重传命令,则先跳频,然后置重传标志,表示下个数据包是重传的数据包。
TMU3100被配置为标准HID类,这样就不用为设备开发驱动程序,而是使用Windows提供的标准HID类驱动程序。
3.3 PC端软件设计
PC端软件由应用程序和设备驱动程序组成。Windows为标准USB没备提供了完善的内置驱动,本系统采用Windows自带的HID类驱动,只要将 TMU3100配置为HID类,即可完成与PC机的通信。这省去了开发设备的驱动程序,极大地简化了上位机软件的开发。
上位机的应用程序首要实现的功能是,要实现对TMU3100端点的读写,用VC++语言编写,可以把USB设备当成文件来操作。用CreateFiile()函数获得USB句柄,为读访问或写访问打开指定端点。用DeviceControl()来进行控制操作,用ReadFile()从指定端点读取数据,用 WriteFile()向端点写入数据。
当CAN总线上的数据被采集到PC后,就可以进行故障诊断了。故障诊断代码是依照 KWP2000应用层规定的故障代码设计的,是目前国际上通用的,现将其应用于CAN的应用层,将来可以用全新的CAN上层协议取代。故障诊断代码定义在 SSF14230中。SAE J1979中,由车辆制造商或系统供应者定义的服务标志符数值的不同范围,如表1所列。

此表中以十六进制数表示的服务标志符,同数据链路层中数据字节内的SID服务识别字节对应。不同的SID值代表不同的服务请求,故障诊断程序必须符合此应用层标准,才能识别不同的十六进制代码所代表的不同的故障信息。
4 结论
本文设计的2.4G无线车载CAN总线故障诊断仪,由于采用了自动跳频的空中协议,所以误码率几乎接近零,在14 m内仍能进行可靠的工作。系统使用国际上通用的诊断代码,使程序具有通用性和实用性;以PC作为硬件平台,无需专门开发硬件平台,可大大降低开发成本并且易于实现设备的升级和维护;使用USB接口和2.4G无线通信,具有即插即用、不受空间限制、数据传输实时性强的特点。
13.56MHz NFC天线,13.56MHz RFID天线设计培训课程套装,让天线设计不再难
上一篇:一种RFID在可信计算平台中的接入方案
下一篇:由种猪开始进行猪的RFID管理


