- 易迪拓培训,专注于微波、射频、天线设计工程师的培养
双频带GPS/Galileo射频前端接收系统的设计方案
0 引言
全球导航卫星系统GNSS(Global Navigation Satel-lite System)近年来得到了广泛的引用,从而引发相关领域的高度关注。目前的接收机模式无法满足日益增长的使用精度要求。所以,在原有的单模接收机的基础 上研发更高精度、更加稳定耐用的双模接收机成为研究的核心。
本文提出了一种GPS/Galileo双频双模接收机射频前端系统的设计方案,该方案结合现有资源,展示出了该种接收机设计的实例。重点分析了混频部分、本振部分及控制部分的功能及实现。最后利用频谱仪及射频信号发生器等设备对实例进行系统级测试,验证了系统结构的正确性。
1 GPS/Galileo 双模双频接收机系统
1.1 接收机结构
设计接收机首先要考虑的就是频带的选择。如图1所示,GPSL1/L5和GalileoE1/E5a中心频率相同,如果选择该频段的话,那么很多的元器件可以得到复用,从而极大地减少了研发和生产成本,同时也可以减小接收机的体积。

比较流行的双频双模接收机射频前端的结构大致有信号独享通道、公用信道、通过控制使某一时刻通道内只有一个载频信号三类。本设计以第三种方案为基础,在尽可能减少信号相互干扰的同时,争取最大限度地复用元器件。结构图如图2所示。

1.2 接收机系统整体性能指标
在参考接收机的性能要求的基础上,设计GPS接收机射频前端芯片的各项系统指标见表1.

2 GNSS 接收机射频前端芯片选择
考虑市场现有的相关器件的芯片资源,在GPS接收机系统整体性能指标及结构的基础上,结合各个功能电路模块的性能指标参数,为最终利用所选芯片制作实际的射频前端电路系统做准备。
2.1 低噪声放大部分
低噪声放大部分选用INFINEON TECHNOLOGIES公司的BGA430芯片。BGA430芯片为宽带高增益LNA芯片,5 V供电的情况下该芯片在导航频段的增益可以达到28 dB以上,噪声系数在2.4 dB以下。低噪声放大器的噪声系数应该尽可能的小,但又要考虑电路的设计难度和制作成本。综合以上考虑,BGA芯片同时满足系统的增益、NF及线性度的要 求。其电路图如图3所示。

2.2 混频部分
设计的混频部分选用ANALOGDEVICES公司的AD8347芯片。其电路图如图4所示。

2.3 本振部分
本振部分选用SILICON LABS公司的Si4133[4]芯片。
Si4133芯片可用来进行双波段的射频合成及中频频率合成。该芯片的锁相环是时分复用的,通过对电路电感的设计,使它能很好的工作在两个不同的频 率范围。另外Si4133芯片具有很低的相位噪声。因此综合以上考虑Si4133 芯片满足本设计中本振部分的需求。其电路图如图5所示。

2.4 带通滤波部分
带通滤波部分选用ANALOG DEVICES 公司的AD8132芯片。该芯片提供差分信号输入与输出,并且可以单电源(+5 V)供电。通过外接电容、电阻,可以分别组合形成Q、I路二阶差分有源滤波器。并通过对电容、电阻值进行调节,可以分别改变Q、I路二阶差分有源滤波器的 增益及中心频率。并且经测试该芯片可以满足中心频率为4 MHz左右,-3 dB带宽为8 MHz左右,带外抑制度为-30 dB左右的条件。其电路图如图6所示。

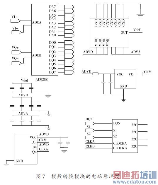
2.5 模数转换部分
模数转换部分选用Analog Devices公司的AD9288芯片。其是一款双通道8位单芯片采样模数转换器,内置片内采样保持电路,编码输入为TTL/CMOS兼容,8位数字输出 为TTL/CMOS兼容,单独的输出电源引脚支持3.3 V 或2.5 V 逻辑接口。能够满足本设计的具体要求并同时具有低成本、低功耗、尺寸小和易用性好等优势。其电路图如图7所示。

2.6 控制部分
控制部分由单片机完成,控制部分分为三部分:射频开关切换控制部分、本振频率切换控制部分、模数转换工作模式选择控制部分。下面分别加以说明。
对于低噪声放大部分中的射频开关控制,可以通过设置与单片机某输出管脚相连接的SELECT 的电平高低对两个信道进行切换,实现GPS L1/GALILEO E2-L1-E1信号和GPS L5/GALILEO E5a信号的分时复用。对于本振部分的射频输出信号的控制,可以在连接合适大小电感的前提下,利用单片机与芯片的串行接口配置正确的参考分频比和VCO分 频比就可以使芯片的两个射频通道产生两个频率分别为1 571.328 MHz和1 171.335 MHz的本振信号,用于GPS L1/GALILEOE2-L1-E1 信号和GPS L5/GALILEO E5a信号的解调。对于模数转换部分工作模式选择部分的控制,可以通过设置与单片机某两个输出管脚相连接的S1、S2 的电平高低对工作模式进行切换。
3 整机测试
本设计中采用Tektronix生产的频谱仪(RSA3408A)及Anritsu(MG3700A)生产的射频信号发生器对整机增益及噪声系数进行测试。
3.1 整机增益测试
L1(E1)通道整机增益测试结果如图8所示。

从图8 可以看出,-110 dBm 的输入信号输入整机放大后,可以获得-7.56 dBm 的中频信号,增益为102.44 dB,考虑到测试线的损耗为0.7 dB 以及射频SAW 的7 dB 以及中频滤波器的插入损耗0.2 dB,以及PCB走线损耗0.35 dB,因此在L1(E1)波段的整机增益为110 dB左右。
同理,可以对L5(E5a)通道整机增益进行测试,结果如图9所示。从图9可以看出,-110 dBm的输入信号输入后,经过整机放大后,可以获得-11.52 dBm的中频信号,增益为98.48 dB,考虑到测试线的损耗为0.7 dB以及射频SAW的7 dB以及中频滤波器的插入损耗0.2 dB,以及PCB走线损耗0.35 dB,以及单端测试损失的6 dB,因此在L5(E5a)通道波段的整机增益也为110 dB左右。

3.2 整机噪声系数测试
分别连接整机的输入测试端口到射频信号源,输出测试端口通过级联一级射频放大器接后接到频谱仪,并开启电源供电。设置射频信号源的输出信号频率为1 575.42 MHz,信号功率为-110 dBm.设置频谱的显示模式为S/A(带颜色显示模式),设置频谱仪的扫描中心频率为4 MHz,扫描带宽为100 kHz,观察频谱仪的显示输出,如图10所示。

增益GAIN = - 110 dB,整机输出噪声功率为-33.813 dBm,测试线的传输损耗为-0.7 dB,由噪声系数NF的计算公式可得:

设置射频信号源和频谱仪的中心频率为1 176.45 MHz,同样可以测得LNA的噪声系数为2.54 dB.
由以上结果分析可知所设计的双频双模接收机射频前端是符合设计要求的,具有使用价值。
4 结语
本文通过对GNSS接收机功能的研究,提出一种GPS/Galileo双频双模接收机射频前端系统,的设计方案,方案中介绍了该系统关键部分的具体设计方法。利用频谱仪及射频信号发生器等设备对实例进行系统级测试,验证了系统结构的正确性。从而证实了本设计方案具有很强的使用性,并对加快接收机芯片组研发具有重要意义。
如何成为一名优秀的射频工程师,敬请关注: 射频工程师养成培训
上一篇:HMSIW定向耦合器的仿真设计
下一篇:基于RFID的小型圆极化天线的研究

