- 易迪拓培训,专注于微波、射频、天线设计工程师的培养
软件定义无线电应用的转换器增益和时序误差实时校准
建议的校准方法
在实际中,ADC的Nyquist带宽不会全部用掉,其中的一部分通常专门为抗混叠滤波器的滚降特性预留。这一空闲的频带可以被用于注入受约束的校准信号。校准信号使用正弦波,因为正弦波很容易生成纯净的频谱,这样有两个主要的特性可以被应用:
1. 振幅可以保持的足够小,以避免对动态范围有任何影响,同时提供了很好的估算精度。试验表明,-40 dBFS至-35 dBFS电平范围适用于14位ADC。
2. 频率限制在以下离散值上,以便降低数字信号处理算法的复杂度:

其中,Fs是TI ADC采样频率,P和K是无符号整数,S=±1,具体取决于校准信号相对于Nyquist区边沿的位置(参见图1)。校准信号可以很容易的在片上通过使用小数N分频PLL以ADC时钟作为参考信号来产生。选择足够高的K值,校准信号的谐波会在有用带宽之外混叠,这会降低滤波要求。在PLL输出采用可编程衰减器能够实现摆幅调整。

图1:频率规划显示了校准信号的位置。
如果x0和x1表示两个子ADC的输出,而校准信号是其输入,可以使用公式1来表示它们,下面的表达式将这两路信号连接起来(忽略了噪声):

这一线性滤波公式的系数h0和h1可以明确地对应于增益g和时序Δt误差:

可以使用一阶近似,而设计中的失配误差比较小,将这一非线性方程组线性化并求逆。
估算算法包括以下三个步骤:
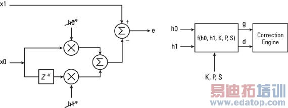
1. 提取出校准信号,使用LMS算法,从子ADC的输出消除它,产生离散时间信号x0和x1。这一算法要求在校准频率上应用数字余弦/正弦参考信号。使用容量为4K (实际中,K<64)的小规模查找表(LUT)来产生余弦信号。通过简单的将余弦信号延时K来产生正弦信号。
2. 如图2所示,使用LMS算法,从提取出的x0和x1信号中自适应估算出系数h0和h1。
3. 从公式3中得到的线性方程组中计算出增益和时序误差。

图2:通过2抽头数字自适应滤波器进行增益和时序误差背景估算。

