- 易迪拓培训,专注于微波、射频、天线设计工程师的培养
TI CC2530系统级芯片ZigBee应用方案
TI 公司的CC2530是真正的系统级芯片(SoC),适用于2.4GHz IEEE 802.15.4,ZigBee和RF4CE应用. CC2530包括了极好性能的一流RF收发器,工业标准增强性8051 MCU,系统中可编程的闪存,8KB RAM以及许多其它功能强大的特性,可广泛应用在2.4-GHz IEEE 802.15.4 系统, RF4CE遥控制系统,ZigBee系统,家庭/建筑物自动化,照明系统,工业控制和监视,低功耗无线传感器网络,消费类电子和卫生保健.本文介绍了CC2530的主要特性,方框图以及应用电路图和所用元件表. 此外还介绍了CC2530EMK评估模块套件的主要特性和详细电路图。
A True System-on-Chip Solution for 2.4-GHz IEEE 802.15.4 and ZigBee Applications
The CC2530 is a true system-on-chip (SoC) solution for IEEE 802.15.4, Zigbee and RF4CE applications. It enables robust network nodes to be built with very low total bill-of-material costs. The CC2530 combines the excellent performance of a leading RF transceiver with an industry-standard enhanced 8051 MCU, in-system programmable flash memory, 8-KB RAM, and many other powerful features. The CC2530 comes in four different flash versions: CC2530F32/64/128/256, with 32/64/128/256 KB of flash memory, respectively. The CC2530 has various operating modes, making it highly suited for systems where ultralow power consumption is required. Short transition times between operating modes further ensure low energy consumption.
Combined with the industry-leading and golden-unit-status ZigBee protocol stack (Z-Stack) from Texas Instruments, the CC2530F256 provides a robust and complete ZigBee solution.
Combined with the golden-unit-status RemoTI stack from Texas Instruments, the CC2530F64 and higher provide a robust and complete ZigBee RF4CE remote-control solution.
CC2530主要特性:
RF/Layout
2.4-GHz IEEE 802.15.4 Compliant RF Transceiver
Excellent Receiver Sensitivity and Robustness to Interference
Programmable Output Power Up to 4.5 dBm
Very Few External Components
Only a Single Crystal Needed for Mesh Network Systems
6-mm × 6-mm QFN40 Package
Suitable for Systems Targeting Compliance With Worldwide Radio-Frequency Regulations: ETSI EN 300 328 and EN 300 440 (Europe), FCC CFR47 Part 15 (US) and ARIB STD-T-66 (Japan)
Low Power
Active-Mode RX (CPU Idle): 24 mA
Active Mode TX at 1 dBm (CPU Idle): 29 mA
Power Mode 1 (4 µs Wake-Up): 0.2 mA
Power Mode 2 (Sleep Timer Running): 1 μA
Power Mode 3 (External Interrupts): 0.4 μA
Wide Supply-Voltage Range (2 V-3.6 V)
Microcontroller
High-Performance and Low-Power 8051 Microcontroller Core With Code Prefetch 32-, 64-, 128-, or 256-KB In-System-Programmable Flash
8-KB RAM With Retention in All Power Modes
Hardware Debug Support
Peripherals
Powerful Five-Channel DMA
IEEE 802.15.4 MAC Timer, General-Purpose Timers (One 16-Bit, Two 8-Bit)
IR Generation Circuitry
32-kHz Sleep Timer With Capture
CSMA/CA Hardware Support
Accurate Digital RSSI/LQI Support
Battery Monitor and Temperature Sensor
12-Bit ADC With Eight Channels and Configurable Resolution
AES Security Coprocessor
Two Powerful USARTs With Support for Several Serial Protocols
21 General-Purpose I/O Pins (19× 4 mA, 2× 20 mA)
Watchdog Timer
Development Tools
CC2530 Development Kit
CC2530 ZigBee Development Kit
CC2530 RemoTI Development Kit for RF4CE
SmartRF Software
Packet Sniffer
IAR Embedded Workbench Available
CC2530应用:
2.4-GHz IEEE 802.15.4 Systems
RF4CE Remote Control Systems (64-KB Flash and Higher)
ZigBee Systems (256-KB Flash)
Home/Building Automation
Lighting Systems
Industrial Control and Monitoring
Low-Power Wireless Sensor Networks
Consumer Electronics
Health Care

图1.CC2530方框图

图2.CC2530应用电路
外接元件表(不包括电源去耦电容):

CC2530EMK评估模块套件
The CC2530 Evaluation Module Kit contains two CC2530 Evaluation Modules, which can be used either as standalone modules (requires external power) or connected to e.g. the SmartRF05EB Evaluation Boards (not included in kit) for full control from the PC. The evaluation modules can be used as a reference module for prototyping and for verifying the performance of the CC2530 RF IC. The CC2530 RF SoC enables both consumer and industrial grade applications by offering state-of-the-art selectivity/co-existence, excellent link budget, operation up to 125℃ and low voltage operation.
Features
The CC2530EMK includes:
2 x CC2530EM Evaluation Modules
2 x 2.4 GHz Antennas
Documentation

图3.CC2530EMK评估模块外形图
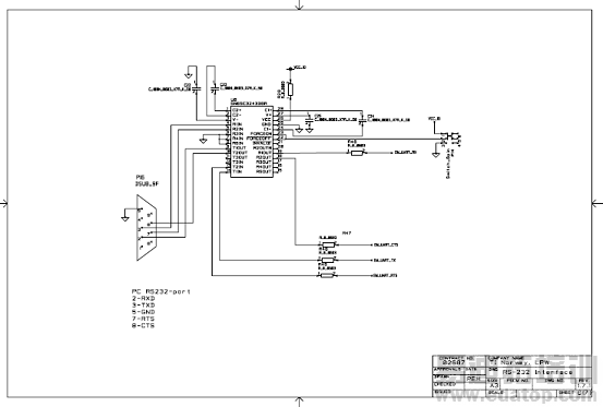
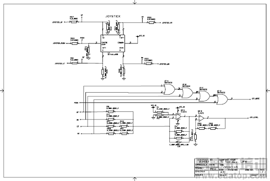
Please refer to the following pages for the schematics for
CC2530 Evaluation Module
CC2531 USB Dongle
SmartRF05 Evaluation Board

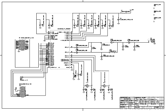
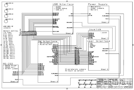
图4.CC2530EMK评估模块电路图(1)

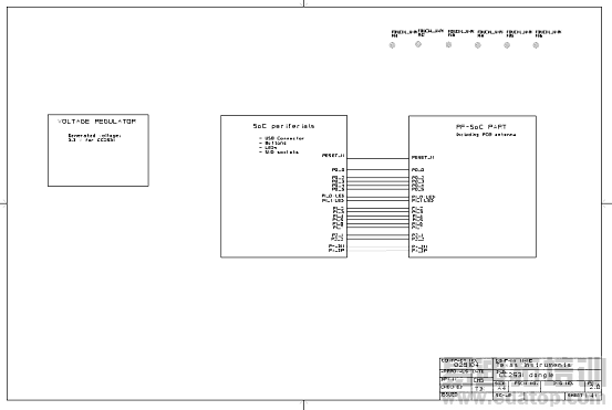
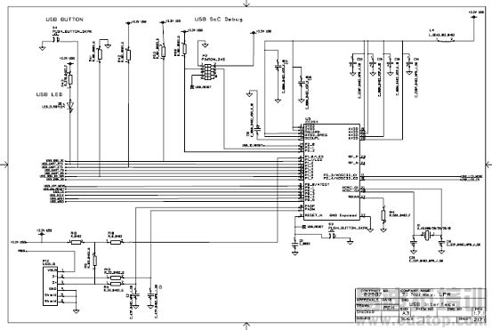
图5.CC2530EMK评估模块电路图(2)

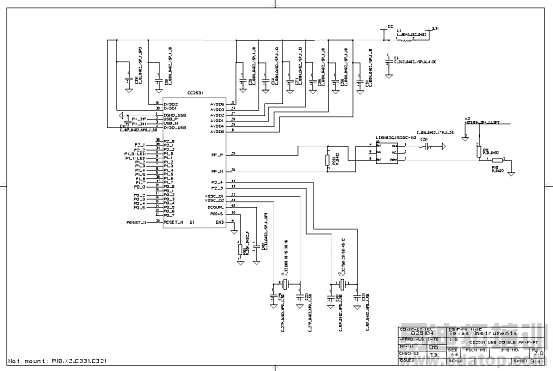
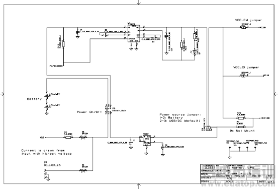
图6.CC2530EMK评估模块电路图(3)

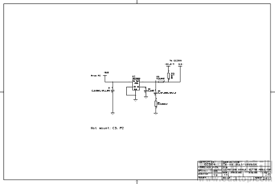
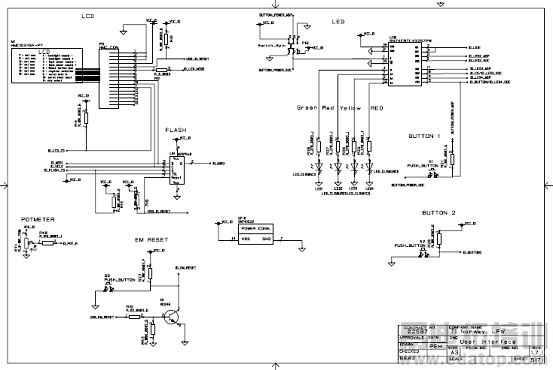
图7.CC2530EMK评估模块电路图(4)

图8.CC2530EMK评估模块电路图(5)

图9.CC2530EMK评估模块电路图(6)

图10.CC2530EMK评估模块电路图(7)

图11.CC2530EMK评估模块电路图(8)

图12.CC2530EMK评估模块电路图(9)

图13.CC2530EMK评估模块电路图(10)

图14.CC2530EMK评估模块电路图(11)

图15.CC2530EMK评估模块电路图(12)

