- 易迪拓培训,专注于微波、射频、天线设计工程师的培养
DMR终端锁相调频接收机的设计
欧洲电信标准协会(ETSI) 于2004年提出新型数字集群通信系统DMR(Digital Mobile Radio),DMR系统与TETRA和iDEN系统相比具有易于实现、成本低廉等优势,已经开始受到国内外各大集群设备生产厂商的高度重视。
因此,文中提出一种专门针对DMR系统的接收机设计,对射频信号采用两次下变频,先后得到45.05 MHz和455 kHz的两个中频信号,最后再由鉴频芯片TA31 136解调得到语音信号。本方案具有成本低,性能良好,接收分辨率高,覆盖范围广等优点,已成功应用在我们开发的DMR数字终端设备上。
1、本接收机的总体设计方案
其中两个BPF均为分立元件搭建、陶瓷滤波器。MCF采用成品元件、IF AMP为三极管搭建,在此不进行详述。下面主要对各重要模块设计进行详细说明。

图1 总体方案
(1)低噪放LNA的电路设计。
本接收机用于实际批量产品,处于降低成本的考虑,低噪放LNA采用MOS管3SK318及外围电路来实现,其电路图,如图2所示。

图2 低噪放原理图
通过调节3SK318的偏执电路,当供电电压为5 V时,上图中有V1=4.91 V,V2=4.81 V,V3=0.99 V,V4=2.0 V,此时LNA的放大增益为20 dB。
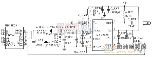
(2)接收机本振锁相环电路设计。
本接收机的本振由MAX2620和MB15E03L所组成的锁相环频率合成器来提供。Maxim公司的MAX2620是一种使用非常方便的振荡器芯片,其内部组成,如图3(a)所示。MAX2620提供一个缓冲放大输出级,能够减少负载变化对振荡器频率的影响,供电电压范围为2.7~5.25 V,内部设有偏置电路以稳定其工作点,使工作受电源波动的影响减小,并具有电源关断能力,由SHDN端控制。两个互补的输出(OUT与OUT)可以构成两个单端输出或是一个差分输出,MAX2620采用双极技术,输出为集电极开路,因此输出需要上拉电阻。针对不同的负载两相输出功率分别可达-2 dBm和-10 dBm,在本设计中OUT输出已调频信号,OUT输出作为PLL反馈频率供鉴相使用。

图3 MAX2620内部结构及小信号等效模型
压控振荡器的设计采用传统的Colpitts共射串联谐振结构,这种结构可以工作在很宽的频率范围内以满足系统宽带要求。MAX2620采用双极设计结构,其交流小信号等效电路,如图3(b)所示,其中电容C1,C2,寄生电容Cp1、Cp2及跨导gm决定了振荡器的输入阻抗为
Colpitts振荡器就是利用"负阻"原理实现振荡的。得到有源电路的输入阻抗及单端口网络参数S11之后,构建与有源部分相对应的LC谐振槽路。VCO整体结构,如图4中MAX2620部分所示。搭建VCO后,测量得到VCO振荡频率范围为:420~470
Colpitts振荡器就是利用"负阻"原理实现振荡的。得到有源电路的输入阻抗及单端口网络参数S11之后,构建与有源部分相对应的LC谐振槽路。VCO整体结构,如图4中MAX2620部分所示。搭建VCO后,测量得到VCO振荡频率范围为:420~470 MHz @ 0~4 V,调制灵敏度为12.5 MHz/V,并且线性度良好。MAX2620内部集成了VCO缓冲放大输出级,能够减少负载变化对振荡器振荡频率的影响。输出以提升电感和串联电容匹配至50Ω负载,OUT端只需50Ω提升电阻并耦合反馈至频率合成器即可。
完成VCO后根据所选路的PLL频率合成芯片设计环路滤波器。PLL频率合成芯片MB15E03SL是Fujitsu公司生产的串行输入吞脉冲PLL频率合成器,最高支持1.2 GHz的工作频率,内部集成了低噪声数字鉴相器,可设置双模比例因子M/M+1,14 bit可编程参考分频比R及18 bit的可编程N分频器,芯片提供非常简单的三线SPI串行输入设定上述各项参数得到所需频率,输出频率计算式为
MB15E03SL其他参数详见数据手册,锁相环频率合成器设计原理图,如图4所示。

图4 本振锁相环电路原理图
根据系统要求:信道间隔12.5 kHz,容差±2 ppm,锁定时间<4 ms,根据文献[2]计算得环路带宽必须满足Fc≥1.6 kHz。由于增大环路带宽可以减小锁定时间,而环路太宽则会严重影响相位噪声,并且一般要求Fc不超过比较频率FPD的1/5,选择Fc=2.5.kHz。在VCO调制灵敏度等于20 MHz/V,电荷泵增益选择为Kφ=±1.5 mA,比较频率fPD=1 2.5 kHz,输出频率范围为420~470 MHz,环路滤波带宽Fc=2.5 kHz,相位裕量φ=48°,环路滤波极点比T3/T1=45%,参考输入频率13 MHz的条件下计算环路滤波器的各项参数。得到环路滤波器参数为:R_LF1=3.3 kΩ,R_LF2=5.6 kΩ,C_LF1=4.7 nF,C_LF2=47 nF,C_LF3=2.2 nF 。理论计算结果表明,在此环路条件下锁相环锁定时间Lock-time=1.3 ms,相位噪声能达到PN=-94.07 dBe/Hz@10kHz,环路带宽Fc=2.56 kHz,相位裕量为39.52°,已经能够达到系统需求,根据此环路滤波条件建立调频锁相环原理图,如图4所示。图5为锁相环430 MHz时的杂波测试图。
(3)下变频混频器电路设计。
Maxim公司的MAX2680是一低功耗、低噪声系数,专门适用于低电压操作的下变频混频器。它的适用频率为400~2 500 GHz,供电电压为2.7~5.5 V,具有较高的三阶输入截止点(IIP3在2 450 MHz)和<0.1μA的低功率关闭模式,是手持通信设备的理想器件,因此本设计采用此芯片。电路设计,如图5所示。

图5 430MHz载频处参考杂波
本接收机采用两次下变频进行鉴频,MAX2680为第一次下变频,产生一个45.05 MHz的中频信号。/SHDN为开关控制使能端,当为低电平时芯片不工作,当为高电平时芯片正常工作。接收的RF信号范围为400~450MHz,满足MAX2680的适用范围,本振信号L0由锁相环混频器产生。理论上,当RF为400 MHz,L0为445 MHz时,混频的增益为11 dB;而实际测量:当RF为405 MHz,功率为-48 dBm,L0为450.05 MHz,功率为-16 dBm时,输出IF为45.05 MHz,功率为-54 dBm。满足后续模块(鉴频芯片TA31136对输入信号的要求)对功率信号的要求。

图6 下变频混频器原理图
(4)鉴频器的电路设计。
TA31136是一个低电压操作的FM中频检测芯片,它主要适用于无线电话机中。TA31136的工作电压为1.8~5.5 V,它内部包含了一个输入中频信号为10~100 MHz的2ndIF混频器,一个噪声检测电路、一个高增益的限幅中频放大器和一个陶瓷,中周均可适用的积分鉴频器,另外该芯片还具有RSSI功能。由于该接收机采用两次下变频鉴频,第二次下变频和鉴频均可在TA31136中实现,因此本设计采用该鉴频芯片,鉴频器电路设计,如图7所示。

图7 鉴频器电路原理图
第一次下变频由MAX2680产生的45.05 MHz的IF信号经过晶体滤波器滤除邻近的杂波信号,通过IF放大器放大后,从TA31136的Pin16进入,与由晶振产生的44.595 MHz信号进行混频产生455 kHz的第二中频信号。455 kHz的中频信号从Pin3输出经由陶瓷滤波器XF3滤波,再从Pin5进入IC,经IC内部的IF放大器放大后输入到积分鉴频器中进行解调,最后经过一个LPF输出语音信号。
TA31136输出的音频信号一部分通过一个分压电路进入IC的Pin7和Pin8,通过IC内部的滤波器和放大器对其噪声分量进行放大、整流产生一个和噪声分量相对应的直流电压信号,直流电压信号与来自MCU内部设定好的电压值比较大小,MCU根据比较结果输出高低电压信号来控制TA31136的Pin14来实现接收信号时静噪的打开和关闭。
2、接收机测试结果
输入到接收机的是由AgilentE4438C信号发生器产生的410MHz调频信号,功率为-30dBm;调制信号是1kHz的正弦信号,Vpp为1V。图8(a)为用Agilent89600系列矢量信号分析仪(VGA)测得调频信号的频谱,图8(b)是Agilent89600解调出的基带信号。

图8 410MHz单音调频信号频谱及时间—频偏曲线
图9为接收机鉴频出的基带信号,可以看到解调出的信号失真很小。该接收机通过测试,鉴频出的信号与原信号误差<1%,符合无线通信要求。改变输入调频信号的功率,测得当为-80 dBm时,能有鉴频信号输出,当再<-80 dBm时,不能鉴频,即为接收机的接收灵敏度。

图9 接收机鉴频出的基带信号
3、结束语
实际的DMR接收机制作在一块20 cm×10 cm的4层印制板上,表面敷铜到地,供电电压为5 V。由3SK318、MAX2680、MAX2620、MB15E03SL和TA31136构建的调频接收机具有受外界分布参数影响小、调试方便、成本低廉等特点,目前已成功应用在开发的DMR数字终端设备样机中。
作者:李伟、杨鹏、杨懋,西安电子科技大学

