求助ADS2008射频电路设计与仿真书中功放优化的问题
录入:edatop.com 阅读:


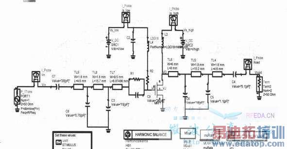
书上功放设计最后进行优化两句话就从第一张图跳到了第二张图。有点迷糊。两张图差别还蛮大的。请问一下中间到底是怎么做的啊。给个大概的步骤思路就好啦不胜感激
第一个问题,个人理解就是经过优化之后;
第二个问题,TL3之所以是低阻抗,主要是考虑到管子的漏极宽度,微带焊盘的宽度要大于等于漏极宽度,对应阻抗要低于50欧姆;
最近也在做这个,遇到一些问题,正在解决中,大家共同交流
再补充一个问题。在做负载牵引的时候,为什么书上的3段微带线Z不一样啊?
我做的时候都是50.。
第二个问题我懂了,第一个还是没懂。经过优化是指把原来图中的元件都替换成微带的吗?
经过优化是指把原来图中的元件都替换成微带的吗,是不是?
不知道啊。看上去是吧。不然ADS还能自动替换吗。
集总元件用ATC或者村田电容模型,微带用实际长度和宽度代入
最近我也在做这个,为什么我优化过后出
现报错
.。不知道啊。你把整个电路图贴出来看看吧。
这个图具体是怎么由前面一个图 替换过来的有哪些是需要改的啊怎么会报错呢

申明:网友回复良莠不齐,仅供参考。如需专业解答,请学习本站推出的微波射频专业培训课程。

