CST天线建模问题
录入:edatop.com 阅读:
各位朋友,小弟现在工作遇到了些问题,大家帮忙出出主意吧!
下图1是天线结构,上下两层贴片,通过同轴探针给上层贴片馈入差分信号,再通过一个过孔连接上下两层贴片,给下层贴片馈电,形成上下两个谐振频率,上层5.2GHz,下层2.4GHz,
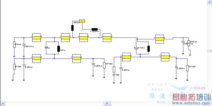
我现在要做的就是建天线的等效电路模型,我的思路是这样的,上下两层贴片用传输线模型建立等效电路型,中间的连接过孔等效引入等效电感,和电容,我认为这个电容主要是上下两层天片点成的耦合引起的,不知道对不对?而且,上下两层贴片的耦合不会计算,请大家指点指点,下图2是我的cst等效电路,下图3是s参数,图4是斯密斯圆图,结果太正确请大家指教!谢谢了!




下图1是天线结构,上下两层贴片,通过同轴探针给上层贴片馈入差分信号,再通过一个过孔连接上下两层贴片,给下层贴片馈电,形成上下两个谐振频率,上层5.2GHz,下层2.4GHz,
我现在要做的就是建天线的等效电路模型,我的思路是这样的,上下两层贴片用传输线模型建立等效电路型,中间的连接过孔等效引入等效电感,和电容,我认为这个电容主要是上下两层天片点成的耦合引起的,不知道对不对?而且,上下两层贴片的耦合不会计算,请大家指点指点,下图2是我的cst等效电路,下图3是s参数,图4是斯密斯圆图,结果太正确请大家指教!谢谢了!




没看懂你的馈电点
中间的两个同轴馈电——driving point ,同轴从接地板上来,馈的是差分信号
申明:网友回复良莠不齐,仅供参考。如需专业解答,请学习本站推出的微波射频专业培训课程。
上一篇:HFSS边界的一些问题
下一篇:功率计的功率积分频带问题

