恒流输出晶体管尺寸太大的问题
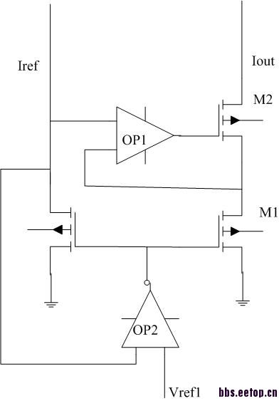
下图为加运放的威尔逊电流镜,但这种结构会导至输出端口MOS管M1和M2(输出电流大约为20mA)尺寸太大,而且运放OP1也造成面积的浪费.小弟刚入门模拟电路,请各位大侠指点一下,有没有什么方案可以减少输出端口面积,但电流复制精度大约为5%?万分感谢各位大神啊
.
输出电流多大?若输出电流不是特别小,cascode mirror就可以。
两mos漏端压差不太大,一般的mirror也可以。
一般的mirror就可以了 如果觉得精度不够 那么就保证DS尽可能相等
输出电流约为20mA,cascode结构跟上面的结构对于尺寸来说没什么区别呵.因为上图的M1M2都是工作在线性区,如果使用一般的MIRRO,必须保证MOS管工作在饱合区,这样MOS尺寸会很大,经过计算,用一般MIRRO与用上面结构的面积差不多,所以现在想寻求一种减少面积的方案.
一般MIRRO怎样才能保证VDS相等呢?救赐教哈.输出为恒流,所以用一般MIRRO的话必须保证MOS工作在饱合区,这样造成MOS面积很大,上图M1M2都是工作在线性区,可以减少尺寸
这就是你没有将问题描述清楚了,
工艺中有大功率bjt么?还有一般电流恒定的话,是管子越大,工作越进入线性。而饱和区是尺寸较小的(若电流恒定)。
这个不是威尔逊电流源哦,从左边到右边是单向的,没信号的反馈。
呵呵,我的错,没把问题说清楚。是这样的,因为要求VOUT最低电压要1V开启,所以如果使管子进入饱合区,有β*W/2L*(VGS-VT)^2=20mA,VGS-VT=1V,这样饱子W/L约为500,(β=80)。如果工作在线性区,因为有运放,所以图中的M2栅极可达到5V,假设M1漏极电压为0.3V,对于M1,则有β*W/L*(VGS-VT-VDS/2)*VDS=20mA,W/L=93.加上M1的尺寸,并不会比单管电流镜大。呵呵
呵呵,是不是反馈让运放输出端改变,对于MOS管来说,没有反馈?
威尔逊电流源经常被abuse
abuse?滥用?
对,挂羊头卖狗肉。以为用的是威尔森源,实际看到的并不是。
呵呵,这都怪小弟学业不精哈。大神能否对这个问题给点建议?
找本教科书看看威尔逊电流源回路是啥样的,看明白了就知道什么才是威尔逊电流源了。
你这个电流产生是 基准/电阻了。将漏端电压压低,进入线性。
还是不了解你这个电流源用在什么地方,是做负载呢,还是就是产生一个偏置电流。而且不用电流镜,你怎么将产生的电流去镜像出去,不用电流镜,像你目前的做法就可以用基准和电阻产生20mA的电流,但要将该电流用在其他地方,仍然要镜像。
说白了,看不到全像,你只给我们描述了一角。
刚才看了下图,你是要对基准电流20mA做镜像把,请无视我上面说的,我应该先看下图再说的。
仔细看了下你最开始的描述,按你的意思3个NMOS都是线性区,你用反馈可能不行,需要很高增益的运放,否则环路增益太低,不能起到反馈作用。若按你这个实现,也要将NMOS工作在饱和区。你可以试一试,看NMOS线性区电流镜像精度。op不要用理想的,你用实际的搭以下。你会发现我说的这个问题。
所以你这个也是不行的。你有耗尽管么?
你的M2管是LDMOS的吧,要考虑清楚那个占面积,如果是下面镜像管占面积,可以考虑在Ids,W/L, VREF 三个之间折中考虑,如果LDMOS M2比较占面积,这样你就要考虑vref的设定是否合适,影响到你的面积,vref的设定关系到你三个管子的尺寸。属慎重考虑!vref应该在500mv以下,但不能太低,否则下面镜像管面积增加,太大则M2面积增加!此电路最重要的应该是设定好VREF。
呵呵,多谢大神这么详细的解答。工作在线性区是作一个极限的比喻,这样比校好说。一般来说M2为高压MOS管,Vref1设为0.3V,所以M1工作在线性区,M2根据VOUT的电压会改变工作区状态。一般M2会工作在饱合区。呵,不有耗尽管。现在考虑有没有单管来实现恒流输出。因为有多个输出通道,所以下图的方法也不行,因为只能外接一个电阻来调节输出电流。
嗯,Vref的设定是关键。现在是想找出一种更省面积的方法。最近几天查找了输出用两个MOS管的方法,都无法省面积。不知有没单个MOS管的恒流方案。
这个一点问题都没有 一般opamp的增益足够了 做过ldo没 原理和ldo一样可以工作在线性区
是做display led driver用的吧
呵呵,都dropout了,精度能够?而且他那个不止一级线性区。你再想想把。
嗯,LED显示屏驱动
不知道威尔森源是不是LZ设计的初衷了。
申明:网友回复良莠不齐,仅供参考。如需专业解答,请学习本站推出的微波射频专业培训课程。
上一篇:背栅效应与体效应有什么区别
下一篇:class d rdson 测试

