- 易迪拓培训,专注于微波、射频、天线设计工程师的培养
电源抗干扰中滤波电感的应用
1 引言
随着开关电源类的数字电路的普及和发展,电子设备辐射和泄漏的电磁波不仅严重干扰其他电子设备正常工作,导致设备功能紊乱、传输错误、控制失灵,而且威胁着人类的健康与安全,已成为一种无形污染,并不逊色于水、空气、噪声等有形污染的危害。因此降低电子设备的电磁干扰(EMI)已成为世界电子行业关注的问题。为此欧洲共同体有关EMC委员会制定有关法令于1992年1月1日开始实施,历时4年后于1996年1月1日最终生效。该法令指出凡不符合欧洲和国际 EMC标准规定的产品一律不得进入市场销售,违者重罚,同时把EMC认证和电气安全认证作为一些产品认证的首要条件。此举引起世界电子市场巨大的震动, EMC成为影响国际贸易一个重要的指标。为了与国际接轨,我国也相继制定了有关EMC法规。为此我国多次召开电磁兼容标准与论证会,建议自1997年1月 1日起在市场上流通的电子设备必须制定、设计对无线电干扰的抑制措施,安置抑制元器件,使产生的电磁干扰不超过标准规定的电平。于2001年1月1日起凡进入市场产品必须有EMC标志。这是我国电子产品参与国际市场竞争的第一步。
2 抗干扰滤波器特征
抗干扰滤波器与通常的信号滤波器之间有着概念上的区别。信号滤波器是在阻抗匹配的条件下工作,即通过滤波器要保持输入与输出信号振幅不变为前提,将其中部分频域作预期的处理和变换。而EMI滤波器用于抑制进入设备与出自设备的电磁干扰,具有双向抑制性。因此这就要求EMI滤波器的端口处与设备产生最大失配。这样才能使滤波器对电磁干扰的衰减等于自身网络的衰减再加上输入和输出端口所产生的反射,必须遵循如下规律,见表1。其中Rs为电网输入阻抗,随着电量大小而变化;RL是EMI滤波器的输出阻抗,随负载大小而变。


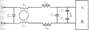
图中LC1LC2,Cy1Cy2构成共模滤波电路,LC1LC2为共模滤波电感,而Ld1Ld2Cx1Cx2构成差模电路。共模电感Lc一般数值 0.3mH~38mH,共模电容Cy,只要控制在漏电电流于<1mA条件下,选择较大数值为准。而差模电感Ld一般在几十至几百微亨,其电容应选耐压大于1.4kV的陶瓷或聚酯电容。Ld1Ld2差模电感、电容值越大,低频效果越好。市场上购买的EMI滤波器大都是对共模干扰设计的,对差模抑制效果很差。实际上开关电源中共模与差模干扰同时存在,特别对于有源功率因数校正电路中差模干扰的强度很大。对于开关电源,EMI滤波器对高频的EMI信号抑制比低频的EMI传导消除容易得多。常常利用共模电感的差值形成的差模电感就能消除300kHz~30MHz传导干扰电平。设计和选用滤波器一定要根据电路的实际需要而定。首先测出传导干扰电平与所规定的EMC标准极限比较,一般0.01MHz~0.1MHz是差模干扰起主导作用,0.1MHz~1MHz是差模与共模干扰联合作用,而1MHz~30MHz主要是共模干扰起作用。根据实验结果来判断和选择对超标信号有抑制作用的滤波器或器件。当然实际操作相当复杂,要有相当高的技术水平和经验。
3 EMI滤波器中电感材料的选择
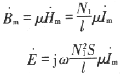
降低电子设备的电磁干扰已成为电子产品是否有市场的关键问题。而软磁材料已成为EMI滤波器中不可少的元件,并起着举足轻重的作用。现在用软磁材料制成的各种抑制EMI元器件广泛地应用于各种电子电路和设备之中。这是因为软磁材料具有它独特的性能,致使其在抗电磁干扰领域发挥主要作用。然而,电子产品生产厂家希望能得到通用EMI滤波器对所有的电子设备都能把干扰降低到标准以下,这是不现实的。EMI滤波器的设计要根据该电子设备的EMC标准,即需要衰减 EMI信号的频段范围和超标电平高低来选择,特别是其中的软磁材料。因为软磁材料种类繁多,各有自己的电磁特征。除了基本磁参数如Bsμi损耗外,还要利用它们的电特性、电阻率、频宽、阻抗等。根据所需衰减干扰信号范围,确定对应的滤波电路,然后再精心挑选适合于该频段的磁性材料,滤波电感才能达到最经济和最佳效果。想用一种材料满足各种抗干扰滤波器是不能达到预期效果的,必需选用适合该频段的磁性材料。从材料的观点看,EMI滤波器的作用是阻隔不需要的信号并以发热的形式消耗掉,而让需要的信号无衰减或几乎不衰减地通过。值得指出的是以发热形式所消耗掉的能量并不是指线圈在电流作用下的焦耳热(即 I2R)。故在绕制线圈时一定要选用足够大线径的铜线,尽量减少这种能量的损耗。从电学观点可把滤波器中带有磁性材料的电感在频率较低时等效为纯电感L和纯电阻R的串联,其阻抗Z=R+jωL。对于平均直径为D的圆环,根据安培定律和电磁感应定律可得到:
e=N1S·dB/dt
H=N1I/l
式中N1,I——为环形磁芯上激磁线圈匝数和电流;
S——磁芯截面积;
l——平均磁路长度(πD)。
用相量表示为:

式中μ=μ′-jμ″
磁芯在低频时可等效为:Z=R+jωL=E/Im
代入上式

于是可以得到:

通过上式把磁学参数与电学参数直接联系起来。它表示磁性材料的磁性参数在电路中充当的角色。式(1)表述电路中的电感直接与磁材料的弹性磁导率μ′有关,表示器件的储能大小与频率无关的纯电感性。而电路中电阻R与磁性材料复数磁导率的虚数部分μ″有关。式(2)则既与材料的涡流损耗、磁滞损耗及剩余损耗等有关,并且与频率也有关。反映在电学上就相当于等效电阻R。最后都转变成器件的热能散发到空间,而EMI滤波器中的电感能够滤去干扰信号就是利用了磁性材料的这一特征。从另一个角度看,EMI滤波电感发热是正常的,只要不影响电路的正常工作就行了。图2是滤波器电感在串联等效电路中R与频率关系曲线。相当于电感的插入损耗曲线。在低频段即f〈f1时,电感在电路中阻抗R小得可以不计,电流风乎无损耗的流过。在此阶段电感磁世间本身耗能很少,主要是线圈发热为主(I2R)。只有大电流工作环境下才考虑这一部分能量转换的热量。如在大功率晶闸管调光灯电路中的抗干扰电感,因为电流高达20A~50A,甚至更高,即使线绕电阻很小,但能量与电流的平方成正比,所以线圈的发热量很大。这时只有增加铜线的线径(单股或多股),才可使线圈温度大幅度下降。当频率在f1~fc频段时,由阴抗曲线可以看出等效电阻R随频率提高而逐渐增大。这说明电路电感储能的功能随频率的升高而降低,损耗随频率而增加。在fc点附近等效电阻R迅速增加,从磁学的观点看,磁性材料吸收了电路中的高频能量转变成材料内部损耗,如磁畴壁的运动及其引起的微涡流效应等微观损耗。在fc点附近不再具有贮能作用。而fc的高低与磁性材料性能有关。一般来说铁氧体材料fc高,金属磁性材料fc;较低。但对同一种材料可改变制作工艺材料的成分,人为地调节fc的高低。当频率超过fc以后阻抗开始下降,而到f2时双出现小的峰值,这是在高频下寄生电容Cw引起的谐振吸收。这个峰值的频率高低与电感分布参数有关,与材料的性能关系不大。实际上EMI滤波电感的抗干扰作用就是利用磁性材料这个特征。

EMI滤波器可分为共模抗干扰滤波器和差模抗干扰滤波器。因此对滤波电感的磁性能要求完全不同。现简述如下:
(1)共模滤波电感材料的选择共模电感线圈如图1中Lc1Lc2是绕在磁环上的两只独立的线圈,所绕圈数相同,绕向相反。使EMI滤波器接入电路后,两只线圈产生的磁通在磁芯中相互抵消,不会使磁芯饱和。由于干扰信号比较弱,所以磁芯一般工作在低磁场的区域,选用磁性材料要求具有较高的初始磁导率μ0的材料做共模滤波电感。但也不是初始磁导率愈高愈好,还要考虑磁性材料在电路中的电特性。为了说明,下面选择不同类型高μ0的软磁材料在同样条件下测其频率与阻抗关系曲线,反映出电感磁芯的插入损耗变化趋势,其性能如表2及图3所示。


曲线IV是外国专门用于抗共模干扰用的电感磁芯(Mn-Zn铁氧体),与国产铁氧体相比较,在低频段100Hz~10000Hz,由于材料本身电阻率高,交流等效电阻小,说明在这个频段干扰信号损耗很小,电流中主要以感抗起主要作用,可见铁氧体材料对低频干扰信号没有一点抑制作用,而超微晶和1J851材料由于材料电阻率比较低,随频率的增加损耗也增加,可以看出磁芯涡流损耗引起的等效电阻R比铁氧体大得多。在10kHz~100kHz的频段R不断增加,对该频段的干扰信号的抑制也不断增强,其中1J851和超微晶材料对干扰信号抑制衰减最大而铁氧体则很小。这对于线性滤波器来说,工作频率在 50Hz~60Hz或400Hz~800Hz的电源要消除或衰减频率小于10kHz的干扰信号,最好选用金属磁性材料(或非晶超微晶)。而铁氧体在这个频段对干扰信号的吸收显然没有金属磁性材料好。当在频段100kHz~1MHz附近,铁氧体材料R急增而金属磁性材料和超微晶仍然平稳上升,在1MHz时进口铁氧体达到峰值,R最大,1J851次之。而国产铁氧体居第3位超微晶其峰值则在7MHz附近,变化却比较平缓。从曲线变化可以看出铁氧体虽然吸收的峰值在1MHz附近,但吸收区比较狭窄,而金属磁性材料吸收区比较宽,故不同材料对不同频率的吸收敏感性不一样。所以制造共模滤波器时选用的电感材料一定要根据电路要求的抑制频段范围来选择电感材料,这是非常重要的。同时从表2与图3曲线对比说明并不是电感量越高越好,而应考虑它的电参数,更不能用增加线圈匝数来增加电感。因为这样会增加高频寄生电容。
(2)差模滤波电感材料的选择与共模滤波电感完全不同,因为电感与负载是串联,输入电流或输出电流直接通过电感磁芯,其交流(直流)电流很大,当然不能用高磁导率的材料。为了适应差模抗干扰滤波器的电感磁芯的需要,最初采用铁氧体或金属磁性材料开气隙增加退磁场方法,降低磁导率,增加磁芯抗饱和能力。但这对用于电源输入端的交变电流抗干扰滤波显然是很不恰当的。不仅在开气隙处有很强的交变漏磁场引起的很大辐射干扰外,还在气隙断口处产生局部的损耗而发热,导致铁氧体磁性恶化甚至消失。因为铁氧体居里温度为200℃,在此温度附近μ0降低至零,此时已失去滤波作用。再者由于磁致伸缩在气隙处产生新的机械噪声,污染环境。为此人们采用新颖的复合磁粉芯。这是目前最理想的滤波电感材料,它是将金属软磁粉末经绝缘包裹压制退火而成,它相当于把一集中的气隙分散成微小孔穴均匀分布在磁芯中,不但材料的抗饱和强度增加,而且磁芯的电阻率比原来增加几个数量级且各向同性,改变了金属磁性材料不能在高频下使用的缺点。这就是在国外所有差模滤波电感都是用磁粉芯,而不用开口铁氧体磁芯的原因。
这里选取各种性能的磁粉芯测量频率-阻抗变化曲线(见图4)。

图中的变化曲线表现出不同磁性能的电感,其阻抗与频率变化并不一样。铁粉芯SF70和55930在干扰频率<2kHz时阻抗基本不变,表示没有吸收作用,而SF30在小于60kHz时对信号也没有吸收作用。在2MHz附近吸收迅速增强,在接近10MHz时吸收最强,而SF70在100kHz以后变化不大。可见不同性能的材料对干扰信号的吸收频段也不一样。国内外大量使用的电子调光设备大都采用移相式晶闸管调光。在晶闸管导通瞬间因电流突变会产生大量的高频谐波而引起的电磁干扰,不单严重影响音响设备、灯具、摄录像等设备,还严重干扰电网系统。必须安装抗干扰电感(美国LeeColorTran英国 Lank日本龙田社RDS都采用这样方式来抑制干扰)。为方便起见,采用分析电流上升时间tr来判断电感磁芯的抗干扰程度。不同材料的数据如表3所示。

在调光灯的工业检测中抑制干扰的效果可以用电子调光器开通时的电流上升时间tr来表示。上升时间越长说明电路高次谐波成分越小,抑制效果越好。从表中不难看出国产ZW-1电感tr时间可高达450μs而磁导率只有70。开口非晶带磁芯虽然磁导率最高(μe=800),但电流上升时间太短只有100μs,而又有严重的机械噪声。这说明加电感后抗干扰能力并不是磁导率高的好,也不是磁导率低的好,而与选用的磁性材料材质有关。为了进一步分析,对不同材料在同样条件下测量其干扰电压,图5是英国Lank,国产ZW-1磁粉芯和通常开口磁芯的电源端干扰电压与频率曲线。

按照“电子调光设备无线电干扰允许值及测量方法”测量结果,不难看出国产ZW-1电感与英国Lank电感相比较,国产ZW-1电感抗干扰电平都在A级标准以下,而英国Lank电感在0.16MHz~3.5MHz频段超标,而开口硅钢片制作的抗干扰电感在频段0.01MHz-1.2MHz都超标。用开口磁芯做抗干扰电感不可能达标。目前国内的调光灯大多数都用铁氧体磁环做抗干扰电感,这显然是错误的。不但没有抑制干扰反而增加干扰,因为铁氧体总是工作在饱和区。

图6是程控交换机用的100A抗干扰滤波器衰减曲线。抗干扰衰减曲线I是进口同类滤波器,其干扰电平曲线在0.01MHz~100MHz范围内干扰电平的衰减比较均匀平缓。曲线II用开口铁氧体做滤波器,当频率为0.4MHz~0.8MHz时的峰值说明对该频段的干扰信号衰减小,达不到要求。后来用美国 Micrometals公司铁粉芯代替,则在0.2MHz~0.45MHz 频段抗干扰能力弱(如曲线III)但要比开口铁氧体好些,仍不理想。因为对通讯电源最伤脑筋的是低频干扰。后来用专门研制的磁粉芯做成的滤波器干扰电平如曲线IV,要比曲线II、III都好,甚至优于国外同类滤波器性能。从以上的例子可以看出在研制EMI滤波器时要特别注意滤波电感选择。不但要选用适当的磁材,还要选用适合于所需衰减频段的磁性能。所以磁性材料的选取在EMI滤波器中有着举足轻重的作用。
4 抗干扰滤波器的发展趋势
当前电子线路向高速数字电路转移。高组装密度和高运算速度对EMC提出更高的要求。电子产品的微型化、多功能、移动化的发展又促使电子产品在组装方式上向表面贴装技术转移,又进一步降低干扰。同时为了提高其动态响应,降低干扰,必须力求减小供电母线的引线电感。最有效的方法是将电源直接装在负载附近,用分散供电方式(即小功率源)而不采用集中供电的形式(大功率源),这样大大减少引线的长度有效降低辐射干扰。所以今后几年美国将大力发展小功率 16W~25W低压(输出电压最低为1.2V)DC/DC开关电源。可见,片式磁性器件是微型化的关键材料之一,它可分为线绕型片式电感、叠层型片式电感、薄膜型片式电感。为此上海钢铁研究所已开始着手金属薄膜电感和薄膜变压器元件的研制。目前美国和日本的一些重要研究所都开始研究薄膜电感和薄膜变压器,并与集成元件组合制成新颖的超小型、高可靠性、高抗干扰能力的电源模块。由此可见超小型电感和变压器将是21世纪磁性元件的发展方向。
如何成为一名优秀的射频工程师,敬请关注: 射频工程师养成培训
上一篇:解析对云计算的十大误解
下一篇:开关电源EMI滤波器的仿真设计

