- 易迪拓培训,专注于微波、射频、天线设计工程师的培养
基于STM32的双路信号源及配置平台设计
图中PPT表示相位截断杂散,DAC Images表示输出镜像频率造成的杂散,DH2、DH3分别是二、三次谐波引起杂散,可见杂散分量主要由镜像频率分量引起。杂散数据表如表1所示。

从数据表中可知相位截断(PPT)杂散为(-70.017dBc),可以忽略。在DAC输出插入低通滤波器后,AD9958输出会明显改善,输出谱及波形如图6所示。

图6 滤波后输出频谱及时域波形
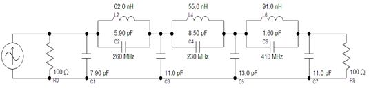
根据AD9958性能参数,所需设计的低通滤波器指标如下:
类型:椭圆LC滤波器
通带截止频率:fc=200MHz
通带纹波:ε=0.3
阻带及衰减fs=230MHz,50dB
输入输出匹配阻抗:100Ω
最终设计出的滤波器结构参数及仿真结果如图7(a)、(b)所示。

图7(a) 7阶椭圆低通滤波器结构及参数

图7(b) 7阶椭圆低通滤波器幅频响应
2.2 信号源输出电路
由于AD9958频率输出是一个电流型输出,等效模型为内阻为100KΩ的电流源。DAC输出电流的满量程值由外部电阻RSET决定,计算公式如下:

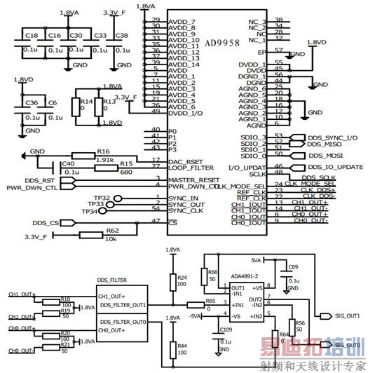
而需要设计的信号源是电压型输出并能提供一定的输出驱动能力,所以需要对ADC输出进行转换,并在滤波器后插入缓冲放大器。若采用中心抽头变压器进行电流电压变换,在低频时会造成插入损耗过大,固直接通过终端电阻来转换。输出驱动放大器采用高速放大器ADA4891-2。
ADA4891是一款CMOS、高速、高性能、低成本放大器,具有单电源供电,输入电压范围可扩展至负电源轨300mV以下,轨到轨输出级使输出摆幅可以达到各供电轨50mV以内,以提供最大的动态范围,线性输出电流150mA(-50dBc时),-3dB带宽为240MHz,功耗仅为4.4mA。最终设计的输出电路如图8所示。

图8 AD9958输出转换及驱动电路
3 配置平台设计
配置平台主要由控制器和上位机软件构建,二者之间通过配置接口实现命令数据交互,完成 DDS的配置、控制,参数读取。控制器选用STM32F107,上位机软件以VC6.0为平台来设计,通过串口控件MSComm实现通信。 STM32F107是以Cortex-M3为内核的一款32位处理器,采用该器件主要是基于以下几点原因:
1)接口丰富,带USART,SPI(SCK时钟可达36MHz,单线双线模式)。
2)含内部FLASH,可以将配置数据保存,无需外加非易失存储器。
3)性能优异,功耗低。

