- 易迪拓培训,专注于微波、射频、天线设计工程师的培养
变频器电路结构分析
对于变频器电路结构主要由整流电路、限流电路、滤波电路、制动电路、逆变电路和检测取样电路部分组成。
1)驱动电路
驱动电路是将主控电路中CPU产生的六个PWM信号,经光电隔离和放大后,作为逆变电路的换流器件(逆变模块)提供驱动信号。

对驱动电路的各种要求,因换流器件的不同而异。同时,一些开发商开发了许多适宜各种换流器件的专用驱动模块。有些品牌、型号的变频器直接采用专用驱动模块。但是,大部分的变频器采用驱动电路。从修理的角度考虑,这里介绍较典型的驱动电路。图1是较常见的驱动电路(驱动电路电源见图2)。驱动电路由隔离放大电路、驱动放大电路和驱动电路电源组成。三个上桥臂驱动电路是三个独立驱动电源电路,三个下桥臂驱动电路是一个公共的驱动电源电路。

2)保护电路
当变频器出现异常时,为了使变频器因异常造成的损失减少到最小,甚至减少到零。每个品牌的变频器都很重视保护功能,都设法增加保护功能,提高保护功能的有效性。
在变频器保护功能的领域,厂商可谓使尽解数,作好文章。这样,也就形成了变频器保护电路的多样性和复杂性。有常规的检测保护电路,软件综合保护功能。有些变频器的驱动电路模块、智能功率模块、整流逆变组合模块等,内部都具有保护功能。
图3所示的电路是较典型的过流检测保护电路。由电流取样、信号隔离放大、信号放大输出三部分组成。

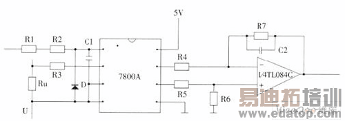
3)开关电源电路
开关电源电路向操作面板、主控板、驱动电路及风机等电路提供低压电源。图4富士G11型开关电源电路组成的结构图。

直流高压P端加到高频脉冲变压器初级端,开关调整管串接脉冲变压器另一个初级端后,再接到直流高压N端。开关管周期性地导通、截止,使初级直流电压换成矩形波。由脉冲变压器耦合到次级,再经整流滤波后,获得相应的直流输出电压。它又对输出电压取样比较,去控制脉冲调宽电路,以改变脉冲宽度的方式,使输出电压稳定。
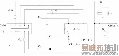
4)主控板上通信电路
当变频器由可编程(PLC)或上位计算机、人机界面等进行控制时,必须通过通信接口相互传递信号。图5是LG变频器的通讯接口电路。

频器通信时,通常采用两线制的RS485接口。西门子变频器也是一样。两线分别用于传递和接收信号。变频器在接收到信号后传递信号之前,这两种信号都经过缓冲器A1701、75176B等集成电路,以保证良好的通信效果。所以,变频器主控板上的通信接口电路主要是指这部分电路,还有信号的抗干扰电路。
5)外部控制电路
变频器外部控制电路主要是指频率设定电压输入,频率设定电流输入、正转、反转、点动及停止运行控制,多档转速控制。频率设定电压(电流)输入信号通过变频器内的A/D转换电路进入CPU。其他一些控制通过变频器内输入电路的光耦隔离传递到CPU中。
如何成为一名优秀的射频工程师,敬请关注: 射频工程师养成培训
上一篇:电源线上的EMC分析
下一篇:城市一卡通在线支付应用探讨

