- 易迪拓培训,专注于微波、射频、天线设计工程师的培养
模拟电路设计(十三)模拟电路设计盲点与对策(下)
上期探讨了数字系/模拟系分割处理的原因及基本对策手法,现在我们将针对设计盲点提出实例解说与对策。
设计盲点与对策实例
【问题1】多重归返增幅器的方形波反应,出现极大over shoot
‧症状
图11是由两个OP增幅器构成的非反相增幅器电路,该电路的crossed loop gain G,可用下式表示:
G=(R3+R4)/R3--------------------------------(1)
若与由IC1a,R3,R4构成的非反相增幅器电路(图12)比较时,图11的初段IC1b的等化归返(return)量明显偏多,因此类似图12的电路具有容易获得极低偏斜率等特徵。图中的C1,C2为位相补偿容量,基本上它是假设fr=10MHz的OP增幅器,例如LM833或是NJM5532等增幅器为前提设定的容量值。LM833与NJM5532是audio用低噪音、低偏斜率的OP增幅器,由于两者的特性与表4非常类似,因此图11使用多重归返增幅器时,它的检测频率特性几乎与图13相同,唯一差别是大振幅的方形波反应特性,如照片5所示使用LM833时,会产生很大的over shoot。

注: (1)电源电压为±15V,需要pass control。
(2) R3,R4为1/4W F等级(1%)金属薄膜电阻。
图11 可获得低噪音、低偏斜率的多重归返增幅器LM833与NJM5532

(a)输出电压对全高频波偏斜率特性

图13 重归返增幅器的实测频率特性
| 項目 | NJM5532 | LM833 | 單位 |
| unity gain頻率 | 10 | 9 | MHz |
| through rate | 8 | 7 | V/µs |
| 輸入雜訊電壓密度 | 5 | 4.5 |
表4 NJM5532与LM833的电气特性比较

照片5 大振幅的方形波反应特性 (f=50kHz,5µs/div,5V/div)
‧原因分析
如图14(a)所示输入大振幅方形波时,在方形波的端缘(edge)LM833初级IC1b的输出电压接近5V左右,第二段的IC1a 则被强力过驱动(over drive)。
如图15所示,NJM5532的差动输入端子之间设有保护二极体(diode),因此第二段的IC1a驱动电压被抑制在±0.7V左右,如此一来如14(b)所示,即使过驱动也会立即恢復原状,同时抑制over shoot。

(a)LM833的输出入电压特性

(b)NJM5532的输出入电压特性
图14 第二段的IC1a的输出入电压特性

图15 NJM5532的保护二极管

照片6 对策后的形波
(f=50kHz,5µs/div,5V/div)
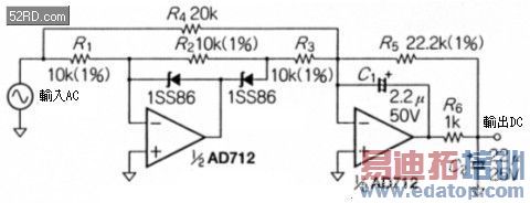
【问题2】AC-DC Converter的直线性不良
‧症状
图16是一般常见的AC-DC Converter电路,为改善输出入的直线性,因此将检测波输出当作负归返(return),同时压缩图17所示的二极体不感带,藉此达成上述目的。施加负归返时不感带的宽度Vw可用下式表示,它是负归返的逆数。
Vw=VF/GFB --------------------------------------- (2)
VF:二极体的顺向电压(V)
GFB:归返量
然而频率很高时归返量会降低,造成归返效果相对减少,此处为了确保高频也能维持良好的直线性,所以必需使用低顺向电压VF的二极体,基此考量最后决定使用1SS86二极体,该元件在shot key barrier二极体之中,具有最低顺向电压特性,不过实际上若仔细观察图18的话,却发现输出入的直线性反而更加恶化。

注:电源电压为±5V,需要pass control
图16 使用shot key barrier二极管的AC-DC Converter

图17 switching二极管的顺向特性

图18 AC-DC Converter的输出入实测特性
‧原因分析
由于低顺向电压二极管的逆电流比较多,因此类似图19逆偏压(bias)时,正、负极(anode-cathode)之间的阻抗会降低,对微信号而言等于是整流信号受到伤害。
‧对策
一般而言只要改用类似1SS97、1SS154、ISS165等低逆电流Type的shot key barrier二极极管,或是使用IN4148、1S2076A switching用Silicon二极极管,就可克服上述问题。

图19 1SS86的ID-VD特性
【问题3】OP增幅器造成方形波产生电路的发振频率比计算值大
‧症状
圖20是教科書記載的方形波產生電路,該電路的發振頻率fosc可用下式表示:
然而使用NJM5532的OP增幅器,它的实测发振频率却高达10370Hz,比上述计算值大约高一倍左右,相较之下表5记载的其它型式OP增幅器的实测值,几乎与计算值完全相同。

图20 理想OP增幅器的动作特性
| OP增幅器的型號 | 發振頻率fosc |
| NJM4560 | 4348 |
| TL072 | 4368 |
| NJM4580 | 4381 |
| LF353 | 4417 |
| μPC814 | 4433 |
表5 各种OP增幅器的发振频率
‧原因分析
由于NJM5532 OP增幅器的输入端子之间,内建有如图1(a)所示的可以防止break down的二极体,当差动输入电压一旦超过±0.6V时,该二极体立即被导通使充放电电流流动,因此实际上时定数R3C1呈减少状,而发振频率却不断升高。

图21 NJM5532 OP增幅器的动作特性
‧对策
改用内部无保护用二极管的OP增幅器,就可以解决上述问题。
【问题4】定电流电路无法动作
‧症状
依照图22所示,试作利用5V电源电压动作的source type定电流电路,该电路能使电流检测用电阻R5两端的电压,变成与基准电压VR1相同。由于VR1=100mV,R5=100Ω,因此本电路成为1mA的定电流电路,不过实际上定电流电路却无法正常动作。

图22 source type定电流电路
‧原因分析
主要是基准电压VR1设成正电源端-100mV,已经超过OP增幅器的输出能力,尤其是电源电压只有5V,而负载阻抗的范围又太大,加上基准电压被设成100mV,所以才会造成上述问题。
本电路使用TLC27M2C CMOS Type OP增幅器,该增幅器属于单电源动作,而且switching幅度宽广消费电流又非常低。根据TLC27M2C的资料显示, VDD=5V@TA=250C时的输出电压范围为GND(0V)~3.9typ(3.2min),虽然最大输出电压VOH(max)会随着输出电流不断改变,不过OP增幅器的输出电流为µA等级,因此工程人员都会忽略它的影响性,然而实际上VR1=100mV却无法动作,实测结果却发现该电路仍然持续以VR1=200mV正常运作中。
根据统计资料可知OP增幅器大致上可分为:
a.双电源用。
b.单电源用。
c.rail to rail(full switching)。
三大类,对一般入门者来说单纯从双电源与单电源专业名词,可能不太容易区隔其中的差异,其实主要重点是OP增幅器的型式,对正常动作的输出入电压范围,具有绝对性的影响,亦即输出入电压范围取决于OP增幅器内部的电路结构。
图23是上述三种OP增幅器的输出switching特性。由图23(a)可知双电源OP增幅器的正、负电源端都有饱和电压,不过这并表示电源电压是在饱和状态下进行switching,该饱和电压随着元件不同出现差异。必需注意的是data sheet往往未详细记载上述差异,为防范未然笔者建议使用前最好亲自量测确认;此外输入端也不是电源电压成为饱和后才作反应。
如图23(b)所示,单电源用OP增幅器的输出即使0V也可以switching,而输入端则可以从0V开始反应,不过实际输出时只能作VOH的switching,输入端只能在正电源电压附近作反应。必需注意得是以上实体测验项目,同样适用于双电源用OP增幅器。有关rail to rail特性的OP增幅器,最近几年由于电源电压低电压化需求快速增加,因此出现许多衍生机型。由23(c)可只rail to rail特性的OP增幅器,它的输出可在0V至饱和范围内作转换(switching)。值得一提的是某些机型的输入端,可在0V至电源电压饱和范围内作反应,某些机型则不具这种功能。

图23 OP增幅器的输出换性能
‧对策
基本上只要改用rail to rail特性的OP增幅器,就可以解决上述问题,不过若是将基准电压提高至 ,同样可以克服上述问题。
上一篇:模拟电路设计(三)利用负归返改善电路特性
下一篇:汽车电子嵌入式系统设计(6)车用8/16/32位元MCU技术需求

