- 易迪拓培训,专注于微波、射频、天线设计工程师的培养
镍氢/镍镉快速充电器技术介绍
镍氢、镍镉电池用快速充电器虽已成为生活必需品,然而大部份的充电器都无法作单数电池充电。Active Charger具备单数电池充电功能,这种创举使得消费者不再受到电池数量的限制,可随时作单数电池快速充电。本文将为读者介绍可作单数电池充电之快速充电器。
随着各种可携式电子产品的普及化,镍氢、镍镉电池用快速充电器成为生活中的必需品,然而大部份的充电器都无法作单数电池充电,因此本文接着将要介绍可作单数电池充电之快速充电器。
设计规格
(表一)是不受电池容量、放电状态差异,可作单数电池快速充电的「Active Charger」充电器的设计规格一览。镍氢、镍镉电池用于快速充电器设计上常见的问题是电池盒的接触阻抗,尤其是电池盒的负极端经常因阻抗发热溶化变形。此外接触阻抗会造成不稳定的电压下降,形成快速充电器的另一项障碍,因此大部份的充电器进行充电时都会利用方式监控电池电压,一旦充电电压开始减缓就立即停止充电动作,然而实际上该电压变化量非常微小,而且电池电压的检测值包含接触阻抗造成的不稳定电压,因此方式经常造成所谓的误动作现象。
‧Turbo 1模式:单颗单独充电时1.6A
‧Turbo 2模式:单颗单独充电时2.0A开始充电池装填于专用电池盒,连接电池后自动检测停止充电条件‧取出电池时
‧检测时
‧total timer的time up(180分)。
‧合併使用break through方式与dV down方式。检测分解能力full scale约2.18V时为10bit(2.1mV)检测间隔1秒预备充电禁止检测时间(3分)装填检测时间1.5秒显示充电状态针对各电池,LED点灭闪烁Monitor输出利用serial间隔100ms,输出内部主要变数
表一 Active Charger设计规格一览
设计步骤
(图一)(a)是三号NiMH(1800mAH)充电电池以1C(1.8A)充电时手指接触电池,电池盒两端与数位多功能电錶连接,并用EasyGPIB收集资料,藉此测试接触阻抗对电池电压影响的结果。若与图一(b)未作手指接触的充电电池的测试结果比较时,图1(a)的电压变动非常明显,不过两图的垂直scale几乎完全相同,这意味着上述两方式都无法利用检测电池电压。

图一 使用电池盒的电池电压变化
Active Charger利用total充电timer与检测两种方式检测电池的充电完成度。为增加电池的适用范围,所以加长充电timer的设定时间,相对的充电完成度几乎完全依赖的检测,有鑑于此为提高检测精度,因此开发下列两种方案提供使用者选择:
■break through方式
电压下降主要是接触阻抗与充电电流两者相乘的积所造成,基本上零接触阻抗并无法达成,因为充电电流若变成零,理论上就不会发生电压下降现象。如(图二)所示检测电压前与检测电压后,暂时停止充电电流所谓的「break through方式」。
由于本快速充电器具备特殊的充电控制技术,因此无法使用MAX713特殊IC,必需改用8位元微处理器PIC16F876。

图二 break through方式的动作特性
(图三)是利用图一介绍的电池与Active Charger,进行充电时的充电特性。基本上它是在充电中途用手指触摸电池,使接触阻抗产生变化,接着利用几乎不会对system DMM自动检测造成任何影响的R655检测充电电压,由于DMM的测定值内包含电池盒与connector产生的电压下降成份,因此实际电压变动非常大,不过对PIC微处理器的A-D变换值而言,完全不会造成任何不良影响,由此可知採用break through方式,可以获得正确的电池电压变化资料。
此外本快速充电器是利用serial信号,依序输出PIC微处理器内部变数状态,因此可轻易利用PC监控(monitor)PIC微处理器内部状况,如图三所示。具体方法是利用DMM检测电压,再经过GP-IB与Easy GPIB撷取资料,并用Excel同步观测设备内外的状态。值得一提的是Easy Comm.与Easy GPIB是自行开发的free tool。

图三 以1.6A充电时A-D变换值与利用DMM的电池电压测定值
■dV counter方式
虽然接触阻抗的影响可以利用break through方式排除,不过充电电流如果发生变动,电池电压也会随着改变,如此一来break through方式就无法发挥预期效果,此外本快速充电器被设计成可作充电电流切换,因此必需採用其它对策,才能有效克服接触阻抗的影响。
(图四)是充电电池的充电曲线实例,由图可知由于充电模式的切换,电池电压会朝下方移动,造成检测电路误动作与停止充电等后果,为防止这种现象因此出现所谓的「dV counter方式」。
若与前测定值比较,dV counter方式即使发生变化,dV counter都可控制在±1范围内,亦即在+1~-1之间,如果是0的场合便停止counter,因此不会有低于0的困扰。

图四 电池电压的测定值成断续性变化
(图五)(a)是正常状态时的电池电压与dV counter的变化,由图可知电压变化出现增加趋势时,虽然dV counter维持0状态,不过一旦出现电压变化减缓趋势时,电压变化会随着检测时段逐渐成为counter up状态,到达一定值(大约是4)时,检测便结束充电动作。
图五(b)是充电途中检测值朝下方移动时的dV counter动作特性,由图可知对dV counter的影响,不因电压变动减缓始终维持1 counter,因此几乎不会影响的检测。如果的检测改用微分电路,检测电路在图五(b)状态时,就会发生误动作。有关dV counter,理论上即使检测电压产生巨大变化,dV counter都能控制在±1范围内。

图五 充电时电池电压与dV counter的动作特性
(图六)是实际充电电压(A-D转换值)与dV counter的动作特性,由图可知虽然充电中途如果改变充电电流,检测值会朝下方移动,不过即使如此对dV counter完全没有影响。一旦接近,dV counter值会呈现上升倾向,直到4 counter时才停止。由于本快速充电器停止充电后,必需重新设定变数所以无法描绘最终值,不过根据以上实验结果显示dV counter方式,基本上已经展现预期的动作效果。

图六 A-D转换与dV counter的动作特性
电路结构
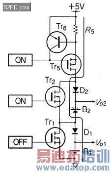
(图七)是本快速充电器的电路图。虽然利用PIC微处理器可使电路结构变得非常简洁,不过本电路仍可作各种复杂模式的充电动作。有关PIC微处理器周边电路的特性,基于篇幅限制无法详细说明。电路图右侧两个对称部份是本快速充电器的主要电路。
(图八)是主要电路概要说明图,虽然它是由block 0与block 1所构成,不过两个block的动作特性完全相同,因此只介绍block 0的动作特性。
图八的与是简易定电流电路,该电路利用信号CGH12控制2A充电电流的ON/OFF,此外必需注意的是必需作散热设计。(PASS 1)与(PASS 2)是电池盒未装设电池时,可将充电电流作bypass的FET元件。(图九)是未装设电池2时,充电电流的流动方式。由于break through方式检测电池电压,是在与 ON状态下进行,所以与的电压都可获得GND level基准。

图七 Active Charger的电路图

图八 主要电路概要说明图

图九 电池2未装设时,充电电流的流动方式
动作模式说明
■normal mode
normal mode是指4颗电池同时充电模式。本快速充电器一旦开始进行充电,就成为normal mode,此时各充电block以50ms的间隔交互ON,因此平均充电电流为1A,4颗电池每颗都是1A合计是4A,不过实际上电源只有2A,所以必需使用已商品化可输出5V,2.3A电力的switching regulator type AC adapter,此外本快速充电器必需装设5V的电源稳压器。
■turbo mode 1与turbo mode 2
若按turbo按键就成为turbo mode。turbo mode共有两种形式,分别是电池3或电池4,其中一个装设时的turbo mode 1,与电池3以及电池4同时装设时的turbo mode 2两种。
由于turbo mode 1必需用FET元件,将充电电流bypass,因此此处利用降低ON的时间,藉此抑制FET的发热量。(表二)是turbo mode 1与turbo mode 2的电流分配特性。
表二 各种充电模式的电流分配特性
制作重点
本快速充电器被设计成可作2号、3号、4号各种镍氢/镍镉电池充电,因此採用connector与各电池连接电池盒的方式。值得注意的是电池盒的选用必需非常谨慎,否则电池盒会有溶化(melt)之虞,笔者建议使用Keystone Electronics制作的金属材质电池盒,这种金属材质电池盒具有耐热特性,所以非常适合应用于快速充电器。此外为避免端子部与connector内部短路,因此端子部与connector都必需用热缩套管隔绝。
与两元件会发热,所以装设through hole type散热器(heat sink)增加散热效果;为2.5V驱动的power MOSFET,该MOSFET低gate电压时会变成ON。相反的若不使用FET元件,就无法将电流bypass,同时会造成电池过热问题,换句话说如果使用替代元件时,必需特别注意电池过热问题;由于常见的silicon diode顺电压压降过大,不适合本快速充电器使用,因此分别使用2A等级的shot key barrier diode。外壳钣金为厚1.2mm铝合金制成,正面粘贴有利用back print film制成的装饰panel。
虽然本快速充电器的sequence动作很简易,不过充电时必需单独监控各电池,所以变数与管理相对的非常多,大部份的处理採取定时插入方式。由于插入是每隔50ms进行一次,所以block 0与block 1的处理,是以100ms间隔交互执行,最后的插入处理含有将内部变数当作serial data送信处理成份,因此利用PC撷取该处理结果,并监控内部状态,使用软件则是用MPLAB编写。
充电状态可用(图十)所示的pattern以LED点灭方式显示。图中的「预备充电」是指未检测,强制性充电时段而言。电池装设后,本快速充电器会持续三分钟进行预备充电,主要原因是针对长期放置的电池充电时,充电初期会产生所谓的现象,为避免充电器停止充电,所以作预备性充电设计。此外已充电的4号电池若作turbo充电时,会有过充电之虞,基于安全考量预备充电时间被设计成三分钟。

图十 电池充电状态显示用pattern
本快速充电器亦可支援2号电池的充电,所以total timer被设计成180分;如果是3号以下小容量镍氢、镍镉电池充电时,充电时间大约90分即可。(图十一)是3号镍氢电池的充电特性。如上所述turbo mode充电可分成turbo mode 1与turbo mode 2两种,因此测试时装填两个电池,并以2A最大充电电流的turbo mode 2方式进行。

图十一 3号镍氢电池充电特性
利用dV counter与break through方式制成的006型镍氢、镍镉快速充电器的电路使用8pin DIP flash type PIC12F675,电路内建10位元A-D inverter,由于内建URT无monitor输出专用serial输出端子,因此使用软件监控(monitor)电池的充电状态。此外多余的pin可当作温度检测用thermistor的输出,亦可当作电池pack的充电机。为配合镍氢、镍镉电池的容量,所以充电电流被设计成170mA。由于本充电器的充电对象为006型镍氢、镍镉电池,因此未作复杂的电路设计,换言之dV counter与break through方式制成快速充电器的程式也比Active Charger简单。
结语
虽然Active Charger的电池充放电时间比较长,不过却可利用Easy Comm、Easy GPIB与Excel等软件,以及简单的硬件工具缩短充放电时间,并大幅改善测试方法。整体而言Active Charger具备单数电池充电功能,这种全新创举使得消费者不再受到电池数量的限制,可随时作单数电池快速充电。

