- 易迪拓培训,专注于微波、射频、天线设计工程师的培养
基于Protues的16×32点阵LED汉字显示屏的设计
摘要:Proteus是世界上著名的仿真软件,实现了电路仿真软件、PCB设计软件和虚拟模型仿真软件三合一的设计平台。该文介绍利用Proteus仿真软件开发的基于单片机的16×32点阵LED汉字显示屏,实现了LED点阵屏核心功能即汉字、数字、字母的多样化显示。
关键词:Proteus;LED;74HCl38;74HC595
0 引言
单片机系统设计一般包括硬件电路设计和程序设计2个方面,调试过程一般分为软件调试、硬件测试、系统调试3个过程。软件调试一般比较容易,但如果要进行硬件电路测试和系统调试则比较麻烦,因为这2个过程必须在整个电路制作完成后进行,而且电路板的制作、元器件的安装、焊接费时费力。
如果采用单片机系统仿真软件Proteus,则不用制作具体的电路板也能够完成以上工作,在使用Proteus进行系统虚拟开发成功之后再进行实际制作,可提高开发效率,降低开发成本,提高开发速度。
Pmteus是英国Labcenter electronics公司出版的EDA工具软件。它不仅具有其他EDA工具软件的仿真功能,也是目前最好的仿真单片机及外围器件的工具。Proteus从原理图布图、代码调试到单片机与外围电路协同仿真,一键切换到PCB设计,真正实现将电路仿真软件、PCB设计软件和虚拟模型仿真软件三合一的设计平台,其处理器模型支持8051、HCll、PIClo/12/16/18/W30/DsPIC33、AVR、ARM、8086和MSP430等。在编译方面,它也支持nR、Keil和MPLAB等多种编译器。
该文设计的16×32点阵LED汉字显示屏就是在Proteus仿真软件环境下开发并调试成功的。
1 电路设计
在电路设计中,硬件的选型应根据设计和应用场合的要求选用。在此,选用行列控制器件是很关键的,如果选用的器件达不到要求可能就会出现驱动能力不足造成亮度不够,传送数据出错等一些问题。设计的LED显示系统主要由A聪9C51作为主控单元,列控制选用74Hcl38芯片,行数据传输选用串入并出器件74Hc595芯片,及8块8×8点阵显示模块组成16×32点阵显示屏。通常情况下,一块8×8像素的LED显示屏是不能用来显示一个汉字的,因此,该设计按照其原理结构扩展为16×32。在显示过程中,多采用扫描方式,利用人的视觉暂停效应,只要刷新速率不小于25帧/s,就不会有闪烁的感觉。控制系统的结构框图如图1所示。注意,户外屏须防(雨)水、防阳光直射、防尘、防高温、防风、防雷击等,而室内屏则无须考虑这些问题。

1.1硬件设计
电路主要包括行传输电路、列控制电路两部分。
1)行传输电路
74HC595中MR(10脚)指低电平时将移位寄存器数据清零;SH—CP(11脚)指上升沿时数据寄存器的数据移位;Q1、Q2、Q3、 、Q7指下降沿移位寄存器数据不变(脉冲宽度:5 V时,大于几十纳秒就行了,通常都选微秒级);ST—CP(12脚)指上升沿时移位寄存器的数据进入数据存储寄存器,下降沿时存储寄存器数据不变。通常将RCK置为低电平,当移位结束后,在RCK端产生一个正脉冲,更新显示数据;/G(13脚)指高电平时禁止输出(高阻态)。
然后用2片74HC595串联起来组成行数据传输端,如图2所示。通过数据端和时钟端把数据传送到移位寄存器。

2)列控制电路
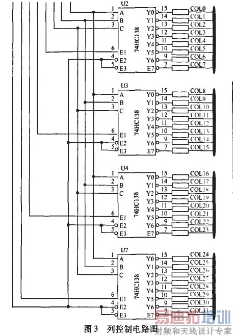
列控器件74LSl38是3—8译码器,它具有3个使能端,3个数据输入端。该设计采用4片138,每个输出端串接一个470 Q的限流电阻,再与P1口相连接作为显示屏的列选择线。ABC为译码器数据输入端,E1、E2、E3为片使能端。当El为高电平,E2和E3为低电平时第一片译码器使能可控制(COIJD~COL7)列,以此类推选择列。电路连接如图3所示。

1.2软件设计
系统程序如图4所示。

2 结束语
该文的点阵LED显示系统以单片机89C51为核心,加以外围电路,可实现汉字、数字及各种字符的多种方式和速度的显示。设计的显示屏工作稳定,字符清晰,字体美观,根据需要可选择多种显示字幕效果,并具有分布灵活、扩展方便等优点。
射频工程师养成培训教程套装,助您快速成为一名优秀射频工程师...
天线设计工程师培训课程套装,资深专家授课,让天线设计不再难...
上一篇:单芯片指纹锁原理及设计方案
下一篇:自制断线式防盗报警器

