- 易迪拓培训,专注于微波、射频、天线设计工程师的培养
ICL8001G可控硅调光LED驱动电路与应用
摘要: LED 照明具有发光效率高、节能等一系列优点, 目前得到了广泛的应用。由于LED可控硅调光具有使用方便、便于实现和使用范围广等一系列优点, 世界上一些半导体集成电路生产制造公司纷纷推出有关LED可控硅调光控制集成电路。下面介绍由英飞凌( Infineon)公司新推出的LED 可控硅( TRA IC)调光控制集成电路ICL8001G的工作原理与典型应用。
1 LED照明与LED可控硅( TRAIC)调光控制
自从1968年第一批LED 开始进入市场以来, 至今已有30多年。随着新材料的开发和LED生产工艺的改进, LED 趋于高亮度化和全色化。氮化镓基底的蓝色LED的出现, 更是扩展了LED 的应用领域。
LED的发光原理就是将电能转换为光的过程, 将电流通过化合物半导体, 通过电子与空穴的结合, 过剩的能量将以光的形式释出, 达到发光的效果。通过LED的正向电流越大则LED 的发光亮度越高, 同时,通过LED发光电流的稳定性将影响LED 的发光稳定性。因此, 在实用中应采用可以提供精确稳定电流的LED驱动恒流源来为LED 供电。
LED 的调光可以进一步提高LED 的节能效果,而LED的可控硅( TRAIC )调光具有易于实现和使用方便等一系列优点, 世界上一些大的半导体集成电路生产和制造公司纷纷推出了LED 可控硅( TRAIC )调光控制集成电路, 例如: 美国国家半导体公司(NS )推出的LM3445、安森美公司( Onsemi ) 推出的NCL30000、NXP公司推出的SSL2010T 和英飞凌( Infineon)公司推出的ICL8001G 等可控硅( TRAIC )调光控制集成电路, PI公司也推出了基于PI产品的LED可控硅调光解决方案, 它们各具特色。下面介绍英飞凌( In fineon) 公司推出的ICL8001G 可控硅( TRAIC )调光控制集成电路的工作原理、特点和典型应用电路。
2 LED可控硅调光控制集成电路ICL8001G的特点
ICL8001G是一款工作于准谐振工作模式、用于离线LED照明应用场合的控制集成电路, 特别适用于替代白炽灯照明应用的LED可调光应用场合, 精密的PWM 控制可确保可靠地用于相位调光控制的初级侧控制电路结构, 确保电路功率因数PF值> 98%, 可以显着地改善电路工作效率, 使工作效率高达90%。相对别的电路解决方案, ICL8001G 的LED 供电工作电压范围宽(高达26 V )、功耗低, 保护功能齐全, 使用ICL8001G构成的LED 可控硅调光控制电路具有性能优和电路简单的特点。
ICL8001G为8引脚PG - DSO- 8封装, 外形如图1所示, ICL8001G 的内部工作原理框图如图2所示。
ICL8001G的主要技术特点如下:
图1 引脚图( PG - DSO- 8封装) (俯视图)
图2 内部工作原理框图
1)在整个工作范围内具有高的工作效率和工作稳定性;2)可用于可控硅前沿或后沿的调光控制应用场合;3)用于初级侧的PFC 和精密调光PWM 控制;4)用于VCC引脚外接电容的恒电流预充电控制单元电路;5)内置数控软启动控制功能, 折返式控制和逐周期峰值电流控制;6) VCC 过/欠电压锁定输出;7)输出过电压保护的可调节锁定工作模式。
(1) ICL8001G 引脚功能
(3)可控硅调光的典型应用电路
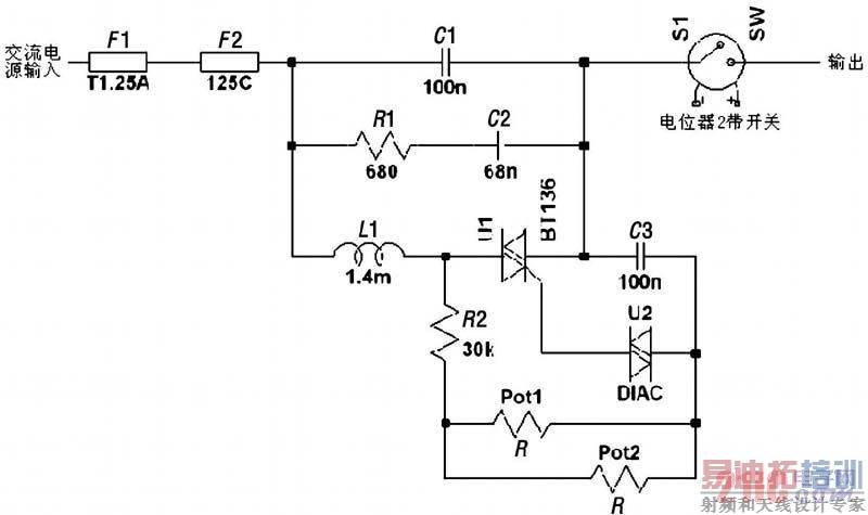
可控硅调光的电路实现有许多种, 可控硅调光的典型应用电路如图4所示, 在图4所示电路中, 电位器1用于设定内部失调, 电位器2用于外部控制, 在电位器1和电位器2的共同作用下, 阻值变化范围为2. 7Ω 到413 kΩ。
图4 可控硅调光的典型应用电路 [p]
4 采用ICL8001G的LED可控硅可调光典型应用电路
下面介绍采用ICL8001G 的LED 可控硅调光典型应用电路评估电路板EVALLED 的特点与具体电路实现。
( 1)电路简介
ICL8001G 的评估电路板EVAL-LED 演示了ICL8001G控制集成电路在LED 可控硅调光的应用,ICL8001G为单级反激控制集成电路, 工作于准谐振、初级侧控制工作模式, 集成了APFC 和相控调光控制功能, 适用于LED可调光控制的应用场合。
( 2) ICL8001G 的评估电路板EVAL-LED
ICL8001G的评估电路板EVAL-LED 焊接电路元器件后的PCB 电路板图俯视图和仰视图分别如图5和图6所示。
图5 EVAL-LED ICL8001G评估电路板的俯视图
图6 EVAL-LED ICL8001G评估电路板的仰视图
( 3)电路特点
EVAL-LED ICL8001G 评估电路板的电路特点如下:
1)在准谐振工作模式下, 在整个宽的交流输入市电电压变化范围内具有稳定和高的工作效率;2)采用初级侧反激控制, 具有APFC 功能和相控调光控制功能;3)在相控调光控制下电路保持高的工作效率;4)在ICL8001G 的内部具有对VCC 引脚外接电容的恒电流充电控制功能;5) ICL8001G内含数控软启动控制功能;6)具有折返式补偿和逐周期峰值电流限制功能;7) VCC 引脚的过电压和欠电压锁定输出控制功能;8)短路保护后的自动再启动;9)输出过电压保护的可调节锁定关断工作模式。
[p]
ICL8001G的引脚功能如表1所示。
表1 ICL8001G的引脚功能
(2) ICL8001G 的引脚功能简介
①ZCV引脚: 过零检测引脚, 来自辅助绕组的电压经延时电路延时一段时间后加到该引脚, 通过内部电路该引脚接到了过零检测器电路, 用以决定外接功率开关管的导通时间。同时, 通过比较VZC和内部预设定的阈值电压可以实现输出过电压检测功能。
②VR引脚: 电压检测引脚, 通过该引脚检测交流输入市电整流后的输出电压, 利用这个检测到的电压可以设定峰值电流控制电路的峰值电流, 并完成APFC 和相控调光控制功能。
③CS引脚: 电流检测引脚, 该引脚接至一只用于决定初级侧电流检测的电流检测电阻, 并和反馈电压一起用于决定PWM 控制信号发生器的脉冲关断时间, 并且在主电源开关管导通时间内通过检测电压VCS的电压来实现短路绕组的检测功能。
④GD引脚: 栅极驱动输出引脚, 该引脚输出信号用于驱动外接功率开关MOSFET管。
⑤HV 引脚: 高电压输入引脚, 该引脚连接至外部总线电压, 并通过外接总线电压为接至集成电路VCC引脚的电容充电。
⑥VCC 引脚: 集成电路的电源供电引脚, 供电电压范围为VV CCoff VVCCOVP。
⑦GND引脚: 集成电路的地引脚。
(3) ICL8001G 的电路保护
ICL8001G具有如表2所示的保护功能。
表2 保护特性
3 调光器的分类与工作原理
( 1)调光器的分类
调光器按实现方式可以分为前切式及后切式相位调光, 前切式及后切式相位调光输出的电压波形如图3所示, 前切式相位调光又叫可控硅前沿相位调光或可控硅调光。而后切式相位调光又叫后沿调光或晶体管调光。前切式相位调光的调光控制交流输入市电的前沿变化较剧烈, 而后沿调光的调光控制交流输入市电的后沿变化较平缓, 这可从图3 所示波形看出。
相控调光器分类和特点如表3所示。
表3 相控调光器分类和特点
( 2)相控调光器的工作原理
如图3波形所示, 通过改变调光控制相控角的位置就可以改变输出交流电的平均值, 达到改变输出功率的目的, 从而达到调光控制目的。但是, 相控调光器的交流输出电压波形已严重偏离正弦波形, 所以功率因数也严重小于1, 这也是相控调光的一个缺点, 相比较而言, 后切式相位调光的波形失真较前切式相位调光的波形失真要小些。
图3 前切式及后切式相位调光输出的电压波形 [p]
( 4)技术指标
表4给出了EVALLEDICL8001G 评估电路板的有关技术指标, 表4中输入电压表示未经相控调光的交流输入电压有效值( RMS) , 输出电压表示在给定的交流市电输入电压变化范围内的输出直流电压变化范围。
表4 电路性能指标
(5)调光控制
通过可控硅的相控调光控制, 可以改变加到LED照明控制电路板上的LED 直流供电电流值, 从而实现LED 的调光控制。
1)电路板的加电
在集成电路ICL8001G 内部有一个启动单元电路, 这个启动单元电路可以在不降低电路工作效率的前提下缩短电路的启动时间, 在ICL8001G的VCC 引脚外接电容C 15= 10 μF 的条件下, 电路启动时间大约为120m s。
2) EVAL-LED ICL8001G评估电路PCB 板图
EVAL-LED ICL8001G 评估电路PCB板图分别如图7和图8所示。
图7 EVAL-LED ICL8001G评估电路板PCB 俯视图
图8 EVAL-LED ICL8001G评估电路板PCB 仰视图
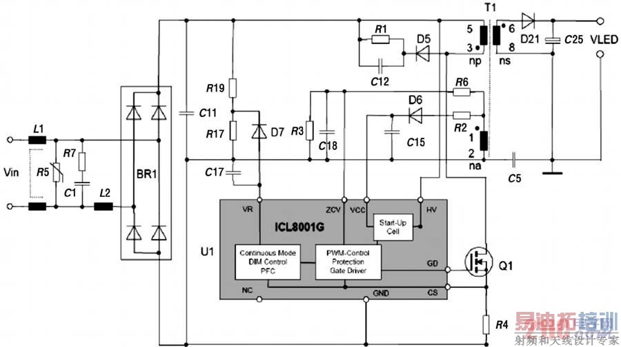
3) EVAL-LED ICL8001G评估电路电路原理图。
EVAL-LED ICL8001G 评估电路板电路原理图如图9所示, 电路元器件参数表如表5所示。
图9 ICL8001G评估电路板电路原理图
表5 电路元器件参数表
5 小结
由于照明可控硅( TR IAC )调光易于使用, 符合人们的使用习惯, 所以推广可控硅照明调光具有很好的市场前景, 照明可控硅( TR IAC)调光在白炽灯调光中得到了很好的应用。但是, 照明的可控硅( TR IAC )调光在气体放电灯和LED照明调光的应用场合, 可控硅(TR IAC )调光在电路的功率因数、调光闪烁等调光性能和造价等方面还需进一步做出努力, 以扩大可控硅( TR IAC)调光在气体放电灯和LED照明调光的应用范围。
射频工程师养成培训教程套装,助您快速成为一名优秀射频工程师...
天线设计工程师培训课程套装,资深专家授课,让天线设计不再难...
上一篇:单片机与远程PC机间建立通信的方法
下一篇:数字LED驱动的街道照明系统

