- 易迪拓培训,专注于微波、射频、天线设计工程师的培养
NS汽车照明解决方案
录入:edatop.com 点击:

1.采用 LM3423升降压LED 驱动器的车头灯解决方案
• 这款电路利用 12V及24V 总线的电池供电驱动一组共 6 个串联一起的 3W LED,适用于汽车的车头灯。
• 由于 LED 灯组的总正向电压可能高于或低于输入电压,因此必须采用升降压 LED 驱动器。


输出电压及电流
物料清单 (主要组件)

效率
物料清单 (主要组件)
[p]
2.采用 LM3423升压LED 驱动器的白天辅助灯解决方案
• 这款电路利用电池的供电驱动一组共 12 个串联一起的1W LED,最适用于汽车的白天辅助灯(DRL)。
• 由于 LED 灯组的总正向电压高于电池输入电压,因此必须采用升压 LED 驱动器。


输出电压及电流

效率
物料清单 (主要组件)

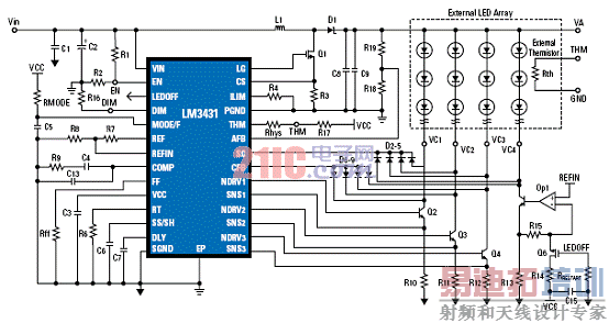
3.采用LM3431的LED背光系统解决方案
• 这款电路利用12V总线的电池供电驱动4组、每组共有8个串联一起的140 mA LED,最适用于汽车TFT显示器的LED背光灯。
输入电压:8V至18V,4组LED灯组
(每组共有 8个LED),每组LED的驱动电流为 140 mA
适用于TFT显示器的LED背光灯
适用于仪表板的LED背光灯

输出电压及电流

效率

物料清单 (主要组件)

射频工程师养成培训教程套装,助您快速成为一名优秀射频工程师...
射频和天线工程师培训课程详情>>

