- 易迪拓培训,专注于微波、射频、天线设计工程师的培养
照明节电柜和它的软启动电路
GGDZ型照明节能配电柜因具有智能稳压、功率因数高和能抑制浪涌谐波等节电特性,已被广泛应用在市政照明、 交通照明、公共照明、商业照明和工厂照明等场所。与目前 大多数照明配电柜直接以220V的额定电压启动各种灯具不 同,它还带有“软启动电路”。这种特性很适合启动那些启 动时间长、启动电流较大的高压气体放电灯(高压钠灯或金 属卤化物灯)。本文在介绍这种节能配电柜的调压原理的基 础上较详细地介绍它的软启动电路。
1 GGDZ型照明节能配电柜的工作原理
说明GGDZ型照明节能配电柜的工作原理的主电路(其 中一相)见图1,它采用补偿式无触点交流调压技术,补偿 变压器TB的副边线圈串联在主电路中,TB是调节输入电压 U in与输出电压U out之间电压差的主要部件。由图1可知,不计 补偿变压器TB上的电抗压降,有:
U out=U in±△U
式中:U in——稳压器的输入相电压,U out——稳压器的 输出相电压,△U ——稳压器一相的补偿电压。
主电路中的调压变压器TT有四个抽头,连接了8个双向

图1 照明稳压器的主电路图(其中一相)

图2 启动曲线
晶闸管(S1,S3,S5,S7为左桥臂组,S2,S4,S6,S8为右
桥臂组)。任何时候只能同时导通左右桥臂上的各一只双向 晶闸管,在输入电压波动或输出电压发生变化时,经采样、 与基准电压比较判断后,控制电路发出控制命令;在电压过 零同步脉冲的作用下使相应的晶闸管导通或关闭,切换调压 器TT的不同抽头,使补偿变压器TB产生大小和极性不同的 补偿电压,以此稳定输出电压。




2 高压气体放电灯的启动过程和启动性能的改善 对高压气体放电灯而言,它的启动特性是:启动时间 长,有的接近十分钟;启动电流大,最大值约为工作电流的
2倍。图2是这种电光源的启动电流变化曲线。通常,作用在 气体放电灯上的电压大则电流大,电压低则电流小,当然 太低也不行,因为可能启动不了。常规的照明配电柜直接以
220V的额定电压启动,而GGDZ型照明节能配电柜与这些设 备不同,对此做了特别处理,即使用软启动电路——以较低 电压(为保证可靠启动,一般不低于190V)启动,经过一定时 间逐步升高到额定电压。启动过程结束后,再在某一低于额定电压的节电状态运行,从而有效地减小启动电流,减少长时间的启动大电流对气体放电灯的使用寿命的影响和对照明 节电柜的冲击。
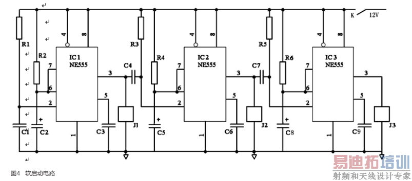
3 经济实用的软启动电路
照明节能配电柜的软启动电路由以NE555构成的定时器 和主控电路的相关部分构成。
3.1 以NE555构成的单稳态电路
NE555是一个用途很广的通用定时器IC。它的特点是输 出脉冲宽度可由外接电阻和外接电容精确控制,而且,定时 范围很宽,可从几微秒至几小时。 GGDZ照明稳压节电柜利 用它的计时精度高、温度稳定性佳且价格便宜的特点,构成 软启动电路。图3是说明NE555工作原理的单稳态电路。
NE555主要引脚含义为:Pin 2——下限触发输入端,只
间和输出电压进行编程、调节,就可节约很多电能。
要输入的脉冲电平低于1/3 UCC,就可启动它的时间周期。 Pin 3——脉冲输出端,定时开始时NE555输出高电平,定 时结束,输出回到0伏左右的低电平。Pin 6——上限阀值输 入端,当这个引脚的电压上升至2/3 U CC以上时动作。 Pin
2 高压气体放电灯的启动过程和启动性能的改善 对高压气体放电灯而言,它的启动特性是:启动时间 长,有的接近十分钟;启动电流大,最大值约为工作电流的
2倍。图2是这种电光源的启动电流变化曲线。通常,作用在 气体放电灯上的电压大则电流大,电压低则电流小,当然 太低也不行,因为可能启动不了。常规的照明配电柜直接以




4 结束语
GGDZ型照明节能配电柜因具有优良的稳压和无触点调 压等特性,已被广泛应用在市政照明、交通照明、公共照 明、商业照明和工厂照明等场合。这些节能配电柜里集成了 经济实用的软启动电路,使得它的使用价值进一步提高。不 仅有利于气体放电灯的起辉,又使灯具免受高压大电流的冲 击,提高了它们的使用寿命,同时进一步提升了照明节能配 电柜的可靠性。
射频工程师养成培训教程套装,助您快速成为一名优秀射频工程师...
天线设计工程师培训课程套装,资深专家授课,让天线设计不再难...
上一篇:紧凑型太阳能电池板利用创新性能量收集技术
下一篇:基于OBD接口的低压保护电路

