- 易迪拓培训,专注于微波、射频、天线设计工程师的培养
TinySwitchII系列微型单片开关电源的应用
TinySwitchII系列产品可广泛用于23W以下小功率、低成本的高效开关电源。例如,IC卡付费电度表中的小型化开关电源模块,手机电池恒压/恒流充电器,电源适配器(Powersupplyadapter),微机、彩电、激光打印机、录像机、摄录像机等高档家用电器中的待机电源(Standbypowersupply),还适用于ISDN及DSL网络终端设备。
使用TinySwitchII便于实现开关电源的优化设计。由于其开关频率提高到132kHz,因此高频变压器允许采用EE13或EF12.6小型化磁芯,并达到很高的电源效率。TinySwitchII具有频率抖动特性,仅用一只电感(在输出功率小于3W或可接受的较低效率时,还可用两个小电阻)和两只电容,即可进行EMI滤波。即使在短路条件下,也不需要使用大功率整流管。做具有恒压/恒流特性的充电器时,TinySwitchII能直接从输入高压中获取能量,不需要反馈绕组,并且即使输出电压降到零时仍能输出电流,因此可大大简化充电器的电路设计。对于需要欠压保护的应用领域(如PC待机电源),也能节省元件数量。
1TinySwitchII的典型应用
112.5W恒流/恒压输出式手机电池充电器
由TNY264(IC1)构成的2.5W(5V、0.5A)、交流宽范围输入的手机电池充电器电路,如图1所示。RF为熔断电阻器。85V~265V交流电经过VD1~VD4桥式整流,再通过由电感L1与C1、C2构成的π型滤波器,获得直流高压UI。R1为L1的阻尼电阻。利用TNY264的频率抖动特性,允许使用简单的滤波器和低价格的安全电容C8(Y电容)即可满足抑制初、次级之间传导式电磁干扰(EMI)的国际标准。即使发生输出端容性负载接地的最不利情况下,通过给高频变压器增加屏蔽层,仍能有效抑制EMI。由二极管VD6、电容C3和电阻R2构成的钳位保护电路,能将功率MOSFET关断时加在漏极上的尖峰电压限制在安全范围以内。当输出电流IO低于500mA时,电压控制环工作,电流控制环则因晶体管VT截止而不起作用。此时,输出电压UO由光耦合器IC2(LTV817)中LED的正向压降(UF≈1V)和稳压管VDZ的稳压值(UZ=3.9V)来共同设定,即UO=UF+UZ≈5V。电阻R8给稳压管提供偏置电流,使VDZ的稳定电流IZ接近于典型值。次级电压经VD5、C5、L2和C6整流滤波后,获得+5V输出电压。
TinySwitchII的开关频率较高,在输出整流管VD5关断后的反向恢复过程中,会产生开关噪声,容易损坏整流管。虽然在VD5两端并上由阻容元件串联而成的RC吸收电路,能对开关噪声起到一定的抑制作用,但效果仍不理想,况且在电阻上还会造成功率损耗。解决的办法是在次级整流滤波器上串联一只磁珠。

图12.5W恒压/恒流式手机电池充电器
磁珠(Magneticbead)是近年来问世的一种超小型的非晶合金磁性材料,它与铁氧体属两种材料。市售的磁珠外形与塑封二极管相仿,外形呈管状,但改用磁性材料封装,内穿一根导线而制成的小电感。常见磁珠的外形尺寸有Φ2.5×3(mm)、Φ2.5×8(mm)、Φ3×5(mm)等多种规格。供单片开关电源使用的磁珠,电感量一般为几至几十μH。磁珠的直流电阻非常小,一般为0.005Ω~0.01Ω。通常噪声滤波器只能吸收已发生了的噪声,属于被动抑制型;磁珠的作用则不同,它能抑制开关噪声的产生,因此属于主动抑制型,这是二者的根本区别。磁珠可广泛用于高频开关电源、录像机、电子测量仪器、以及各种对噪声要求非常严格的电路中。图1中的滤波电感L2,就选用3.3μH的磁珠,可滤除VD5在反向恢复过程中产生的开关噪声。
由晶体管VT、电流检测电阻R4和光耦合器IC2组成电流控制环。当输出电流IO接近于500mA时,由于R4上的压降升高,使晶体管VT的发射极电压UBE也随之升高,VT进入放大区,此时电流控制环开始起作用,输出呈恒流特性。即使输出端发生短路故障,使得IO↑,UO→0V,由于电阻R6和R4上的总压降约为1.2V,仍能维持VT和光耦合器中LED的正常工作。R3为基极限流电阻。
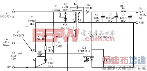
1215W的PC机待机电源电路
一种输出功率为15W的PC机待机电源电路如图2所示。该电源可提供两路输出:主输出为+5V、3A;辅助输出则为+12V、20mA。总输出功率为15.24W,电源效率高于78%。电路中采用两片集成电路:TNY267P型微型单片开关电源(IC1),SFH6152型线性光耦合器(IC2)。直流输入电压为140V~375V,这对应于交流输入电压为230V±15%或者110/115V倍压输入的情况。利用TNY267P的欠压检测、自动重启动和高频开关特性,允许使用体积较小、价格较低的EE22型高频变压器磁芯。TNY267P芯片采用的是DIP8封装形式,它能滤除因输出滤波电容缓慢放电而引起自动重启动时,在输出电压波形上形成的毛刺。当输入电压低于欠压值时,TNY267P就自动关断,起到保护作用;仅当输入电压高于欠压阈值时才工作。R2、R3为欠压阈值设定电阻。二者的总阻值选4MΩ时,欠压阈值设定为直流200V,整流后的直流高压UI必须高于200V时,才能开启电源。而一旦开启电源,就将持续工作,直到UI降至140V才关机。这种滞后式关机的特性,可为待机电源提供所需的保持(Holdup)时间。
初级一侧的辅助绕组经VD2、C2整流滤波后,获得+12V输出电压,并通过R4给TNY267P供电。正常工作时TNY267P内部漏极驱动的电流源也停止对外部旁路电容充电,以减少其间的静态损耗。选R4=10kΩ时,可为旁路端提供640μA的电流,这略高于TNY267P的损耗电流,超出部分将被芯片内部的稳压管钳位在6.3V的安全电压上。
次级输出经VD3、C6和C7进行整流滤波。L与C8构成后级滤波器,主要用来滤除开关噪声。当输出端短路时,自动重启动电路就限制了输出电流的增大,并且滤除了对VD3的过冲电压。由光耦合器IC2(SFH6152)、稳压管VDZ对5V输出进行检测,R5给稳压管提供偏置电流。
2电路设计要点
21使用注意事项
(1)直流输入电压UI的最小值UImin可按90V来设计。输入宽范围电压(85V~265V)时,输入级滤波电容C1的容量可按3μF/W的比例系数来选取;例如当输出功率PO=10W时,C1=30μF。对于交流230V±15%固定电压输入的情况,比例系数可取1μF/W。

图215W的PC机待机电源电路

图3TinySwitchII的印制板元件布置图 [p]
(2)为了降低损耗,提高电源效率,次级整流管宜
采用肖特基势垒二极管(SchottkyBarrierDiode,英文缩写为SBD),简称肖特基二极管。这种管子具有正向压降低(UF≈0.4V)、功率损耗小、反向恢复时间短(trr可小到几ns)等优点,适合用做低压、大电流整流或续流。
(3)选择输出功率较大的TinySwitchII芯片,有
助于提高电源效率。例如在图2所示的电路中,选择TNY267时电源效率的下限值为78%;若采用TNY266、TNY264,就依次降为76%、74%。
(4)在特定的应用中,TinySwitchII的最大输出功
率随热环境(包括环境温度,散热条件,通风状况以及电源采用密封式还是敞开式等因素)、高频变压器磁芯的尺寸、工作方式的设计(连续模式或不连续模式)、所需功率、输入电压的最小值、输入级滤波电容的容量、输出整流管的正向压降等条件而变化,可能与TinySwitchII系列第二代微型开关电源的原理一文中的表1中所列的典型值不同[见《电源技术应用》2001(11)]。
(5)TinySwitchII能滤除高频变压器产生的音频
噪声。允许采用普通结构的浸漆变压器,磁芯之间也可以不用胶粘接。当开关电源随负载的减轻而产生音频干扰时,TinySwitchII就通过不连续地减小极限电流值,以滤除音频噪声。
(6)图1中的LTV817型线性光耦合器,可用
PC817或PC817A来代替。它们的技术参数基本相同,电流传输比CTR=80%~160%,反向击穿电压U(BR)CEO≥35V。
(7)在图2所示电路中,待机电源若选择TNY266P芯片,输出功率就降为10W。此时可选EE16型高频变压器磁芯,并且还可以去掉滤波电容C7。
22印制板设计要点
TinySwitchII芯片的印制板元器件布置图,如图3所示,这里未使用欠压保护电阻。设计印制板时必须注意以下事项:
(1)TinySwitchII下面的敷铜板不仅作为源极接
地点,还起到散热作用。图3中阴影区域面积应足够大,才能保证TinySwitchII和次级整流管散热良好,使芯片的结温低于100℃。
(2)旁路端电容CBP和输入滤波电容C1必须采
用单点接地法,接至源极端。连接C1、高频变压器和TinySwitchII的初级回路应尽量短捷。
(3)初级钳位电路用于限制关断时漏极上的峰
值电压。可用R、C、VD型钳位电路来实现,亦可用200V稳压管或者瞬态电压抑制器(TVS)对漏极电压进行钳位。在任何情况下,都要使钳位元器件到高频变压器和TinySwitchII的距离为最短。
(4)若使用欠压检测电阻,应使电阻尽可能靠近
EN/UV端,以减少感应噪声。还需要考虑欠压检测电阻R2和R3的耐压值。选择(1/4)W的电阻时,一般可承受200V电压(指连续加压,下同);对(1/2)W的电阻,耐压值则为400V。
(5)安全电容(Y电容)应直接安装在初级滤波电容的正极与次级的公共地(返回端)之间,最大限度地抑制电磁干扰和共模浪涌电压。
(6)光耦合器到TinySwitchII的EN/UV端和源极的距离应最短,以减小噪声耦合。EN/UV脚到光耦合器的距离应小于12.7mm,到漏极的距离则应大于5.1mm。
(7)为提高稳压性能,连到次级绕组、次级整流管、次级滤波电容的的环路要尽量短。次级整流管的焊盘面积须足够大,以确保在输出短路的情况下能将整流二极管的热量及时散发掉。
(8)连到输入、输出滤波电容的印制导线采用了末端收缩的布线方式,这有两个好处:
——能使所有的高频电流通过滤波电容被滤掉(若印制导线过宽,印制导线之间的分布电容就会影响对高频干扰的滤波效果);
——减少由TinySwitchII向输入滤波电容、由次级整流管向输出滤波电容传输的热量。返回端与次级的连线要短捷、连线的特性阻抗要低。另外,返回端应直接连到次级绕组的引脚处,而不是Y电容的焊点处。
射频工程师养成培训教程套装,助您快速成为一名优秀射频工程师...

