- 易迪拓培训,专注于微波、射频、天线设计工程师的培养
微型硬盘便携式设备的选择,降压/升压转换器or降压转换器
采用微型硬盘的便携式电子设备有一个设计难题,是选择降压转换器还是降压/升压转换器。下面是一些必须了解的知识。
目前对于很多MP3播放器、多媒体播放器、数字视频录像机以及其它便携式电子设备来说,微型硬盘是用来存储数据的最佳选择。然而,由于锂离子电池的电压范围是2.5V到4.2V,而微型硬盘的电压一般为3.3V,对微型硬盘的应用就面临着一个进退两难的选择:是选择低压差DC/DC降压转换器,还是选择降压/升压转换器。
降压转换器(如图1)以最小的外部组件提供了最有效的转换方案,但是其压差达到3.3V。此时,转换器以全负载循环运行,并跟踪电池电压。而降压/升压转换器则能够将输出电压调节在锂离子电池的电压范围之外,但是效率更低,而且总体积更大。另外,大部分锂离子电池都有一个3.5V到3.6V的稳压状态,电压在此水平之下的很少,因此限制了降压/升压转换器的作用及其输入电压范围。
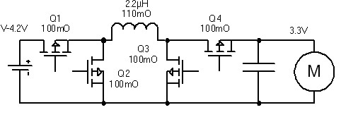
工作原理降压/升压转换器采用一个四开关配置,可用作一个降压转换器、升压转换器或者降压/升压转换器。它带有四个电源开关,其中只有两个可以随时开启或关闭,而第三个则在整个开关时段都保持开启状态(如图2)。当电池电压大于3.6V时,降压/升压转换器可用作一个降压转换器,而当输入电压小于3.6V时,其作用则相当于一个降压/升压转换器或者升压转换器。当电压小于3.6V时,降压/升压转换器的输入电流增加并超出负载电流,而降压转换器则进入全负载周期压降状态,此时输入电流被限制在负载电流以内,而输出电压则跟随输入。
那么,哪一种转换器可以让电池寿命最长呢?

图1: 锂离子-3.3V 1.3MHz 降压转换器

图 2: 锂离子-3.3V 1.5MHz 降压/升压转换器(降压:Q1和 Q2可随时开关,Q4保持开启状态;升压:Q3和Q4可随时开关,Q1 保持开启状态)
实验
让我们来作个实验,看看当3.3V微型硬盘分别采用多模式降压/升压转换器和降压转换器时,锂离子电池的寿命状况如何
不管拓扑学如何,一个大型转换器肯定可以比一个小型转换器提供更好的效率和更长的电池寿命。因此,要进行公平的对比,并得出有意义的测试结果,就必须对相同尺寸的转换器进行比较。二者都具有相似的电源MOSFET RDS(ON)和感应器DCR阻抗,因此当电压大于3.6V时,二者的损耗和电池放电特征都是基本相同的。另外,二者都使用了一个3x3mm的封装,外置感应器和电容器的大小也都是一样的,因此其占位面积也是相同的。
降压转换器方案中,当输出降至比3.3V的标定输出低5%时,电池寿命即终止;而在降压/升压转换器方案中,电池寿命的终止则以电池和转换器的关闭为标志。
一个充足了电的电池被置于转换器的输入端,而输出端则有一个衡定的电流负载。电池和转换器的电压每隔一个特定时段都会被记录一次,直到电池的电完全耗尽。

表格1: 转换器特征
结果
在电池放电曲线中的大多数阶段里,两种转换器都以降压模式运行(如图3)。这给降压转换器提供了一个性能优势,因为在功率转换过程中,它带有一个功率更小的MOSFET。而当电压低于3.5V时,降压/升压转换器的输入电流则会增大(如图6)。由于这个增大的电流,以及其加速电池放电的特性,电池的电压会很快降至3.5V以下。
总的看来,与降压升压转换器相比,降压转换器始终都能提供同样长或者更长的电池寿命。在电流为300mA时,降压转换器输出电压的偏差保持在5%之内的时间要比降压/升压转换器能够保持的时间长9分钟。之后,降压转换器能够继续以压差模式运行,并继续追踪电池电压达4分钟。而在电流为800mA时,两种方案的电池寿命是一样的。表格2是实验结果。

表格2: 电池寿命测试结果

图3:锂离子电池放电

图4: 300mA 锂离子电池放电

图5: 800mA 锂离子电池放电

图 6: 锂离子电池放电
概论与总结
对于使用3.3V微型硬盘的便携式设备来说,当采用降压/升压转换器来代替降压转换器时,并不意味着锂离子电池的电池寿命就会增加。在此次测试中,当以300mA的电流、3.3V的输出电压给微型硬盘供电时,使用降压转换器时的电池寿命比使用降压/升压转换器时电池的寿命要长9分钟。
但是当电流为800mA时,由于降压转换器压差电压的增加以及锂离子电池台阶电压的降低,使用两种转换器时电池的寿命都是一样的。
大多数锂离子电池都能够保持一个台阶电压水平,让降压转换器可以在电池寿命期内将电压保持在3.3V。当过了这个台阶之后,电池能放的电量已经很少了,这样一来,尽管降压/升压转换器输入电压的范围较大,但这一优势已经被几乎完全抵消了。如果电池的台阶电压低于3.3V,那么使用这种电池的设备就更适合采用降压/升压转换器,此时电池的寿命也能更长。
在选择最适合电池寿命的转换器的类型时,对电池和转换器在特定负载情况下的特征评估是非常重要的(例如:台阶电压、效率等等)。当然,最终还是要根据实验室的测试结果来选择最适合的转换器。
作者:Charles Coles
Advanced Analogic Technologies公司
射频工程师养成培训教程套装,助您快速成为一名优秀射频工程师...
天线设计工程师培训课程套装,资深专家授课,让天线设计不再难...
上一篇:低压差线性稳压器(LDO)浅谈
下一篇:基于仿真的设计集成提高混合动力车辆的可靠性

