- 易迪拓培训,专注于微波、射频、天线设计工程师的培养
开关设备应用中螺线管线圈的驱动方法
所有电源系统的主要目的都是维持高水平的持续供电能力,并在出现不可承受状态时,最小化其影响范围和断电时间。功率损耗、电压下降、过电流和过压总会出现,因为我们无法避免自然事件、物理事故、设备故障或者人为误操作。组合使用一些器件,用于保护电气设备免受这些事件的损害,也即“接电装置”。螺线管和继电器是所有接电装置中不可或缺的组成部分。它们通过线圈通电和接触,连接/断开受保护设备的电源。本文为您介绍继电器、电流接触器和阀门中常见的螺线管线圈的一些特性。另外,文章还介绍了一些驱动它们的方法,并说明有效驱动的发展趋势。本文还列举了一些接电装置应用电路的例子。
过电流保护器件(例如:断路器等),用于保护导体不受过电流的损害。设计这些保护器件的目的是,让电路中的电流保持在一个安全水平,以防止电路导体器过热。电流接触器主要用于连接或者断开导体接触电流。它们用于一些频繁或者长期不变的导通-断开连接。
为了保护电路免受强电流的损害,保护性器件必须知道故障状态何时出现,并能自动将电气设备同电源断开。过电流保护器件必须能够区分过电流与短路的区别,并以正确的方式做出反应。可以允许一定时间的小过电流,但是,随着电流量的增加,保护器件必须能够更加迅速地做出响应,例如:迅即阻止短路。
螺线管线圈特性
机电螺线管由一个围绕可移动钢或铁芯(称作“电枢”)的电磁感应线圈绕组组成。该线圈的形状可让电枢移入或移出其中心,从而改变线圈的电感,最终形成电磁(请参见图1)。电枢用于向一些机械装置提供机械力。

图1:螺线管工作原理
螺线管的主要电特性是,它是一种电感器,拥有电感,这是一种对抗电流变化的特性。这就是当螺线管带电时电流不会立即达到最大水平的原因。相反,电流以一种稳定的速率增加,直到其受到螺线管DC电阻的限制为止。电感器(例如:螺线管)以集中磁场的方式存储能量。只要线路或者导体内存在电流,就会在线路周围形成磁场(尽管很小)。把线路绕成一个线圈(例如:螺线管中的线圈)以后,磁场便变得非常集中。通过电信号,电磁可用于控制机械阀门。螺线管一通电,电流便增加,从而使磁场不断扩展,直到其强至能够移动电枢为止。电枢移动会增加磁场的集中度,因为电枢自有磁质量移至更远,进入该磁场。记住,磁场变化的方向与让其形成的电流的方向相同,从而在绕组中引起反向电压。由于电枢运动时磁场迅速扩展,它会使通过螺线管绕组的电流短暂下降。在电枢运动后,电流继续沿其正常路径上升至最大水平。结果如图2中电流波形所示。注意观察电流波形上升过程中的明显下探点。
[p]
螺线管线圈驱动:电压还是电流驱动?
所前所述,螺线管的电枢用于为机械装置提供机械力。施加给电枢的力与电枢位置变化时线圈的电感变化成比例关系。另外,它还与流经线圈的电流成比例关系(根据法拉第的电感定律)。方程式1计算螺线管电磁对某个通过电荷所施加的力:
力=Q ×V×(磁常量× N × I),(1)
其中,Q为通过点电荷的电荷;V为该点电荷的速度;磁常量为4π×10–7;N为螺线管线圈的匝数;I为通过螺线管的电流。这表明,螺线管的电磁力直接与电流有关。
传统上,电压驱动用于驱动螺线管线圈;因此,线圈内持续消耗电力。这种功率消耗的一个不利影响是线圈发热,之后扩散至整个继电器。线圈温度由环境温度、V×I线圈功耗带来的自发热、接触系统引起的发热、涡电流产生的磁化损耗以及其它热源(例如:继电器附近的一些组件)共同决定。由于线圈发热,线圈电阻增加。高温电阻计算方法如方程式2所示:

其中,RCoil_20℃为电阻20℃值,而kR_T则为铜的热系数,其等于0.0034每摄氏度。根据RCoil_20℃(一般可在螺线管线圈产品说明书中找到),可计算得到高温下的极端线圈电阻。在电路设计期间,需注意进行极端条件下的相关计算,例如:工作拾取电压的最高可能线圈温度。

图2:螺线管电流
[p]
需要注意的另一点是,就特定线圈而言,在任何条件下拾取电流都保持不变。拾取电流取决于拾取电压和线圈电阻(IPick-up= VPick-up/RCoil)。大多数继电器均由铜线制成。根据方程式2,由于线圈温度上升,线圈电阻增加。因此,热线圈的拾取电压应更高,以产生要求的拾取电流。例如,如果一个12VDC继电器的拾取电压为9.6VDC,并且20℃下线圈电阻为400Ω,则IPick-up= 24 mA。当线圈温度上升至40℃时,线圈电阻增加至432Ω。因此,拾取电压为10.36 VDC。(拾取电流保持不变。)换句话说,温度增加20℃,拾取电压上升0.76VDC。继电器使用更高占空比时,由于线圈的温度上升,每个连续周期的拾取电压可能会稍微上升。图3表明,如果使用电压驱动,则用户可能不得不对线圈进行超裕度设计。

图3:螺线管电压驱动的超裕量设计
简而言之,由于电流随线圈电阻、温度、电源电压等变化而变化,因此电压驱动迫使我们只能进行超裕度设计。所以,对于许多螺线管的器件来说,使用电流驱动是最佳方式。
功耗优化
关闭一个继电器或者阀门,要求使用大量的能量。激活螺线管致动器的瞬间电流(称作“峰值电流”,Ipeak)会非常高。但是,一旦继电器或者阀门关闭,将其维持在这种状态下所要求的电流(称作“保持电流”,IHold)则大大小于峰值电流。一般而言,保持电流均小于峰值电流:IHold< IPeak。
使用电压驱动时,螺线管线圈的电流持续,并且高于使用电流驱动的情况(图4)。与电压驱动不同,电流驱动无需为温度或者螺线管差异引起的参数变化留出余量。这种设计要求使用单独的峰值电流值(大小可能为数安培),并同时使用固态保持电流(可能仅为峰值电流值的1/20)。

图4:电压驱动和电流驱动的螺线管电流
[p]
螺线管线圈驱动的电流控制实施
传统上,我们直接通过微控制器(MCU)的通用输入/输出(GPIO)来驱动螺线管线圈(图5a)。通过一个由MCU的GPIO控制的一个开关,激活线圈。人们开发出了一种新的驱动系统,其使用波形的脉宽调制(PWM)(图5b)。线圈经由一个受MCU的PWM控制的开关来激活,然后占空比决定通过线圈的平均电流。我们使用了德州仪器DRV110,它是一种带有集成电源调节的节能型螺线管控制器(图5c)。这种基于DRV110的系统,设计它的目的是通过较好控制的波形来调节电流,以降低功耗。在初始上升以后,螺线管电流保持在峰值上,以确保正常工作,之后降至某个更低的保持水平,目的是避免发热问题和降低功耗。图6的曲线图比较了传统驱动器和DRV110的工作情况。注意,其它一些方法也可降低电压,但却需要一定的开销才能保证在各种温度下保持电流始终不变。

图5:线圈驱动方法

图6:传统驱动器和DRV110工作原理比较
图7显示了基于DRV110的一个典型应用电路。DRV110控制通过螺线管的电流(LS),如图7所示。EN引脚电压被(内部或者外部驱动器)拉高时,激活开始。在激活之初,DRV110允许负载电流升高至峰值(IPeak),然后在降低至IHold以前对其进行tKeep时间的调节。只要EN引脚维持高电平,则把负载电流调节至保持值。初始电流上升时间取决于螺线管的电感和电阻。一旦EN引脚被驱动至GND,则DRV110允许螺线管电流降至零。

图7:DRV110和螺线管电流波形的典型应用电路
[p]
计算DRV110的IPeak和IHold
DRV110的激活(峰值)电流由线圈的“导通”电阻和继电器要求的拾取电压所决定。最高温度电阻值(RCoil_T(max))和继电器额定工作电压(Vnom)可用于计算最高温度下要求的IPeak值:

DRV110的保持电流由线圈的“导通”电阻以及避免继电器出现压降所要求的电压决定。为了使继电器不出现压降,制造厂商均在其产品说明书中列出了建议电压值;但是,应为振动和其它意外情况留出一定的余量。许多继电器制造厂商把额定电压的35%作为安全极限。假设这一极限值够用,则可使用RCoil_T(max)值和继电器额定工作电压(Vnom)来计算不同工作温度的IHold值:

接电装置应用举例
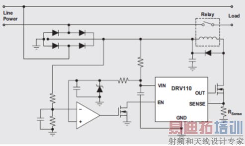
如果在规定时间负载超出器件的额定电流,则过载保护会让器件断开电路连接。图8所示保护电路实现通过测量电流和电压来产生激活(EN)信号。(为了简化图8-10,未显示OSC、PEAK、HOLD和KEEP的DRV110引脚连接。)

图8:过载保护
磁接触器需要一个电流通过线圈,以移动该接触器进入关闭或者开启位置。图9显示了使用DRV110的一个接触器系统的RMS电压检测电路实现。

图9:RMS电压检测磁接触器系统
利用DRV110还可以实现欠压和过压保护(图10)。使用两个比较器来测量高低阈值电压。根据每个比较器的输出,SR触发器向DRV110发送一个激活(EN)信号。

图10:欠压和过压保护
结论
使用集成电源调节的节能型螺线管控制器有很多好处。为了实现节能的目的,电流调节是致动器力控制最为精确的方法。由于这种系统不受线圈电阻、电源电压和温度变化的影响,因此无需增加余量。另外,系统可靠性也得到了提高,因为螺线管行为经过了反复优化。最后,还降低了系统成本。由于能量得到精确控制,使用更小、更便宜的线圈,便可轻松获得可以接受的驱动性能。
作者:Sanjay Pithadia
德州仪器 (TI) 高级模拟应用工程师
射频工程师养成培训教程套装,助您快速成为一名优秀射频工程师...

