- 易迪拓培训,专注于微波、射频、天线设计工程师的培养
多电源系统的监控和时序控制
当今的现今,电子系统往往具有许多不同的电源轨。在采用模拟电路和微处理器、DSP、ASIC、FPGA的系统中,尤其如此。为实现可靠、可重复的操作,必须监控各电源电压的开关时序、上升和下降速率、加电顺序以及幅度。既定的电源系统设计可能包括电源时序控制、电源跟踪、电源电压/电流监控和控制。有各种各样的电源管理IC可以执行时序控制、跟踪、上电和关断监控等功能。
时序控制和跟踪器件可以监控和控制多个电源轨,其功能可能包括设置开启时间和电压上升速率、欠压和过压故障检测、余量微调(在标称电压值的一定范围内调整电源电压)以及有序关断。适合这些应用的IC种类众多,简单的如利用电阻、电容和比较器构成的纯模拟器件,复杂的如高集成度状态机和通过I2C总线进行数字控制的可编程器件。某些情况下,系统的电压调节器和控制器可能包括关键控制功能。
对于采用多个开关控制器和调节器的系统,还有一个考虑是器件以不同开关频率工作时,如何将产生的系统噪声降至最低。常常需要同步调节器的时钟,事实上,如今的许多高性能开关控制器和调节器都可以与外部时钟同步。

图1. 电源轨的控制类型
电源时序控制和跟踪
所谓电源时序控制,是指以指定顺序开关电源。电源时序控制可以简单地基于既定的时间顺序,或者一个电源的开启时间取决于另一个电源何时达到设定的阈值。电源跟踪基于这样一个事实:电源电压无法(一般也不应)瞬间改变。电源系统设计师可以利用这一特性,有效地控制系统中各电源相对于其它电源的斜率。电源跟踪分为三类:同步、比率和偏移。图1中的四幅图对时序控制、同步跟踪、比率跟踪和偏移跟踪进行了比较。
图1a中,三个电源按一定的时间顺序开启和关闭。首先是3.3 V电源开启,后续电源的开启和关闭延迟时间取决于应用的需要。如果额定最大值要求电源按一定的顺序激活,这种简单的时序控制技术将能确保有源器件的电压不会超过额定最大值。举例来说,在ADC驱动的放大器上电之前,我们必须保证ADC的电源存在,否则可能损坏ADC的前端。
图1b显示同步跟踪情况,所有三个电源同时开启,并且以相同的速率彼此跟踪,因此最低电源电压首先建立,然后是较高的电源电压。电源关断以相反的方式进行。这个例子很好地说明了旧式FPGA或微处理器应用中电源是如何接通的:首先激活较低的内核电压,然后接通辅助或I/O电源。稍后将以Xilinx Virtex-5 FPGA的同步跟踪举例说明。
图1c中,电源以不同的斜率上电。如前所述,能够对电源的斜率dV/dt进行控制是一个非常有用的特性,它可以防止电路中去耦电容的大浪涌电流(充电电流)损坏器件。如果不加限制的话,浪涌电流可能大大超过标称工作电流。斜率限制可以防止有源器件闩锁、电容短路、PCB走线受损以及线路保险丝熔断。
图1d中,所有电源具有相同的斜率,但其施加时间由预定的失调电压决定。此类跟踪适用于需要限制电源电压差(常常出现在DAC和ADC等混合信号器件的额定最大值部分)的器件,这种方法可以防止器件永久性受损。
点击下一页:基于FPGA的设计示例
[p]
基于FPGA的设计示例
使用FPGA系统的供电是探讨多电源系统处理的活教材。适当的FPGA电源控制对于实现可靠、可重复的设计至关重要,否则可能会在实验室甚至现场引发灾难性故障。大多数FPGA具有多个电源轨,一般表示为VCCO, VCCAUX, 和 VCCINT。这些电源分别用于为FPGA内核、辅助电路(如时钟和PLL等)、接口逻辑供电.
这些电源轨需要考虑的事项可以分为如下几类:
●电源轨的时序控制
●电源轨电压的容差要求
●电源可能有软启动或斜率控制需求
下面以Xilinx Virtex-5系列FPGA的电源要求为例来说明,该系列提供许多特性,包括逻辑可编程能力、信号处理和时钟管理。根据数据手册,Virtex-5的电源上电顺序要求为 VCCINT, VCCAUX, 和 VCCO。这些电源相对于地的斜坡时间为200 μs(最小值)至50 ms(最大值)。建议工作条件如表1所示。

表1. Xilinx Virtex-5电源轨要求
如前所述,Virtex-5要求同步电压跟踪。此外,电源必须在特定的建议工作容差范围内,而且必须在特定的dV/dt范围内上升和下降。
但是,FPGA只是一个较大系统的一部分。为了进一步阐明本例,假设有一个高电流、5 V主系统电源轨。为FPGA内核供电的1 V电源具有±5% (±50 mV)的容差,需要提供最高4 A的电流。3 V电源为通用逻辑电源,具有±5%的容差,在本例中需要提供4 A电流以便为FPGA I/O和设计中的其它逻辑器件供电。2.5 V电源为模拟电源,需要提供低噪声的100 mA电流。
针对此应用,利用双通道降压控制器ADP1850提供1 V和3 V高电流电源是一个很好的解决方案。ADP1850具有许多特性,其中包括:软启动控制、同步跟踪以及主从电源时序控制。上电时的上升速率由SS1和SS2引脚上的电容控制。本例中,3 V数字电源是主电源。针对2.5 V模拟电源,超低噪声低压差调节器(LDO) ADP150是绝佳选择,它可以利用ADP1850的PGOOD2信号进行时序控制。图2为该系统的简化框图,显示了时序控制的一般流程,详情参见ADP1850数据手册。

图2. Virtex-5的电源系统
上例说明了时序控制和跟踪的常见使用方式,可以将其扩展到当今的许多多电源系统,包括基于微处理器的系统和涉及混合信号技术(ADC和DAC)的系统。
点击下一页:模拟电压和电流监控
[p]
模拟电压和电流监控 (ADM1191)
针对要求精密监控多个系统电源电流和电压的高可靠性应用,可以使用简单易行的模拟监控电路。例如,数字电源监控器 ADM1191提供1%的测量精度,包括一个用于电流和电压回读的12位ADC、一个精密电流检测放大器以及一路用于提供过流中断的ALERTB输出。图3显示了ADM1191结合一个主控制器(如微处理器或微控制器等)的应用。

图3. 简单的电源电压和电流监控器
ADM1191通过I2C总线与主控制器通信。通过配置A0和A1引脚的逻辑输入电平,同一系统最多可以支持16个器件的寻址。本地控制器可以将测得的电压与电流相乘,从而计算电源轨的功耗。发生过流状况时,ALERTB信号通过一个中断快速通知控制器,这个关于故障状况的快速报警可以帮助保护系统免遭损坏。
时序控制和监控的结合
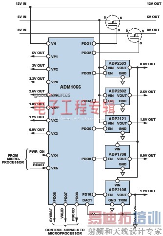
大型固定系统,甚至某些高性能插卡,具有许多需要控制和监控的电源轨。图4涉及到一个具有8个电源轨的复杂电源系统的控制。系统的核心是ADM1066,它是一款灵活的高集成度超级电源时序控制器Super Sequencer,可提供完整的电源控制功能,特性包括时序控制、监控、余量微调和编程能力。ADM106x系列中的其它器件还具有温度监控和看门狗功能。

图4. 8轨电源系统的控制
8轨系统具有三个主电源轨:12 V、5 V和3 V。其它电源轨则是利用开关调节器和LDO从这些主电源轨产生。每个调节器具有一路使能输入,它由ADM1066的10路可编程驱动器(PD)输出之一驱动,因此用户可以按照一定的受控顺序使所有电源轨上电。ADM1066具有一个片上电荷泵,可以提升6路PD输出电压以提供外部N-MOSFET的高驱动电压;当需要控制更高电压的电源时,外部N-MOSFET用作电源轨开关。
ADM1066具有片上EEPROM,用以存储电源系统控制参数。ADI公司的实用程序为器件配置提供了便利,大大简化了上电和运行任务,消除了费时的代码开发工作。当系统进一步发展,以及有新器件加入设计时,可以轻松调整电源序列。时序参数和电压跳变点很容易重新编程。这个功能非常有用,可以节省开发时间,降低电路板开发可能延误的风险。
数字输出信号——PWRGD(电源良好)、VALID和SYSRST(系统恢复)——由ADM1066在轮询时产生,或者通过中断/数字输入提供,以便将电源系统的状态告知系统微控制器,从而在发生故障时能够采取措施。这种快速通知可以防止电容短路和其它危险状况引发灾难性损害。PWR_ON和RESET是从系统控制器到ADM1066的数字输入,用以形成完整的系统控制环路。
利用ADM1066进行电源余量微调
在系统开发期间,当设计工程师需要调整电源电压以优化其电平或使其偏离标称值时,可以使用ADM1066的片内DAC来执行电源余量微调。利用这种余量微调特性,可以在电源限制范围内对系统进行全面特性测试,而不需要使用外部仪器。该功能通常是在在线测试(ICT)期间执行,例如:当制造商希望保证受测产品能够在标称电源电压±5%的范围内正常工作时。基于图4所示的电路,用户可以在许多电源轨上实现余量微调。
开环电源余量微调
对DC/DC转换器或LDO等电源进行余量微调的最简单方法,是将额外电阻切换到电源模块的反馈节点中,以改变反馈或调整节点的电压,从而利用DAC迫使输出电压上调或下调所需的幅度。采用这种衰减器(图5)时,可以通过SMBus更新相关DAC输出的值,从而远程命令ADM11066执行电源余量微调。该过程可以利用独立于系统控制环路的开环技术实现。

图5. 开环余量微调
ADM1066最多可以为6个电源执行开环余量微调,它利用6个片上电压输出DAC(DAC1至DAC6)驱动要微调的电源模块的反馈引脚。实现这一功能的最简单电路是利用一个衰减电阻(R3),将DACx引脚连接到DC/DC转换器的反馈节点。当DACx输出电压设定为与反馈电压相等时,无电流流入衰减电阻,DC/DC转换器的输出电压不发生变化。当DACx输出电压高于反馈电压时,电流流入反馈节点,DC/DC转换器的输出必须下降以进行补偿。要提升DC/DC转换器输出,DACx输出电压设定值须低于反馈节点电压。为降低噪声,如图中所示,可以将该串联电阻分成两个电阻,其间的节点可以通过一个电容去耦到DC/DC转换器的地。
点击下一页:闭环电源余量微调
[p]
闭环电源余量微调
一种更精确、更全面的余量微调方法是在闭环系统中使用类似的电路。图4所示为针对1.2 V输出的一个例子。要微调的电源轨电压可以通过VX2回读,确保将其精确调整到目标电压。ADM1066集成了执行微调所需的全部电路,12位逐次逼近型ADC用于读取受监控电压的电平,6个电压输出DAC用于按照上述方法调整电源电平。这些电路可以配合微控制器等其它智能器件使用,以实现闭环余量微调系统,它可以将DC/DC转换器或LDO电源设定到任何电压,精度为目标值的±0.5%。
为了在要测试的电源轨上实现闭环余量微调,请执行下列步骤:
1.禁用6路DACx输出。
2.DACx输出电压设定为反馈节点电压
3.使能DAC
4.读取连接到VPx、VH或VXx引脚之一的DC/DC转换器输出的电压。
5.需要时,提高或降低DACx输出电压以调整DC/DC转换器输出电压。否则就停止,目标电压已经达到。
6.将DAC输出电压设定为某一值,使电源输出改变所需的幅度(例如±5%)。
7.重复该过程,直至达到该电源轨所需的电压
步骤1至3确保各DACx输出缓冲器开启时,它对DC/DC转换器输出的直接影响非常小。DAC输出缓冲器的作用是消除上电时的瞬变“毛刺”,因为缓冲器首先上电并跟随引脚电压,此时它不驱动该引脚。一旦输出缓冲器正确使能,缓冲器输入即切换到DAC,缓冲器的输出级开启,从而消除输出毛刺。
开关调节器的同步
在具有多个电源轨并使用一个以上开关调节器或控制器的系统中,由于内部开关频率的差异,这些器件之间可能会相互作用。这会引起拍频谐波,大幅提高电源噪声,严重影响EMI测试。幸运的是,许多开关控制器和调节器在设计上都支持内部时钟同步。LDO不存在这个问题,但其电流输出有限,并且在大多数情况效率较差,因此有时可能不合需要。
双通道开关调节器ADP2116 就是可同步器件的一个很好的例子。通过SCFG引脚,可将其SYNC/CLKOUT引脚配置为输入SYNC引脚或输出CLKOUT引脚。作为输入SYNC引脚,它可让ADP2116与外部时钟同步,两个通道以外部时钟频率的一半、彼此180°错相工作。
作为输出CLKOUT引脚,它可提供输出时钟,其频率是通道开关频率的两倍且90°错相。因此,一个配置为CLKOUT的ADP2116可以充当主转换器,为所有其它DC/DC转换器(包括其它ADP2116器件)提供外部时钟(图6)。配置为从器件时,它接收主器件的外部时钟并与之同步。通过同步系统内的所有DC/DC转换器,这种方法可防止产生能导致EMI问题的拍频谐波。

图6. 利用外部时钟同步多个ADP2116
结束语
本文讨论多电源系统的处理方法。时序控制器、监控器、调节器和控制器具有非常高的功能集成度,便于设计工程师处理潜在的电源问题,而无需采用全部是分立IC的电路板。这些器件对设计工程师非常有用,可以提高设计成功的概率,降低重新设计的可能性和电路板开发延误的风险。
参考文献
Moloney, Alan. “Power Supply Management—Principles, Problems, and Parts.” Analog Dialogue. 40-2. May 2006.
作者简介
Rich Ghiorse [rich.ghiorse@analog.com] 于1980年加入ADI公司。他从事过多方面的工作,从产品、测试、设计到现在的应用工程。他拥有东北大学电气工程学士学位(BSEE)和电气工程硕士学位(MSEE)。Rich目前是ADI公司位于美国马萨诸塞州威明顿的客户服务中心的高级应用工程师。
射频工程师养成培训教程套装,助您快速成为一名优秀射频工程师...

