- 易迪拓培训,专注于微波、射频、天线设计工程师的培养
30kHz高频开关电源变压器的设计
1变压器的性能指标
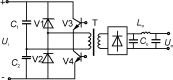
电路形式:半桥式开关电源变换器原理见图1:

工作频率f:30kHz
变换器输入电压Ui:DC300V
变换器输出电压U0:DC2100V
变换器输出电流Io:0.08A
整流电路:桥式整流
占空比D:1%~90%
输出效率η:≥80%
耐压:DC12kV
温升:+50℃
工作环境条件:-55℃~+85℃
2变压器磁心的选择与工作点确定
从变压器的性能指标要求可知,传统的薄带硅钢、铁氧体材料已很难满足变压器在频率、使用环境方面的设计要求。磁心的材料只有从坡莫合金、钴基非晶态合金和超微晶合金三种材料中来考虑,但坡莫合金、钴基非晶态价格高,约为超微晶合金的数倍,而饱和磁感应强度Bs却为超微晶合金2/3左右,且加工工艺复杂。因此,综合三种材料的性能比较(表1),选择饱和磁感应强度Bs高,温度稳定性好,价格低廉,加工方便的超微晶合金有利于变压器技术指标的实现。

磁心工作点的选择往往从磁心的材料,变压器的工作状态,工作频率,输出功率,绝缘耐压等因素来考虑。超微晶合金的饱和磁感应强度Bs较高约为1.2T,在双极性开关电源变压器的设计中,磁心的最大工作磁感应强度Bm一般可取到0.6~0.7T,经特别处理的磁心,Bm可达到0.9T。在本设计中,由于工作频率、绝缘耐压、使用环境的原因,把最大工作磁感应强度Bm定在0.6T,而磁心结构则定为不切口的矩形磁心。这种结构的磁心与环形磁心相比具有线圈绕制方便、分布参数影响小、磁心窗口利用率高、散热性好、系统绝缘可靠、但电磁兼容性较差。
3变压器主要参数的计算
3.1变压器的计算功率
半桥式变换器的输出电路为桥式整流时,其开关电源变压器的计算功率为:
Pt=UoIo(1+1/η)(1)
将Uo=2100V,Io=0.08A,η=80%代入式(1),可得Pt=378W。
3.2变压器的设计输出能力
变压器的设计输出能力为:
Ap=(Pt·104/4BmfKWKJ)1.16(2)
式中:工作频率f为30kHz,工作磁感应强度Bm取0.6T,磁心的窗口占空系数KW取0.2,矩形磁心的电流密度(温升为50℃时)KJ取468。经计算,变压器的设计输出能力AP=0.511cm4。
3.3变压器的实际输出能力
铁基超微晶铁心及超微晶软磁合金通过省级技术鉴定
1999年10月24日,由江西省科委等机关委托主持的对江西大有科技有限公司研制的新产品DY-ON型铁基超微晶磁铁心和超微晶软磁合金通过了省级技术鉴定,获得与会专家学者的高度评价,一致认为这两项产品性能稳定,各项技术指标分别达到美国UL94-P标准和国标GBm292-89技术要求,在国内同类产品中具有特色。
非晶态(超微晶)软磁合金,是90年代世界六大高科技新型材料之一,它具有优异的特点,目前国内市场供不应求,前景广阔。
变压器的输出能力即磁心的输出能力,它取决于磁心面积的乘积(AP),其值等于磁心有效截面积(AC)和它的窗口截面积(Am)的乘积,即:AP=ACAm(3)
在变压器的设计中,变压器的输出能力必须大于它的设计输出能力。在设计中,我们选用的矩形磁心的尺寸为:10×10×39×13.4(即:a=10mm,b=10mm,c=13.4mm,h=39mm),实际AP达3.66cm4(其中磁心截面积的占空系数KC取0.7),大于变压器的设计输出能力0.511cm4,因此,该磁心能够满足设计使用要求。
3.4绕组计算
初级匝数:D取50%,Ton=D/f=0.5/(30×103)=16.67μs,
忽略开关管压降,Up1=Ui/2=150V。
N1=Up1Ton10-2/2BmAc=(150×16.67)10-2
/(2×0.6×1×1×0.7)=29.77匝
取N1=30匝
次级匝数:忽略整流管压降,Up2=Uo=2100V。
N2=Up2N1/Up1=(30×2100)/150=420匝
3.5导线线径
Ip1=Up2Ip2/Up1=0.08×2100/150=1.12A
电流密度:J=KjAp-0.1410-2=468×0.511-0.14
×10-2=5.14A/mm2
考虑到线包损耗与温升,把电流密度定为4A/mm2
(1)初级绕组:
计算导线截面积为Sm1=Ip1/J=1.12/4=0.28mm2
初级绕组的线径可选d=0.63mm,其截面积为0.312mm2的圆铜线。
(2)次级绕组:
计算导线截面积为Sm2=Ip2/J=0.08/4=0.02mm2。
次级绕组的线径可选d=0.16mm的圆铜线,其截面积为0.02mm2。为了方便线圈绕制也可选用线径较粗的导线。
4线圈绕制与绝缘
为减小分布参数的影响,初级采用双腿并绕连接的结构,次级采用分段绕制,串联相接的方式,降低绕组间的电压差,提高变压器的可靠性,绕制后的线圈厚度约为4.5mm。小于磁心窗口宽度13.4mm的一半。在变压器的绝缘方面,线圈绝缘选用抗电强度高、介质损耗低的复合纤维绝缘纸,提高初、次级之间的绝缘强度和抗电晕能力。变压器绝缘则采用整体灌注的方法来保证变压器的绝缘使用要求。
5结束语
该超微晶开关电源变压器,环氧灌注绝缘后通过了产品的电性能检测和机载条件的环境试验,已用于机载设备,变压器的温升<35℃,工作效率达到90%以上,且波形质量优异,电性能参数稳定。超微晶合金薄带是新型的软磁合金,电磁性能优异,价格低廉,环境适应能力强,在高频电磁元件领域具有广阔的应用前景,特别是在阵面雷达系统中的电源、激励变压器、电感等。在100kHz的使用条件下,可以取代铁氧体、坡莫合金用作磁心材料。
射频工程师养成培训教程套装,助您快速成为一名优秀射频工程师...
天线设计工程师培训课程套装,资深专家授课,让天线设计不再难...
上一篇:什么是Factorized
Power
Architecture——突破传统的分布式电源结构
下一篇:什么是DVI数字显示接口标准

