- 易迪拓培训,专注于微波、射频、天线设计工程师的培养
一种多路输出开关电源控制器
录入:edatop.com 点击:
0 引言
SC2463是一个高性能多输出降压转换控制器。它可以被配置用在不同的电源管理应用中,比如有多路输出电压需求的ADSL电源,需要正负电压的混合信号电源,电脑调制解调器电源,基站电源,通用的多路输出电压的电源系统。
1 描述
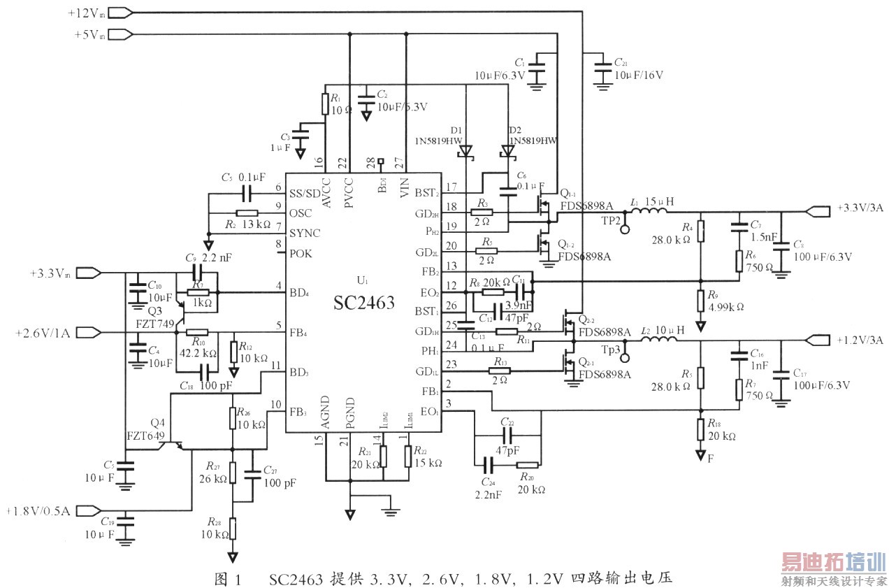
SC2463提供了4.5V至30V的宽输入电压范围,两个可设置达700 kHz开关频率的开关转换器,能提供高达15A输出电流及低至0.5V输出电压。它还提供了两个正输出电压线性调节器。芯片TSS0P一28小封装极大地减小了线路板面积。
SC2463两个异相降压开关转换器可以减小输入电流纹波,允许使用更少的输入电容。高达700kHz的开关频率可以减少输出电压纹波并且降低噪音,同时还可以减小输出电感和电容的尺寸。其它的特性还包括软启动,电源正常指示和频率同步。如图l所示,电源VIN,PVCC和AVCC都给SC2463供电。其中AVCC为芯片内部振荡器、开关、低差压稳压器和电源正常电路提供偏置电压。PVCC用来驱动低端场效应管。当VIN高于14V时,需串联一个1100kΩ的电阻或一个外部PNP晶体管作为线性调节器,给AVCC和PVCC提供偏置电压。SC2463利用一个内部电流源和一个连在ILIM和AGND之间的外部电阻来调节通过场效应管的电流限流值。

如图2所示,SC2463启动时由一个5μA电流源给软启动管脚SS充电。当管脚SS电压达到O.5 V时,第一个开关转换器开始启动,误差放大器的参考电压随软启动信号开始上升。当管脚ss电压达到3 V时.将立刻被下拉到大约0 7V,此时第二个开关转换器开始按照第一开关转换器的形式进行软启动。当管脚SS电压第二次到达3V时,便会被第二次下拉至大约O.7V,此时两个正向LD0被启动。正向LDO的参考电压随管脚SS电压开始上升。管脚SS将会上拉至电源电压AVCC。此时间由管脚SS上的软启动电容值(C5)来控制。如果管脚SS被外部信号下拉至0.5 V以下,SC2463则不能工作。电源正常信号输出(POK)用来监测开关转换器中误差放大器的反馈电压(FB),如果这电压高于0.55V或低于O.45V,管脚POK便会被拉低,并且保持低态直到启动结束。低端栅极驱动器由PVCC供电并提供1A的峰值电流。高端栅极驱动也能提供1A峰值电流。
图2中波形A是软启动管脚SS上的电压。波形B是第一个开关转换器的上端场效应管驱动电压(GDIH)。波形C是二个开关转换器的上端场效应管驱动电压(GD2H)。波形D是LDO输出电压(2 6V)。图1中的SC2463电源1.2V输出电压首先建立。随后建立的输出电压是3.3 V。而二组线性稳压的2 6V和1.8V输出电压最后建立。
2 电源设计要点
降压式开关电源功率器件基本上是由滤波电感,输出滤波电容,输入滤波电容和功率场效应管所组成。
2.1 电感设计
输出电感的选择及设计是基于输出DC电压的稳态和瞬态的要求。较大的电感值可减小输出纹波电流和纹波电压,但在负载瞬变过程中改变电感电流的时间会加长。较小的电感值可得到低的直流铜损,但是交流磁芯损耗和交流绕线电阻损耗会变大。折衷的方法是选择电感纹波电流峰峰值在输出负载电流额定值的20%到30%之间。假定电感纹波电流峰峰值是负载直流电流的20%,那么输出电感值为

以图1中开关变换器中的L1为例,VIN=5V,Vo=3.3 V,Io=3 A,fs=150 kHz,由此计算出来的电感值是12.5 μH。可选用市场上很容易采购到的15 μH/5 A表面贴装电感。
2.2 输出电容
输出电容应按照输出电压纹波和负载动态变化要求来选择。输出电感产生的纹波电流会在输出电容等效串联电阻(ESR)上产生输出电压纹波(VRIPPLE)。为了满足输出电压纹波要求,输出电容等效串联电阻(ESR)必须满足式(2),即

以图l为例,VIN=5V,Vo=3.3V,fs=150kHz,L=15μH,VRIPPs=50 mV,那么计算出来的RESR值是100mΩ。在本例中采用了一个RESR为100 mΩ,电容量为100μF钽电容。
2.3 功率场效应管
场效应管是通过它的内阻(RDSON),栅极电容及电荷(θg),和封装热阻(θJA)这3个参数来选择的。利用SC24631A内置驱动器,一个栅极电荷为25 nC的场效应管(FDS6898A)会产生大约25 ns的开关升/降时间(ts=25 nC/lA),将在上端场效应管开关时产生开关损耗(RQ1-1S)
PQ1-S=IoVINtsfs (3)
上端场效应管(Q1一1)的栅极损耗(Po1-1GATE)近似为
PQ1-1_GATE≈QGVINfs (4)
上端场效应管在导通时的损耗为
PQ1-1_c=I20RDSOND (5)
上端场效应管总损耗(PQ1-1)足它的栅极损耗,传导损耗,和开关损耗的总和,即
PQ1-1=PQ1-1_GATE+;Q1-1_c+PQ1-1_s (6)
由于在上端和下端场效应管之间无重叠传导,下端场效应管漏极和源极之间的寄生二极管总是在下端场效应管导通之前导通。下端场效应管导通电压仪为一个在漏极和源极之间二极管的电压(VSD=0.7V)。此下端场效应管开关损耗为
Q1-2_=tsIOUTVSDfs (7)
下端场效应管的栅极损耗(PQ1-2GATE)也可由式(8)近似得到,即
PQI-2_ (GATE≈QGVOMfs (8)
下端场效应管在导通时的损耗为
PQ1-2c=I2ORDSON(1一D) (9)
在死区时问内Q1-2的损耗是在它寄生二极管上的传导损耗(PQ1-2D),即
PQI-2=VSDfsIOUTtDEAD (10)
式中:tDEAD是电源控制芯片上下端场效应管驱动的死区时间,SC2463的死区时间约为100ns。
Q1一2的总损耗(PQ1-2)是它的栅极损耗,传导损耗,开关损耗和寄生二极管传导损耗的总和,即
PQ1-2=RQ1-2_GATE+PQ1-2_D+PQ1-2_S (11)
以图1为例,FDS6898A上下端导通内阻都是14m,.q,整个FDS6898损耗为O 34w。
场效应管的结温可由式(12)计算,即
TJ=TA+θJA·PLOSS (12)
从FDS6898A手册上可查到它最大的结温至室温热阻是78℃/W(θ1A),如果图1电源环境最高温度是45℃,那么Q1工作结温(TQ1J)为72℃(45+78×O.34)。这温度远小于FDS6898A 150℃的结温限制。这里假设Q1被直接焊在2盎司铜层和1平方英寸面积的PCB散热焊盘上。如果需要更进一步降低Q1的结温,可以增加PCB散热焊盘面积或将Q1套上外加的散热器。另外,芯片到散热焊盘的焊接,封装芯片材料,热接触面,热结合性能,可得到的有效散热区域和环境空气流动状况(自然或强制对流)都对场效应管晶片的温升都有很大的关系。实际温度的测量和验证是场效应管热没计的关键。表1是场效应管功率损耗的汇总。
图l中开关转换器另一路(12V→1.2V/3A)中的功率器件可用同样方式来设计。

3 PCB排板要点
电源功率器件在PCB上的正确放置和走线将决定整个电源工作是否正常。设计人员首先要对开关电源功率器件上的电压和电流的波形有一定的了解。图3更进一步显示了一个降压式开关电源功率电路元器件上的电流和电压波形。由于从输入滤波电容(GIN),上端场效应管(Q1)和下端场效应管(Q2)中所流过的电流是带有高频率和高峰值的交流电流,所以要尽量减小由GIN一Q1一Q2所形成的环路面积。同时由下端场效应管(O2),电感(L),和输出滤波电容(COUT)所组成的环路面积也要尽量减小。

图4是一个比较好的电源功率电路PCB走线。CIN一Q1-Q2和Q2-L一COUT环路的面积已控制得最小。上端场效应管(Q1)的源极,下端场效应管(Q2)的漏极和输出电感(L)之间的连接点是一整块铜片焊盘。由于该连接点上的电压是高频电流,Q1和Q2和L需要靠得非常近。虽然输出滤波电感(L)和输出滤波电容(COUT)之间的走线上没有高峰值的高频电流,但比较宽的走线可以降低直流阻抗的损耗使电源的效率得到提高。如果成本上允许,电源可用一面完全是接地层的双面PCB。但必须注意在地层上尽量避免走功率和信号线。在电源的输入和输出端口还各增加了一个瓷片电容器来改善电源的高频滤波性能。

参照文献中讨论过的要点,我们首先需要将连接到功率地层的元器件和连接到控制信号地层的元器件区分开来,然后将控制信号器件靠近信号地层和控制芯片(SC2463)。控制信号地层与功率地层需分隔开来并通过单点相连接。这连接点通常会选择在控制芯片的接地脚(SC2463的脚21)。

4 结语
SC2463对于多输出的电压应用非常适合。它的高度集成减小了线路板面积,降低了产品的成本。芯片中内置的输出电压启动顺序满足了许多系统芯片的上电要求。
SC2463是一个高性能多输出降压转换控制器。它可以被配置用在不同的电源管理应用中,比如有多路输出电压需求的ADSL电源,需要正负电压的混合信号电源,电脑调制解调器电源,基站电源,通用的多路输出电压的电源系统。
1 描述
SC2463提供了4.5V至30V的宽输入电压范围,两个可设置达700 kHz开关频率的开关转换器,能提供高达15A输出电流及低至0.5V输出电压。它还提供了两个正输出电压线性调节器。芯片TSS0P一28小封装极大地减小了线路板面积。
SC2463两个异相降压开关转换器可以减小输入电流纹波,允许使用更少的输入电容。高达700kHz的开关频率可以减少输出电压纹波并且降低噪音,同时还可以减小输出电感和电容的尺寸。其它的特性还包括软启动,电源正常指示和频率同步。如图l所示,电源VIN,PVCC和AVCC都给SC2463供电。其中AVCC为芯片内部振荡器、开关、低差压稳压器和电源正常电路提供偏置电压。PVCC用来驱动低端场效应管。当VIN高于14V时,需串联一个1100kΩ的电阻或一个外部PNP晶体管作为线性调节器,给AVCC和PVCC提供偏置电压。SC2463利用一个内部电流源和一个连在ILIM和AGND之间的外部电阻来调节通过场效应管的电流限流值。

如图2所示,SC2463启动时由一个5μA电流源给软启动管脚SS充电。当管脚SS电压达到O.5 V时,第一个开关转换器开始启动,误差放大器的参考电压随软启动信号开始上升。当管脚ss电压达到3 V时.将立刻被下拉到大约0 7V,此时第二个开关转换器开始按照第一开关转换器的形式进行软启动。当管脚SS电压第二次到达3V时,便会被第二次下拉至大约O.7V,此时两个正向LD0被启动。正向LDO的参考电压随管脚SS电压开始上升。管脚SS将会上拉至电源电压AVCC。此时间由管脚SS上的软启动电容值(C5)来控制。如果管脚SS被外部信号下拉至0.5 V以下,SC2463则不能工作。电源正常信号输出(POK)用来监测开关转换器中误差放大器的反馈电压(FB),如果这电压高于0.55V或低于O.45V,管脚POK便会被拉低,并且保持低态直到启动结束。低端栅极驱动器由PVCC供电并提供1A的峰值电流。高端栅极驱动也能提供1A峰值电流。

图2中波形A是软启动管脚SS上的电压。波形B是第一个开关转换器的上端场效应管驱动电压(GDIH)。波形C是二个开关转换器的上端场效应管驱动电压(GD2H)。波形D是LDO输出电压(2 6V)。图1中的SC2463电源1.2V输出电压首先建立。随后建立的输出电压是3.3 V。而二组线性稳压的2 6V和1.8V输出电压最后建立。
2 电源设计要点
降压式开关电源功率器件基本上是由滤波电感,输出滤波电容,输入滤波电容和功率场效应管所组成。
2.1 电感设计
输出电感的选择及设计是基于输出DC电压的稳态和瞬态的要求。较大的电感值可减小输出纹波电流和纹波电压,但在负载瞬变过程中改变电感电流的时间会加长。较小的电感值可得到低的直流铜损,但是交流磁芯损耗和交流绕线电阻损耗会变大。折衷的方法是选择电感纹波电流峰峰值在输出负载电流额定值的20%到30%之间。假定电感纹波电流峰峰值是负载直流电流的20%,那么输出电感值为

以图1中开关变换器中的L1为例,VIN=5V,Vo=3.3 V,Io=3 A,fs=150 kHz,由此计算出来的电感值是12.5 μH。可选用市场上很容易采购到的15 μH/5 A表面贴装电感。
2.2 输出电容
输出电容应按照输出电压纹波和负载动态变化要求来选择。输出电感产生的纹波电流会在输出电容等效串联电阻(ESR)上产生输出电压纹波(VRIPPLE)。为了满足输出电压纹波要求,输出电容等效串联电阻(ESR)必须满足式(2),即

以图l为例,VIN=5V,Vo=3.3V,fs=150kHz,L=15μH,VRIPPs=50 mV,那么计算出来的RESR值是100mΩ。在本例中采用了一个RESR为100 mΩ,电容量为100μF钽电容。
2.3 功率场效应管
场效应管是通过它的内阻(RDSON),栅极电容及电荷(θg),和封装热阻(θJA)这3个参数来选择的。利用SC24631A内置驱动器,一个栅极电荷为25 nC的场效应管(FDS6898A)会产生大约25 ns的开关升/降时间(ts=25 nC/lA),将在上端场效应管开关时产生开关损耗(RQ1-1S)
PQ1-S=IoVINtsfs (3)
上端场效应管(Q1一1)的栅极损耗(Po1-1GATE)近似为
PQ1-1_GATE≈QGVINfs (4)
上端场效应管在导通时的损耗为
PQ1-1_c=I20RDSOND (5)
上端场效应管总损耗(PQ1-1)足它的栅极损耗,传导损耗,和开关损耗的总和,即
PQ1-1=PQ1-1_GATE+;Q1-1_c+PQ1-1_s (6)
由于在上端和下端场效应管之间无重叠传导,下端场效应管漏极和源极之间的寄生二极管总是在下端场效应管导通之前导通。下端场效应管导通电压仪为一个在漏极和源极之间二极管的电压(VSD=0.7V)。此下端场效应管开关损耗为
Q1-2_=tsIOUTVSDfs (7)
下端场效应管的栅极损耗(PQ1-2GATE)也可由式(8)近似得到,即
PQI-2_ (GATE≈QGVOMfs (8)
下端场效应管在导通时的损耗为
PQ1-2c=I2ORDSON(1一D) (9)
在死区时问内Q1-2的损耗是在它寄生二极管上的传导损耗(PQ1-2D),即
PQI-2=VSDfsIOUTtDEAD (10)
式中:tDEAD是电源控制芯片上下端场效应管驱动的死区时间,SC2463的死区时间约为100ns。
Q1一2的总损耗(PQ1-2)是它的栅极损耗,传导损耗,开关损耗和寄生二极管传导损耗的总和,即
PQ1-2=RQ1-2_GATE+PQ1-2_D+PQ1-2_S (11)
以图1为例,FDS6898A上下端导通内阻都是14m,.q,整个FDS6898损耗为O 34w。
场效应管的结温可由式(12)计算,即
TJ=TA+θJA·PLOSS (12)
从FDS6898A手册上可查到它最大的结温至室温热阻是78℃/W(θ1A),如果图1电源环境最高温度是45℃,那么Q1工作结温(TQ1J)为72℃(45+78×O.34)。这温度远小于FDS6898A 150℃的结温限制。这里假设Q1被直接焊在2盎司铜层和1平方英寸面积的PCB散热焊盘上。如果需要更进一步降低Q1的结温,可以增加PCB散热焊盘面积或将Q1套上外加的散热器。另外,芯片到散热焊盘的焊接,封装芯片材料,热接触面,热结合性能,可得到的有效散热区域和环境空气流动状况(自然或强制对流)都对场效应管晶片的温升都有很大的关系。实际温度的测量和验证是场效应管热没计的关键。表1是场效应管功率损耗的汇总。
图l中开关转换器另一路(12V→1.2V/3A)中的功率器件可用同样方式来设计。

3 PCB排板要点
电源功率器件在PCB上的正确放置和走线将决定整个电源工作是否正常。设计人员首先要对开关电源功率器件上的电压和电流的波形有一定的了解。图3更进一步显示了一个降压式开关电源功率电路元器件上的电流和电压波形。由于从输入滤波电容(GIN),上端场效应管(Q1)和下端场效应管(Q2)中所流过的电流是带有高频率和高峰值的交流电流,所以要尽量减小由GIN一Q1一Q2所形成的环路面积。同时由下端场效应管(O2),电感(L),和输出滤波电容(COUT)所组成的环路面积也要尽量减小。

图4是一个比较好的电源功率电路PCB走线。CIN一Q1-Q2和Q2-L一COUT环路的面积已控制得最小。上端场效应管(Q1)的源极,下端场效应管(Q2)的漏极和输出电感(L)之间的连接点是一整块铜片焊盘。由于该连接点上的电压是高频电流,Q1和Q2和L需要靠得非常近。虽然输出滤波电感(L)和输出滤波电容(COUT)之间的走线上没有高峰值的高频电流,但比较宽的走线可以降低直流阻抗的损耗使电源的效率得到提高。如果成本上允许,电源可用一面完全是接地层的双面PCB。但必须注意在地层上尽量避免走功率和信号线。在电源的输入和输出端口还各增加了一个瓷片电容器来改善电源的高频滤波性能。

参照文献中讨论过的要点,我们首先需要将连接到功率地层的元器件和连接到控制信号地层的元器件区分开来,然后将控制信号器件靠近信号地层和控制芯片(SC2463)。控制信号地层与功率地层需分隔开来并通过单点相连接。这连接点通常会选择在控制芯片的接地脚(SC2463的脚21)。

4 结语
SC2463对于多输出的电压应用非常适合。它的高度集成减小了线路板面积,降低了产品的成本。芯片中内置的输出电压启动顺序满足了许多系统芯片的上电要求。
射频工程师养成培训教程套装,助您快速成为一名优秀射频工程师...
天线设计工程师培训课程套装,资深专家授课,让天线设计不再难...
上一篇:线性电路分析——网孔法详析
下一篇:使用前置放大器有助于提高测量质量
射频和天线工程师培训课程详情>>

