- 易迪拓培训,专注于微波、射频、天线设计工程师的培养
待机功耗很低的DVD开关电源设计
前言
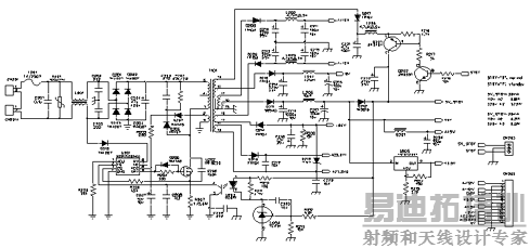
在目前世界能源供应日趋紧张,要求节能的呼声日益高涨的背景下,DVD作为一大块消费电子类产品的节能也不可避免的提到日程上来.安森美半导体所提出的DVD电源方案,既能符合最严格的待机功耗标准,而且也不会带来成本上涨的忧虑.本文介绍如何应用NCP1200P40来设计一个全范围输入,电路简单,所需外围器件少,成本低的DVD电源(如图一所示)

一 正常模式
开机启动时,NCP1200由二极管D218从交流侧供电,经过IC8脚向电容C207以4mA速率充电.在Vcc电压达到11.4V时,NCP1200 开始工作.(此工作状态称为动态自供电DSS,为安森美公司专利技术*)工作状态建立以后,IC供电将由辅助绕组通过D207,R203供电, 切断内部启动电流源,在最大程度上减小电源的损耗.在这里, 安森美公司为客户不同要求提供了很大的灵活性,高压供电可从交流侧接
二极管,也可从高压端直接接NCP1200八脚. 从高压端直接接到八脚,整流电压400V,充电电流4mA ,Cvcc典型值10uF,充 电时间计算为5ms,IC损耗和驱动MOS管电流我们设为1.5mA ,
因此下降时间为13.3ms , 总损耗为 400*4mA*5ms/(5ms+13.3ms) =437mW. 从交流側接二极管,第八脚的平均电压变为2*Vacmax/(,损耗更下降为278mW. 我们还可以接一个辅助绕组把VCC电压抬高到高于11.4V,自动切断内部启动电流源,集成电路将完全由这一绕组供电,这样损耗将进一步下降(要确保 VCC电压不能高于16V,可在辅助绕组处串联一个电阻解决,如应用原理图).这里要强调一点,NCP1200可以在不需辅助绕组情况下正常工作.这只取决于客户的应用要求.
采用NCP1200设计的DVD开关电源所需的外围器件非常少,不仅为客户设计更小的DVD电源提供了方便,还降低了成本.将更多的功能模块集中在IC里,将提高系统的稳定性.下图为正常工作时的Vds波形.
二 待机模式
如图1, 当MCU给出待机控制信号, 即STBY=H时, Q202和Q201导通, 电容C221上的60V电压对C222充电,由于TL431反馈接在5V_STBY端, 光偶反馈电流加大,占空比被拉低,使5V_STBY端子的电压维持在5V.由于本来60V的输出电压被调整为5V输出, 使得开关的占空比变得很小, 所以所有其它输出电压也变得很小, 大约被压缩12倍, 此时全部输出消耗的功率变小.
在此DVD电源中需要值得注意的是电容C221的选择,其电容值建议不要超过6.8uF,否则在开机时电容上会有一个尖峰,可能会造成三极管Q201的损坏.本例中选取为4.7uF.
当在待机模式时,光偶反馈变得很重,直接拉低2脚FB电压,当2脚电压低于设定值时,IC既进入一种称之为SKIP CYCLE的工作状态.使得整个电源的损耗降低. 当电源进入SKIP CYCLE模式时, 所有的输出包括IC供电电源都降低, NCP1200通过内部的动态自供电电路维持自身的供电. 下图为待机工作时的Vds波形
采用NCP1200设计的DVD电源待机功能,在待机时损耗非常小,完全符合IEA最新建议要求.
IEA最新建议:
输入功率范围0.3W-15W
2001.1 / 1W 2002.1 / 0.75W 2003.1 / 0.3W
输入功率范围 15W-50W
2001.1 / 1W 2002.1 / 0.75W 2003.1 / 0.5W
输入功率范围 50W-75W
2001.1 / 1W 2002.1 / 0.75W 2003.1 / 0.75W
三 过载短路保护
当电源工作在过载情况时,所有输出将强制到一个低电位,光电偶合器U203将没有电流流过,电流设置点达到最高,2脚FB电压也达到 4.2V.NCP1200内部设有一个过载保护电路,当2脚FB电压超过4V时将触发,NCP1200将强制发出低占空比电压. 由于在过载条件下,输出电压处在低电位,辅助绕组不能供电,C207上的电压Vcc将线性下降,当Vcc电压降到9.8V时,过载情况仍然存在,为防止动态自供电(DSS)触发,NCP1200会终止驱动脉冲,并使电路进入待机状态.在此状态电流消耗典型值为350uA.当Vcc电容继续放电到典型值 6.3V时,NCP1200接通电流源,当Vcc电压到达典型值11.4V时,IC将开始新的周期,如果故障条件在达到UVLOh前已消除,则电路将正常工作,否则将开始下一个故障周期.此种情形同样也可应用于环路开路, 当光偶开路时,2脚FB电压达到最高值4.2V触发保护,过程和过载保护一样.
结语
NCP1200是一款集成度非常高的开关电源控制芯片,设计简便,缩短了电源工程师设计周期.而且这一芯片已经大量应用于不同的电源领域。例如手提电脑充电器,打印机电源等,独特的动态自供电及SKIP CYCLE技术使得NCP1200也非常适合应用在DVD绿色电源上,为世界能源作出一点贡献。
射频工程师养成培训教程套装,助您快速成为一名优秀射频工程师...
天线设计工程师培训课程套装,资深专家授课,让天线设计不再难...
上一篇:利用精巧的电路确保便携式电脑的高品质音质
下一篇:集成功率FET的锂离子开关充电器

