- 易迪拓培训,专注于微波、射频、天线设计工程师的培养
仿制Mclntosh C-22电子管前级
在电子管前置放大器中,McIntosh C-22和Marantz-7是闻名的,这些名厂的前置放大器电路结构在目前仍感完美,保真度和稳定性经岁月证明均有显著的成绩。而McIntosh MC—275后级及前级C—22几年前已再发行复刻版,笔者身为拥胆迷已第一时间订购了,而Marantz-7、9目前已再作生产。
在众多的胆艺友中, 相信都曾仿制过Marantz—7(M—7),笔者本人也不例外,也会仿制多部M7,包括原线路及改良线路,故对M—7的效果及特性有深刻了解,却与M—7相似的McIntosh C—22,相信胆艺友作仿制对象的就较少。因为旧装C—22确是比M—7朦了一点,其原因是C—22有多级滤波器等关系吧!可参考图1 McIntosh C—22示意图,因此笔者就以现代化指导思想对旧C—22有所改良,主要是将各级滤波器和音调控制去掉,因这些设备是针对当时的音源、录音技术及个人喜好而设,由于笔者多听CD,故制作此机时也省略磁头放大部分。

图1 McIntosh C—22示意图
线路分析与制作
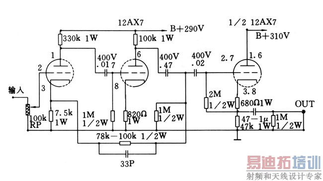
图2为本文介绍的C—22实际制作线路图。从本线路图分析,线路与Marantz—7十分相似,也是典型两级放大加一级阴极跟随器以作阻抗匹配。因此本机应可匹配大部分后级放大器,而事实证明确是如此。 
图1 McIntosh C—22实际制作线路图
制作方式:笔者——向主张前级放大器采用独立制作及用搭棚方式,独立分体电源供电。"搭棚"方式制作更能发挥胆艺者的创作能力,而且零件与零件间更能作合理之立体分布,因此采用搭棚作品,分体电源供电。不论在信噪比、声道间串音、高低频响应、定位与空气感必定优于十足条件的线路板方式制作,也符合胆艺友少量生产的原则。
零件方面,电阻器可用东京光音,因数值准确、调节音量的电位器RP本人也是使用东京光音产品,也视读者的爱好,负反馈电阻可用78k~l00k,视阁下对音色的偏爱,却不应低于78k,笔者选用l00k.电容器方配各级的交连电容可根据制作者对音色的喜爱,爱好音质幼小、通透华丽可选用MIT,喜欢豪放,可选用德国Wima Black Box,因它也像日耳曼民族般充满动态与实事求是的精神。33p电容可用云母电容。
制作方面,胆艺者各有个人之风格及创作精神(在日本、韩国等地,胆艺者即土炮友早已升格为艺术创作家)。本人是利用一些名牌墨水笔的木盒(《派克牌》等),木盒里使用不锈钢片屈成内壳装于木盒内(如照片1)。因此,这种机壳外面是木料,里面是金属不锈钢,两者相加,发挥两种材料的优点,故谐振问题比单用金属制作更佳,实验结果也确是如此。
实验制作,前面已说,采用搭棚方法,可参考照片2.电源插座使用5针京王插座,因正合适作两组高压及一组6.3V灯丝,而效果确实十分可靠。灯丝应用DC,4、5脚接负极及地。

本级之机壳,先焊好灯丝等 
本机的搭棚方法(已完成)
电源方面,本文不作大幅度介绍,因发烧友音响常有前级电源线路介绍,随读者个人方便,笔者个人意见应选择可调稳压的一类比较方便,因可以和不同机种配合,对胆艺友而言,更能多方面发挥及更经济。本人的前级电源稳压就可以配合多部不同前级机种(如照片3)。
信号输入及输出座可直接焊上,因不设设信号选择,锡线选用WIlT含4%银锡。

中下为C-22,左为M-7,右是SRPP,三者均可选用同一电源供给器

为多用途稳压可调电源供给器

本机与电源供给器
实际效果
音效方面,本制作C—22线路与M—7相似,但效果却有分别,M—7效果一般为醇和通透,中音及人声较突出,低频相对较少。本文介绍之C—22却明显出乎本人意料之外,在同条件比试之下,C—22有M—7的特点(醇和通透)外,其高频与低频明显胜于M—7.也许多位从事音乐演奏家将两者作A、B聆听比较,都一致认为C—22更全面,明显胜于M-7.
结论
事实上,不同线路有不同音效及其优缺点,取决于个人喜爱及环境之需要。而且,目前的任何音响器材,都不可能全面胜出,因各有特长,因此,作为胆艺友,实应拥有多部不同类型之机种及作品,视情况需要而作配搭,扬长避短。本人虽已拥有多部厂机及自作派的电厂管前后级等,但仍不断尝试制作,以扩大机种,目的是随聆听需要有所配搭选择。
射频工程师养成培训教程套装,助您快速成为一名优秀射频工程师...
天线设计工程师培训课程套装,资深专家授课,让天线设计不再难...
上一篇:输入浪涌电流抑制模块在AC/DC变换器的应用
下一篇:D
类提高音频放大器的效率

