- 易迪拓培训,专注于微波、射频、天线设计工程师的培养
无线音频转发器
这款实用无限音频转发器,与普通 FM 段的收音机配合,可组成一套无线耳机系统。考虑到现代家庭的音源比较多,如有电视机、 CD 机、卡带机、MP3 等等,本系统设计了 1 路耳机、 5 路 RCA 端子共六路输入,并可自由切换;采用红外遥控;用 FM 无线立体声式传输信号,立体声音频发射,声音效果好,与本地调频电台为同一个等级:发射功率小,既能满足在一个套房客厅内的高保真音源传输。也不会对人体造成太大的辐射和对他人收音机造成干扰; FM 发射频率可调。可以避开本地调频台的频率进行传输;红外遥控地址可调,以避免不同遥控器混用。
电路设计
本无线音频转发系统的遥控器部分采用 PT2262-IR 红外发射方案,无线音频转发器采用方案。
• 电路工作原理
该无线音频转发系统由红外遥控器和无线音频转发器两部分组成下面分别进行介绍。
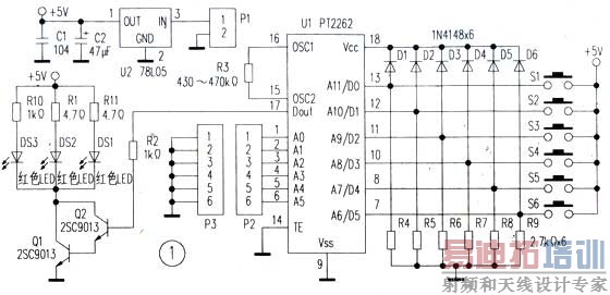
(1) 遥控器工作原理
图 1 是红外遥控器由及其外围元件组成 ,PT2262-IR 为配套红外发射芯片,它集载波振荡器、编码器和发射单元于一身,使发射电路变得非常简洁。

为了减小遥控器体积,采用防盗报警器用的小体积 12V 电池.经降压后为遥控器主板供电。遥控器按键 S1~S6 分别对应 D0~D5 通道。当按动 S1~S6 中的任何一个键时,相应脚接高电位,同时 Vcc 通过 D1~D6 为 PT2262-IR 供电, PT2262-IR 得电工作。 D1~D6 起供电隔离作用.确保按某键后相应通道接高电平而不会引起其他通道误动作。如按下 S1 后,口接高电平,同时电源通过二极管向 Voc 端供电,得电工作,圈 17 脚串行输出带 38kHz 载波和地址编码的 DO 通道遥控脉冲信号串。通过 R2 限流, Q1 、 Q2 缓冲,驱动红外发射二极管发射红外信号,同时红色指示灯亮.表示有红外信号输出。本电路在无键按下时. PT2262-IR 不耗电.因而特别适用于电池供电的场合。
因 PT2262-IR 电源电压约为, R4 ~ R9 与芯片输入口的内阻及下拉电阻形成分压电路,降低输入芯片引脚的电压.防止 D0~D5 口的电压高出 Voc 0.7V 而启动了泄放回路,造成芯片栓锁而损坏芯片; OSC1 、外接振荡电阻 R3 ,其取值决定向外输出编码脉冲的振荡频率, R 一般为 430k Ω~ 470k Ω,此处使用 470k Ω;圈 14 脚 TE 为发射使能端,低电平有效,当其为高电平时.所有发射信号均被挂起,本电路长接低电平,当按键有效时, PT2262~IR 通过圈脚 Dout 不断地输出其串行编码串.对于每组编码都自动连发四次,编码器用不同的占空比及组合表示不同的状态。
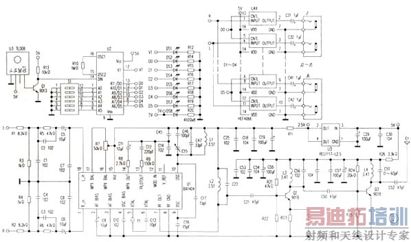
(2) 无线音频转发器工作原理
电路如图 2 所示。本无线音频转发器的红外接收解码由 PT2272-L6 一 L6 及其外围元件组成.接收芯片 PT2272 一××的数据输出方式根据其后缀不同而不同,后缀为 M 是暂存型,后缀为 L 是互锁型,其数据输出通道数有 4 、 6 两种, PT2272-L6 是 6 通道互锁型红外遥控.接收芯片。

一体化红外接收头 TL008 ④脚输出 PT2262-IR 发射的编码信号的反码。 PT2272-L6 在接收端圈 14 脚 Din 加了一级反向前置放大,以保证输入的信号幅度足够大且波形相位正确。 PT2272-L6 的地址设置与遥控器相同,只有接收到的地址编码与所配遥控器地址一致时, PT2272-L6 才会动作; PT2262 一 IR 每次至少发射 4 组字码, PT2272 一 L6 只有在连续两次检测到相同的地址码加数据码时才会把数据码中的" 1 "对应的输出通道置为高电平,同时圈 17 脚 VT 端同步为高电平, DS1 发光,表示接收的码位正确.解码成功。设遥控器发射 D0 通道信息.则在 PT2272-L6 的 D0 输出高电平并锁存下来维持高电平状态,驱动。 DS2 发光。表示当前 D0 通道起作用,同时因 HEF4066 模拟开关 A 、 B 的控制端为高电平, A 和 B 分别接通,选中音源输入端 1 的立体声信号,其余模拟开关的控制端为低电平呈高阻状态关闭. PT2272 一 L6 的 6 位自锁功能确保在任何一个时刻,有且只有一个音源输入端被使能选通。其余截止。
选中的音源经信号分压和预加重网络后,送入由单片立体声调制发射集成电路 BA1404 和高频功放电路组成的射频发射器,对各种立体声音源加以处理后调制发射出去,由立体声 FM 收音机接收。 BA1404 内含多路转换器、导频振荡器、 RF 电路等,外围电路简单,性能优异。 C46 、 C47 、和 L1 谐振决定 BA1404 的振荡频率,改变它们的值可改变无线发射频率;其余各级 LC 谐振需要调校到主振荡频率,此时发射功率最大,传送距离最远。 Q2 、 03 组成的高频功放用于提高发射距离。
不接此电路,即能满足在 10 米范围内使用,如需更大的发射功率和更远的发射距离,则可以加上此电路,但是高频功放管工作时所产生噪音会引入电路造成系统信噪比下降。三片 HEF4066 共个模拟开关,两个模拟开关构成一个音源的左右声道输入选择,共六组,与 PT2272 一 L6 的输出端口数目相同。
射频工程师养成培训教程套装,助您快速成为一名优秀射频工程师...
天线设计工程师培训课程套装,资深专家授课,让天线设计不再难...
上一篇:用单电位器控制双声道的音量
下一篇:使用少量无源元件的相位序列指示器

