- 易迪拓培训,专注于微波、射频、天线设计工程师的培养
新型脉冲氙灯起辉预燃电源的研制
录入:edatop.com 点击:
1 引 言
随着计算机、机械、电子技术的发展,道路检测车使得大规模、快速、准确地获取道路使用信息成为可能。检测车上的摄像系统按摄像速度分为普通摄像机、高速摄像机和数码摄像机,其中高速摄像机主要用于对路面的裂缝、坑槽等破坏状况进行图像采集。然而在使用高速摄像机时,大多数检测车采用的是持续照射的光源。由于光源的强度较低,在实际使用时往往需要增加曝光时间来达到高质量的图像数据。因此,提高照射的光源强度可以提高图像数据的质量。
脉冲氙灯的优点是能解决光亮度与伴随热量的矛盾。它放电时发出强烈的光,但闪光持续时间很短,所以热量影响较小。由于瞬时光能量大,图像的层次还原较好。为了延长脉冲氙灯的寿命,提高光电转换效率,在重复率较低的情况下,一般需要在脉冲大电流放电之前加上预燃电流。如果采用传统的工频变压器式预燃电路,就必须增大滤波电容和大功率限流电阻,增大了电路的体积,电路也容易因干扰而被误认为解除预燃。另外,脉冲氙灯在工作时,弧光放电时间较长,放电电容的能量释放不充足而聚集可能导致放电电容不能正常放电的现象出现。本文根据脉冲氙灯的工作原理,提出了一种脉冲氙灯起辉预燃的电源结构,并研制了脉冲氙灯的预燃电源。该电源采用PWM技术控制,起辉和预燃阶段共用一个电源,起辉时为电压源,预燃时为恒流源。试验结果表明,该电源效率较高,工作可靠,运行稳定,有效地解决了因放电电容的残余能量聚集导致的不正常放电现象。
2 脉冲氙灯的工作原理
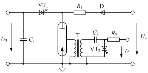
脉冲氙灯的工作分为起辉、预燃和高压放电三阶段,如图1所示。其工作过程比较复杂,是一种非稳态的气体放电。起辉阶段,放电首先在石英管内壁接近触发丝处产生电离通道,气体由于与电子碰撞而被加热,灯内的氙气迅速电离,发生辉光放电。脉冲变压器T、电容C2 、可控硅VT2 和电阻R2 构成起辉电路,当VT2 关断时,电压U1通过电阻R2给电容C2 充电,在电容C2 上存储能量,通常U1 为1kV左右,充电时间很短。当VT2导通时,电容C2 和脉冲变压器T的电感谐振放电,在变压器T 的副端产生5kV左右的起辉电压,脉冲氙灯在很强的轴向电场及触发高压脉冲作用下,气体被击穿,形成放电通道;预燃阶段,当输入的能量足够大时,电极加热到具有一定的热发射能力,灯管中的气体则由辉光放电过渡到弧光放电。此时,脉冲氙灯可近似为一电阻,电压U2 通过电阻R1 和二极管D 加到脉冲氙灯两端形成预燃回路;高压放电阶段,脉冲氙灯为弧光放电,当VT1 关断时,电压U3 向电容C1 充电,当VT1 导通时,电容C1 向脉冲氙灯放电,从而脉冲氙灯出现弧光频闪现象。在高压放电阶段,预燃电路一直给脉冲氙灯提供维持电流(约100mA)。
在传统的脉冲氙灯起辉预燃系统中,起辉阶段和预燃阶段分别需要电压源,如图1所示,U1为起辉电压,U2为预燃电压,从而增加了电源设计的复杂性。新型脉冲氙灯起辉预燃电源采用PWM技术控制,起辉和预燃阶段共用一个电源,起辉时为电压源,预燃时为恒流源。起辉阶段,最大占空比输出最高电压,通过串联谐振得到高压起辉电压;预燃阶段,通过调整占空比恒流输出维持电流(约100mA)。
随着计算机、机械、电子技术的发展,道路检测车使得大规模、快速、准确地获取道路使用信息成为可能。检测车上的摄像系统按摄像速度分为普通摄像机、高速摄像机和数码摄像机,其中高速摄像机主要用于对路面的裂缝、坑槽等破坏状况进行图像采集。然而在使用高速摄像机时,大多数检测车采用的是持续照射的光源。由于光源的强度较低,在实际使用时往往需要增加曝光时间来达到高质量的图像数据。因此,提高照射的光源强度可以提高图像数据的质量。
脉冲氙灯的优点是能解决光亮度与伴随热量的矛盾。它放电时发出强烈的光,但闪光持续时间很短,所以热量影响较小。由于瞬时光能量大,图像的层次还原较好。为了延长脉冲氙灯的寿命,提高光电转换效率,在重复率较低的情况下,一般需要在脉冲大电流放电之前加上预燃电流。如果采用传统的工频变压器式预燃电路,就必须增大滤波电容和大功率限流电阻,增大了电路的体积,电路也容易因干扰而被误认为解除预燃。另外,脉冲氙灯在工作时,弧光放电时间较长,放电电容的能量释放不充足而聚集可能导致放电电容不能正常放电的现象出现。本文根据脉冲氙灯的工作原理,提出了一种脉冲氙灯起辉预燃的电源结构,并研制了脉冲氙灯的预燃电源。该电源采用PWM技术控制,起辉和预燃阶段共用一个电源,起辉时为电压源,预燃时为恒流源。试验结果表明,该电源效率较高,工作可靠,运行稳定,有效地解决了因放电电容的残余能量聚集导致的不正常放电现象。
2 脉冲氙灯的工作原理
脉冲氙灯的工作分为起辉、预燃和高压放电三阶段,如图1所示。其工作过程比较复杂,是一种非稳态的气体放电。起辉阶段,放电首先在石英管内壁接近触发丝处产生电离通道,气体由于与电子碰撞而被加热,灯内的氙气迅速电离,发生辉光放电。脉冲变压器T、电容C2 、可控硅VT2 和电阻R2 构成起辉电路,当VT2 关断时,电压U1通过电阻R2给电容C2 充电,在电容C2 上存储能量,通常U1 为1kV左右,充电时间很短。当VT2导通时,电容C2 和脉冲变压器T的电感谐振放电,在变压器T 的副端产生5kV左右的起辉电压,脉冲氙灯在很强的轴向电场及触发高压脉冲作用下,气体被击穿,形成放电通道;预燃阶段,当输入的能量足够大时,电极加热到具有一定的热发射能力,灯管中的气体则由辉光放电过渡到弧光放电。此时,脉冲氙灯可近似为一电阻,电压U2 通过电阻R1 和二极管D 加到脉冲氙灯两端形成预燃回路;高压放电阶段,脉冲氙灯为弧光放电,当VT1 关断时,电压U3 向电容C1 充电,当VT1 导通时,电容C1 向脉冲氙灯放电,从而脉冲氙灯出现弧光频闪现象。在高压放电阶段,预燃电路一直给脉冲氙灯提供维持电流(约100mA)。
在传统的脉冲氙灯起辉预燃系统中,起辉阶段和预燃阶段分别需要电压源,如图1所示,U1为起辉电压,U2为预燃电压,从而增加了电源设计的复杂性。新型脉冲氙灯起辉预燃电源采用PWM技术控制,起辉和预燃阶段共用一个电源,起辉时为电压源,预燃时为恒流源。起辉阶段,最大占空比输出最高电压,通过串联谐振得到高压起辉电压;预燃阶段,通过调整占空比恒流输出维持电流(约100mA)。
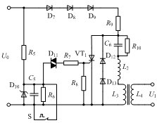
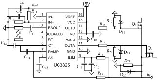
![]() 图1 脉冲氙灯工作原理示意图 3 预燃电源的设计 预燃电源由脉冲氙灯的高压触发和预燃电流维持两部分组成,如图1所示。传统预燃电路的U1 和U2 通常通过工频升压变压器升压和二极管整流得到,这种电路主要存在以下缺点:工频升压变压器体积大、笨重;限流电阻R1上消耗的功率较多,一般在100W~300W之间;必须有高压触发电路;输出脉冲氙灯的预燃电流不可调。 新型起辉预燃电源系统框图如图2所示,该电源由高频推挽变换器、高频变压器、高压启辉电路、控制保护电路以及预燃检测电路构成,具有变换效率高,输出电流纹波小等特点。交流220V输入电压通过变压器隔离,整流滤波后作为推挽变换器的输入,推挽变换器将输入电压变换成高频交流脉冲电压,通过高频变压器完成电压匹配和高频隔离功能,然后再由输出整流滤波环节输出预燃电压,同时高压起辉电路升压输出高压起辉电压,省掉了体积庞大且笨重的工频输出变压器,降低了音频噪声。控制保护电路由UC3825器件及外围电路组成,根据主电路反馈的电流信号,为开关器件提供PWM驱动信号。预燃检测电路将检测到的电流信号和基准电源比较输出预燃成功信号,并同时关闭高压起辉。
|












