• 易迪拓培训,专注于微波、射频、天线设计工程师的培养
首页 > 电子设计 > 电源技术 > 电源技术 > 不单只是数据表 – 真实世界下的PC能效

不单只是数据表 – 真实世界下的PC能效

录入:edatop.com    点击:
计算机原设备制造商(OEM)正面对商业、环保和法规等多方面的压力,需要体现他们产品的能效,提供更"绿色" 的台式个人电脑(PC)和服务器。这使设计这些产品的工程师需要设计出符合诸如美国80 PLUS "能源之星" (ENERGY STAR )和计算产业拯救气候行动计划(CSCI)等能效标准的PC电源。有鉴于此,如今越来越多的半导体公司开始积极地开发芯片组和参考设计,乍看之下,这些芯片组和参考设计好像帮助设计人员达标。可惜事情并非看来那样的简单。

  问题是并非所有解决方案都胜任,设计PC电源的工程师需比较市场上不同的设计取舍出最具能效的方案。尤其是某电源设计展现出符合某项给定标准,并不自动地表示这电源设计在PC投入实际应用时将会提供设计人员所期望的目标能效。因此,工程师有必要仔细查看数据表及基本的技术,并完全了解供应商怎样达到所宣称的能效。

  数据表和标准与真实世界之间的对比

  为了说明挑战之所在,让我们以某个工程师为例,其任务是采用符合80 PLUS银级性能规范的ATX电源设计台式PC。80 PLUS项目由北美地区的电力公用事业机构资助,旨在鼓励在台式PC和服务器中使用更高能效的电源。为了达到这个目标,80 PLUS银级规范要求电脑和服务器中的多路输出电源在20%和100%额定输出功率时拥有最低85%的能效,而在50%额定输出功率时能效最低为88%。

表1:80 PLUS多路输出台式电脑电源能效目标

  首当其冲的问题在于这是一个以美国为中心的规范,获得相关的认证仅需要各能效额定值在115 Vac额定输入电压条件下验证。然而,许多台式电脑设计是在全世界销售和使用,因此,必须能够提供100 Vac(如日本)至240 Vac(大部分欧洲国家)之间的任何"通用"线路电压。所以真正致力于提供绿色PC、并希望将这承担转化为消费者提供商用优势的PC制造商,必须在完整电压范围内体现出他们宣称的能效水平。

  这个输入电压条件变化范围宽的问题引发出了一系列的挑战不可小觑,尤其是在输入段导电损耗的影响问题。当处在输入电压范围的低端时,这些损耗会严重影响电源总能效,使维持能效额定值以符合相关标准变得困难。

  工程师也必须考虑"实际功率与额定功率之不同"的问题。一个ATX电源可能额定用于255 W工作,但在真实世界工作中,仅在处理器计算高度密集的应用时,才会几近满载工作。现实中,大多数台式PC极少在满载条件下工作,据估计,通常超过2/3 的情况是在"轻载"条件下工作。而在轻载条件下,与"常规(housekeeping)"工作相关的损耗占总损耗的百分比较大,并对工作效率有着相应的负面影响。

  线缆长度问题

  工程师在考虑制造商的宣称能效时应该留意的另一项因素,是符合性测试和认证过程期间所使用线缆的长度。认证要求中并没有规定线缆长度,导致某些制造商所宣称的能效水平是直接在电源输出端(或是采用不切实际的短线缆上)测得的。

  现实工作中的台式PC的外形因数及设计,意指电源和电能提供点之间的线缆长度通常测得为约16英寸(41厘米),因此,是构成总损耗的一个因素。有鉴于此,实验室仿真真实世界能效需要采用类似长度线缆来测试。

  使真实世界工作相配能效宣称值

  安森美半导体考虑到这些问题,所以开发出公开的高能效ATX电源参考设计,为台式PC和服务器制造商提供在不同工作条件下与80 PLUS银级、"能源之星"5.0版和CSCI第三阶段能效标准一致的真实世界能效。同时,设计还得符合IEC61000-3-2与功率因数校正 (PFC)相关的要求,并也涵盖宽广范围的真实世界工作条件。

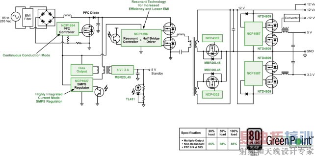
图1:安森美半导体255 W ATX电源参考设计

  图1显示安森美半导体相应开发出来的GreenPoint ATX参考设计的电路图,这参考设计提供ATX电源的全部功能模块,包括功率因数校正、开关电源控制及稳压、后稳压和待机电源要求。

  这新设计结合了多种半导体技术,而每种技术都经过优化,提供尽可能最高的性能/能耗比。

  在交流电源输入或初级端,安森美半导体的NCP1654连续导电模式(CCM)功率因数校正控制器减少了加入 PFC功能所需要的元件数量,并提供强固、高性价比的前端,用于90至265 Vac的输入电压范围。这PFC段提供恒定的385 V输出电压给次级段的谐振半桥双电感加单电容(HB LLC)转换器。这拓扑结构优化能效,并将电磁干扰(EMI)信号减到最少。这谐振半桥LLC转换器采用NCP1396构建。得益于其专有的高压技术,这转换器包含用于半桥应用的高端和低端驱动器,接受达600 V的大(bulk)电压。

  在次级端,这架构使用安森美半导体NCP4302控制器构建的同步整流机制以产生12 V输出。NCP4302特别为简化同步整流在开关电源中的应用而设计,提升系统总能效2%至4%。除了同步整流控制,这器件还集成了TL431功能于一个精确分流稳压器内,既减小电路板面积,也并降低系统成本。

  这设计采用MBR20L45双肖特基整流器,在工作时正向压降极低,藉此进一步减少电能损耗。

  最后,这设计采用两颗相同的直流-直流(DC-DC)控制器将12 V电压向下转换至+5 V、 +3.3 V和-12 V。这种DC-DC控制器是NCP1587,采用SOIC-8封装的低压同步降压控制器。每个DC-DC控制器都采用同步整流机制驱动2颗 NTD4809N(30 V、58 A单N沟道功率MOSFET)。这MOSFET具有低导通阻抗(RDS(ON))将导电损耗减至最小,具低电容降低驱动器损耗,还具优化门电荷将开关损耗减至最少。

  此外,这设计中基于高集成度开关稳压器NCP1027构建的紧凑型反激转换器,提供15 W待机功率给另一个隔离5 V输入端。这器件内含1颗700 V MOSFET,集成了专有的跳周期技术,提升轻载条件下的能效。

  能效测试

  图2展示这新255 W ATX电源参考设计在100 Vac、115 Vac、230 Vac和240 Vac输入电压、多种不同负载条件下进行的能效测试的结果。为了仿真真实世界环境,所有测试测量结果都是在16英寸(41厘米)线缆的末端获得的。

图2:安森美半导体255 W ATX电源参考设计在不同负载和电压条件下的能效

  如图2所示,这参考设计在50%负载时,在230 Vac和240 Vac输入条件时能够实现90%的最高能效,并在100 Vac和115 Vac电压下工作时能效高于88%。此外,所有输入电压下20%和100%负载时的能效高于85%。这些结果确保选择这参考设计的计算机OEM能够恰如其分地宣称所使用的ATX电源超越80 PLUS银级、"能源之星" 5.0版和CSCI第三阶段台式PC电源能效标准。某独立测试实验室已经认证了这参考设计的80 PLUS银级能效性能。

  结论

  从商业及环保角度来讲,当今的消费者和企业对台式PC和服务器的功耗越来越关注。因此,现代系统不仅必须具备符合相关能效标准的认证,还必须证明它们能够在真实世界、而非实验室条件下,达到这些标准所规定的能效水平。有鉴于此,工程师必需仔细评估设计的规范,并完全了解供应商如何达到数据表中所宣称的能效,尤其是不同额定电压条件下的能效、获得测试结果处离电源的距离等因素。工程师有了全盘了解后,才能够精确地评估真实世界条件下的能效,才能够评估在终端产品体现宣称"绿色"能效的合理性。

  安森美半导体精心挑选从控制器到MOSFET等等的半导体元器件,来创建ATX 255 W的公开参考设计,其配置可立即投入生产,所提供的真实世界能效水平超越80 PLUS银级、"能源之星" 5.0版和CSCI第三阶段台式PC电源能效标准所要求的能效水平。

射频工程师养成培训教程套装,助您快速成为一名优秀射频工程师...

天线设计工程师培训课程套装,资深专家授课,让天线设计不再难...

上一篇:单片机系统中的掉电保护
下一篇:语音分离器和分离器板的发展与应用

  网站地图