- 易迪拓培训,专注于微波、射频、天线设计工程师的培养
变电站交直流一体化电源的解决方案
录入:edatop.com 点击:
1 引言
站用电源是变电站安全运行的基础,随着变电站综自化程度的越来越高以及大量无人值班站投运,相应提高站用电源整体的运行管理水平具有非常重要意义。笔者认为,站用电源始终需要立足于系统技术来研究和发展,根据实际问题、发展现状提出发展思路。现有站用电源在资源整合、自动化水平、管理模式等方面都还存在很大的优化空间,结构紧凑、经济可靠的变电站交直流一体化电源模式具有广阔的应用前景。
2 传统站用电源现状分析
传统变电站站用电源分为交流系统、直流系统、UPS 、通信电源系统等,各子系统采用分散设计,独立组屏,设备由不同的供应商生产、安装、调试,供电系统也分配不同的专业人员进行管理。这种模式存在的主要问题:
(1)、站用电源自动化程度不高。由不同供应商提供的各子系统通信规约一般不兼容,难以实现网络化管理,系统缺乏综合的分析平台,制约了管理的提升。
(2)、经济性较差。站用电源资源不能综合考虑,使一次投资显著增加。
(3)、安装、服务协调较难。各个供应商由于利益的差异使安装、服务协调困难,远不如站用交直流电源一体化的"交钥匙工程"模式顺畅。
(4)、运行维护不方便。站用电源分配不同专业人员进行管理:交流系统与直流系统由变电人员进行运行维护,UPS由自动化人员进行维护,通信电源由通信人员维护,人力资源不能总体调配,通信电源、UPS等也没有纳入变电严格的巡检范围,可靠性得不到保障。
3 变电站交直流一体化电源的解决方案
变电站站用交直流一体化电源系统是使用系统技术,针对变电站站用交流、直流、逆变、通信电源整体,根据实际问题、发展现状提出解决方案的站用电源系统。
目前有关生产研发厂家已提出三代产品,分别是:
(1)、智能型站用电源交直流一体化系统
主要实现:
A、建立站用电源信息共享平台。站用电源整体网络智能化:一体化.将交流、直流、逆变、通信电源网络智能化,对外1个通信接口;
B、设计优化。取消通信蓄电池组及充电装置,使用DC/DC变换器直接挂于直流母线代替;取消UPS蓄电池,使用逆变器直接挂于直流母线代替,对重要负荷如事故照明等采用逆变电源供电;统一进行波形处理;统一进行防雷配置;统一进行二次配电管理;站用电源设备智能管理,实现状态检修。
[p] (2)、数字化站用电源交直流一体化系统
主要实现:
A、上行下达信息数字化传输(2大措施:开关智能模块化;集*能分散化);
B、开放式系统:采用IEC61850规约。
(3)、程序化站用电源交直流一体化系统
主要实现项:
A、电源与负荷结合,将辅助系统(空调、风机、门禁、消防、周界等)纳入控制范围;
B、任务程序化执行。
下面以第一代智能型站用电源交直流一体化系统说明其以系统技术研究站用电源的思想方法。
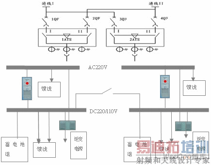
典型方案(以220/110kV电站为例)
110kV及以上电站宜按双重化配置方案,如下图:
方案解析:
(1)、容量设计:全站配置两组蓄电池和充电机,一般的110kV电站容量可按300AH/组设计,220kV电站500AH/组。
传统的站用电源配置方案中,通常一个110kV电站配置两组300AH蓄电池和两组充电机供变电运行负荷,通信设备由另两组独立的蓄电池(300AH/48V)和充电机供电,一些UPS也带有自己的蓄电池。但通过对变电站站用负荷的统计分析,我们得出:不是重要的通信枢纽站,没必要采用独立通信电源。一个普通的110kV电站正常直流负荷约为8A左右 ,通信设备主要是一台光端机,功率1千瓦,折算为110V约9A,正常供电,一台60A充电机已经完全满足全站运行要求,按双重化配置两台已经非常可靠。在全站失压事故下,事故照明、UPS等交流负荷切换为蓄电池供电,这部分负荷设计容量在 30A(110V)左右,即使全站事故照明一起开,也可以满足重要负荷超过10小时的事故供电。另外,在一体化监控的智能平台上,我们可以对站用电源进行程序化控制,事故情况下,按预设轮次对负荷进行减载,保证事故供电最大利用率。
(2)通信电源解决方案:通信设备直接采用220V或110V电源模块,通信电源从两组直流母线直接拉两路专用馈线至通信机柜,并在通信柜进行两路电源自动切换。
目前通信设备一般采用48V电源,所以在一些直流一体供电方案中,采用了用DC/DC模块变换成48V供通信设备使用,但这种方案存在不足:
i 技术上存在弱点。如果通信机房有多台通信设备,各通信设备采用支路带空气开关供电方式,存在DC/DC模块与分支开关配合问题,一回支线发生故障,DC/DC模块可能会比空气开关先动作,造成全部通信设备失压。
ii光端机等通信设备实际工作电压并不是48V,而是15V和5V,象所有微机保护一样,装置通过自身的电源模块进行DC/DC转换,把外面电压转换成15V和5V内部工作电压,由220V直接转换成15V和5V和由48V转换成15V和5V,对通信设备也只是电源模块选择的问题,没有任何技术上的困难。同时,由48V的弱电供电方式的一些弱点也是有目共睹的,弱电容易受干扰,在通信专业抗干扰、防雷等方面措施就比其它专业要求更高,甚至采用48V正极接地方式,这些对运行都是不利的。因此,在站用电源一体化供电的模式下,可以把全站各专业电源统一到一个电压等级。
(3)不间断电源设计:采用逆变器直接挂于母线上代替,取消独立UPS。
(4)交流系统设计:采用智能ATS开关实现两路电源自动切换,取消传统站用380V电源备自投配置。
(5)通信架构
[p]
4 现阶段站用电源交直流一体化系统主要技术特点:
(1)建立站用电源统一网络智能平台。 实现在一个平台上对整个电站电源的交与直流系统、逆变电源系统、通信进行监控和分析,解决由不同供应商提供的各独立电源通信规约兼容等问题,提高系统网络化、智能化程度。
(2)提高站用电源综合自动化应用水平 。进行站用电源协调联动、状态检修、调度遥控等深层次开发应用 。
(3)建立站用电源整合机制 。优化系统功能结构,实现各专业间站用电源资源共享 。
(4)提高站用电源管理水平。 全站电源统一安放,建立站用电源统一分析管理平台,一套人马同时维护管理全站电源 。
5 应用实例
2007年3月,由第一套智能型变电站站用电源交直流一体化系统在阳江110kV城西站投入使用。该系统通过对变电站站用电源一体化设计和组屏生产,对传统站用电源进行了资源和结构的优化,并开发了一体化智能监控管理平台,实现了系统的协调联动、远程控制等功能,对提高站用电源整体运行管理水平都取得了良好的效果。以城西站为例,我们对使用传统站用电源和一体化电源模式进行了比较:
一体化电源与传统站用电源的效益比较
5 结语
变电站站用电源交直流一体化系统立足用系统技术研究站用电源,是对现有变电站站用电源设计和管理新模式的探讨,它符合结构合理,技术先进,运维方便的技术发展路线。2007年11月,广东电网公司组织了对阳江110kV城西站交直流一体化电源项目验收,与会专家一是致认为,一体化电源系统技术先进,维护方便,运行安全可靠,具有良好的经济效益和社会效益,可在电网中推广应用。
编辑:博子
站用电源是变电站安全运行的基础,随着变电站综自化程度的越来越高以及大量无人值班站投运,相应提高站用电源整体的运行管理水平具有非常重要意义。笔者认为,站用电源始终需要立足于系统技术来研究和发展,根据实际问题、发展现状提出发展思路。现有站用电源在资源整合、自动化水平、管理模式等方面都还存在很大的优化空间,结构紧凑、经济可靠的变电站交直流一体化电源模式具有广阔的应用前景。
2 传统站用电源现状分析
传统变电站站用电源分为交流系统、直流系统、UPS 、通信电源系统等,各子系统采用分散设计,独立组屏,设备由不同的供应商生产、安装、调试,供电系统也分配不同的专业人员进行管理。这种模式存在的主要问题:
(1)、站用电源自动化程度不高。由不同供应商提供的各子系统通信规约一般不兼容,难以实现网络化管理,系统缺乏综合的分析平台,制约了管理的提升。
(2)、经济性较差。站用电源资源不能综合考虑,使一次投资显著增加。
(3)、安装、服务协调较难。各个供应商由于利益的差异使安装、服务协调困难,远不如站用交直流电源一体化的"交钥匙工程"模式顺畅。
(4)、运行维护不方便。站用电源分配不同专业人员进行管理:交流系统与直流系统由变电人员进行运行维护,UPS由自动化人员进行维护,通信电源由通信人员维护,人力资源不能总体调配,通信电源、UPS等也没有纳入变电严格的巡检范围,可靠性得不到保障。
3 变电站交直流一体化电源的解决方案
变电站站用交直流一体化电源系统是使用系统技术,针对变电站站用交流、直流、逆变、通信电源整体,根据实际问题、发展现状提出解决方案的站用电源系统。
目前有关生产研发厂家已提出三代产品,分别是:
(1)、智能型站用电源交直流一体化系统
主要实现:
A、建立站用电源信息共享平台。站用电源整体网络智能化:一体化.将交流、直流、逆变、通信电源网络智能化,对外1个通信接口;
B、设计优化。取消通信蓄电池组及充电装置,使用DC/DC变换器直接挂于直流母线代替;取消UPS蓄电池,使用逆变器直接挂于直流母线代替,对重要负荷如事故照明等采用逆变电源供电;统一进行波形处理;统一进行防雷配置;统一进行二次配电管理;站用电源设备智能管理,实现状态检修。
[p] (2)、数字化站用电源交直流一体化系统
主要实现:
A、上行下达信息数字化传输(2大措施:开关智能模块化;集*能分散化);
B、开放式系统:采用IEC61850规约。
(3)、程序化站用电源交直流一体化系统
主要实现项:
A、电源与负荷结合,将辅助系统(空调、风机、门禁、消防、周界等)纳入控制范围;
B、任务程序化执行。
下面以第一代智能型站用电源交直流一体化系统说明其以系统技术研究站用电源的思想方法。
典型方案(以220/110kV电站为例)
110kV及以上电站宜按双重化配置方案,如下图:
![]() |
方案解析:
(1)、容量设计:全站配置两组蓄电池和充电机,一般的110kV电站容量可按300AH/组设计,220kV电站500AH/组。
传统的站用电源配置方案中,通常一个110kV电站配置两组300AH蓄电池和两组充电机供变电运行负荷,通信设备由另两组独立的蓄电池(300AH/48V)和充电机供电,一些UPS也带有自己的蓄电池。但通过对变电站站用负荷的统计分析,我们得出:不是重要的通信枢纽站,没必要采用独立通信电源。一个普通的110kV电站正常直流负荷约为8A左右 ,通信设备主要是一台光端机,功率1千瓦,折算为110V约9A,正常供电,一台60A充电机已经完全满足全站运行要求,按双重化配置两台已经非常可靠。在全站失压事故下,事故照明、UPS等交流负荷切换为蓄电池供电,这部分负荷设计容量在 30A(110V)左右,即使全站事故照明一起开,也可以满足重要负荷超过10小时的事故供电。另外,在一体化监控的智能平台上,我们可以对站用电源进行程序化控制,事故情况下,按预设轮次对负荷进行减载,保证事故供电最大利用率。
(2)通信电源解决方案:通信设备直接采用220V或110V电源模块,通信电源从两组直流母线直接拉两路专用馈线至通信机柜,并在通信柜进行两路电源自动切换。
目前通信设备一般采用48V电源,所以在一些直流一体供电方案中,采用了用DC/DC模块变换成48V供通信设备使用,但这种方案存在不足:
i 技术上存在弱点。如果通信机房有多台通信设备,各通信设备采用支路带空气开关供电方式,存在DC/DC模块与分支开关配合问题,一回支线发生故障,DC/DC模块可能会比空气开关先动作,造成全部通信设备失压。
ii光端机等通信设备实际工作电压并不是48V,而是15V和5V,象所有微机保护一样,装置通过自身的电源模块进行DC/DC转换,把外面电压转换成15V和5V内部工作电压,由220V直接转换成15V和5V和由48V转换成15V和5V,对通信设备也只是电源模块选择的问题,没有任何技术上的困难。同时,由48V的弱电供电方式的一些弱点也是有目共睹的,弱电容易受干扰,在通信专业抗干扰、防雷等方面措施就比其它专业要求更高,甚至采用48V正极接地方式,这些对运行都是不利的。因此,在站用电源一体化供电的模式下,可以把全站各专业电源统一到一个电压等级。
(3)不间断电源设计:采用逆变器直接挂于母线上代替,取消独立UPS。
(4)交流系统设计:采用智能ATS开关实现两路电源自动切换,取消传统站用380V电源备自投配置。
(5)通信架构
![]() |
(1)建立站用电源统一网络智能平台。 实现在一个平台上对整个电站电源的交与直流系统、逆变电源系统、通信进行监控和分析,解决由不同供应商提供的各独立电源通信规约兼容等问题,提高系统网络化、智能化程度。
(2)提高站用电源综合自动化应用水平 。进行站用电源协调联动、状态检修、调度遥控等深层次开发应用 。
(3)建立站用电源整合机制 。优化系统功能结构,实现各专业间站用电源资源共享 。
(4)提高站用电源管理水平。 全站电源统一安放,建立站用电源统一分析管理平台,一套人马同时维护管理全站电源 。
5 应用实例
2007年3月,由第一套智能型变电站站用电源交直流一体化系统在阳江110kV城西站投入使用。该系统通过对变电站站用电源一体化设计和组屏生产,对传统站用电源进行了资源和结构的优化,并开发了一体化智能监控管理平台,实现了系统的协调联动、远程控制等功能,对提高站用电源整体运行管理水平都取得了良好的效果。以城西站为例,我们对使用传统站用电源和一体化电源模式进行了比较:
一体化电源与传统站用电源的效益比较
![]() |
5 结语
变电站站用电源交直流一体化系统立足用系统技术研究站用电源,是对现有变电站站用电源设计和管理新模式的探讨,它符合结构合理,技术先进,运维方便的技术发展路线。2007年11月,广东电网公司组织了对阳江110kV城西站交直流一体化电源项目验收,与会专家一是致认为,一体化电源系统技术先进,维护方便,运行安全可靠,具有良好的经济效益和社会效益,可在电网中推广应用。
编辑:博子
射频工程师养成培训教程套装,助您快速成为一名优秀射频工程师...
天线设计工程师培训课程套装,资深专家授课,让天线设计不再难...
上一篇:基于MAX267的程控滤波器的实现
下一篇:D类MOSFT在发射机射频功放中的应用
射频和天线工程师培训课程详情>>




