- 易迪拓培训,专注于微波、射频、天线设计工程师的培养
串联谐振模式下塑料薄膜高压电晕处理负载特性分析
1 引言
电晕处理技术是应用高压放电技术使放电极间的空气电离成电晕放电,聚合物等被处理对象经过放电空间接受放电时,其表面即产生极性基团,同时强烈的离子冲击使被处理表面粗化,从而增强油墨及胶水在被处理材料表面的渗透力和粘合力。电晕负载类似于臭氧发生器,属于介质阻挡放电。一般电晕处理装置都是利用串联谐振技术,逆变器经升压变压器输出5~8kV频率为20kHz左右高压方波,经负载与升压变压器漏感谐振到工艺要求的电压(10~20kV)。虽然薄膜电晕处理应用很广泛,但国内生产厂家很少,对于负载的等效电路及伏安特性研究较少,本文在此对其作实验和仿真分析。
2 电晕负载特性分析
2.1 电晕放电特性
电晕放电是一种介质阻挡放电,介质一般为耐热性能好的胶皮或陶瓷。图1是电晕处理装置介质阻挡放电示意图。

图1 介质阻挡放电示意图
介质只覆盖在单个电极上,厚度为Ld,放电气隙为Lg,当作用在电极上电压为Vs时,设介质密度是均匀的,而在介质和放电气隙间电场强度Ed和Eg是不同的。
Ed/Eg=εg/εd
于是 Vs="LdEd"+LgEg
因此介质和气隙上的电场强度为
Ed=
,Eg=![]()
式中:εg、εd分别为放电气隙及介质的介电常数。
由于电极间介质层的存在,介质阻挡放电的工作电压一定要是交变的。根据交变电压的频率差异,放电的特性有所不同。通常可以分成低频介质阻挡放电和高频介质阻拦放电。前者的频率范围为50Hz到10kHz,后者的频率为100kHz以上。这两种介质阻拦放电的等效电路如图2所示。

(a)低频 (b)高频
图2 不同频率下的介质阻挡放电等效电路
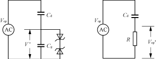
图2中Cd是介质电容,Cg是气隙电容,R是放电的等效电阻,通常Cg《Cd,Vop是作用电压的峰值,V*和Vop*分别是低频和高频条件下回路中的积分电流为零时的电压值。
图3是气隙电压与外界作用电压的关系。在介质阻挡放电的电特性中,放电电压Vd是一个重要的电学参量,它的大小直接与放电的功率有关。可以定义一个平均放电电压Vd,它在放电作用周期内是一个常量。当放电间隙上的电压Vg小于Vd时,不发生放电现象。这时电路是由介质电容Cd和间隙电容Cg串联组成。当放电间隙电压Vg达到Vd时,就出现微放电,而且一直维持到外界电压达到最大值Vop为止。在存在微放电的整个时间过程内Vg≈Vd,放电电压Vd的数值在微放电出现时和截止后的电压值之间。该数值是一个平均值,主要决定于放电气体的成份,间隙中的粒子浓度以及间隙宽度等。

图3 外界作用电压Vs和放电间隙电压Vg的关系
3.2 电晕负载等效电路
电晕放电性质相当于一个非线性有损电容,用Cg、Rg模拟,表面包有电介质的滚筒用Cb模拟,等效电路如图4所示。对于图4(a)电路,在气隙被击穿前Cg、Cb串联;击穿后非线性气体放电与Cb串联。此电路只是粗略的等效,对于气体放电过程中的特性未能等效出。

(a) (b)
图4 几种电晕放电等效电路
图4(b)是另外一种等效电路,考虑了气隙的损耗,用Rg来近似等效气隙中的能量损耗,Rs是表示负载导线电阻及电容漏电阻。此电路虽然考虑了气体放电过程中的能量损耗,但对于放电过程中的恒压特性未表示出来。
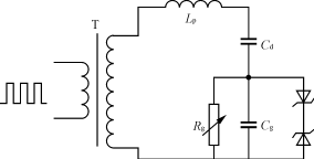
串联谐振下的电晕处理利用升压变压器的寄生漏感与电晕负载串联谐振。图5给出了建立在实验波形分析基础上的负载等效电路。图中Lp是升压变压器的漏感,一般在几十mH,负载的等效电容值主要由Cg决定,Rg是气隙中的损耗,是一个阻值较大的可变电阻。为了达到良好的电晕处理效果,一般负载谐振频率约为20kHz。考虑到20kHz处于一个中高频段,所以用图2两种情况结合来建立等效模型。在变压器漏感不能满足谐振频率要求下,可在原边或副边串联电感来使负载匹配,此时Lp是总的电感量。Rg的大小是一个与温度有关的量,随着整个处理负载温度的升高,等效电阻减小,此时输出电流增大。

图5 电晕负载等效电路
气隙未击穿时,负载相当于两个串联的电容。逆变器的输出电压从零增大到额定电压过程中,电极从局部稀疏放电直至形成无数随机不规则的微细密集放电通道,等效电容由小到大非线性变化。气隙击穿放电后类似于准恒压源,同时损耗能量,此时增大逆变器输出电压,气隙上的电压变化已不明显。
3.3 负载的伏安特性
设计了一台12kW的电晕处理高频高压发生器,实验中通过记录逆变器直流母线上的电压和电流(平均值)来分析负载伏安特性。所用的高压放电电极每根长1.6m,均由四个刀口组成,图6是从气隙击穿前到满功率输出直流母线上的不同电压下伏安特性曲线。电路工作在稍偏感性的谐振状态,电流滞后电压一个很小的角度。由于负载的电流大小与逆变控制电路中设定的锁相滞后角的大小有关,所以实验测得的数据是在此种状态下(电流滞后角约为10°)的伏安值。

图6 对应直流母线的负载伏安特性
图6中"7"为7根电极,"9"为9根电极,从图6可以看出,在开始出现电晕放电时(约为100V),电流增大较快,当达到几乎完全放电(约300V)时,加大输出电压,电流增大速度减慢。此时消耗的大部分能量在气隙放电上。负载的谐振频率随输出功率的增大而降低,原因是前述的等效电容增大的缘故。电晕放电的输出功率与谐振频率f有关,在同样条件下,频率越高输出功率就越大,所以若要获得足够的处理功率得设法提高谐振频率,其中方法之一是减小升压变压器的漏感。
4 仿真与实验结果
由图5等效电路建立仿真模型,用PSPICE9.2针对某种特定条件进行仿真,整个电路的谐振频率主要由Lp和Cg决定,取其参数为Lp=38mH(与实验中测得的变压器漏感相同),Cg=1.67nF,Cd=500nF,Rg=10kΩ,此时电路的谐振频率约为20kHz,升压变压器模型略去,直接用20kHz,200V方波电源代替,两个稳压管击穿电压设定为500V。
图7(a)给出了仿真电压电流波形,电流波形是畸变的正弦波,电压从正到负或负到正跳变的过程中,电流波形发生畸变,这是气隙击穿后的恒压源特性造成的,外加电场跳变时,气隙放电熄灭,重新建立起反向电场。从仿真波形及实验波形中均可以看到这个波形的畸变。从严格意义上说这已经不是处于串联谐振状态了,谐振电压达到一定值后被箝位在气隙平均放电电压Vd上,阻止它进一步上升。
实验测得输出电压电流波形如图7(b),其中电压为50v/div,电流25A/div。从波形图可以看出,电路工作在稍偏感性的谐振状态,电压电流波形接近理想。其中电流峰值附近的毛刺是电晕放电所引起的。

(a)仿真波形

(b)实验波形
图7 仿真及实验电压电流波形
5 结语
本文在仿真和实验的基础之上分析了塑料薄膜表面高压电晕处理负载特性及等效电路。气体在电晕放电过程中呈现恒压特性。电晕负载的非线性及多变性也给逆变器的设计带来一定困难。利用串联谐振达到输出高压及功率要求的电晕处理实现方式,在工业中得到广泛的应用。对于负载特性的分析是合理设计电晕处理发生器的基础。
射频工程师养成培训教程套装,助您快速成为一名优秀射频工程师...
天线设计工程师培训课程套装,资深专家授课,让天线设计不再难...
上一篇:基于VC环境的变频器联网控制
下一篇:用开关电源给高速AD转换器供电的优缺点

