- 易迪拓培训,专注于微波、射频、天线设计工程师的培养
利用LM3478设计50W DC-DC升降压变换器
引言
现代电子技术发展很快,半导体供应商不断推出新器件,从而推动电子应用工程师的不断创新设计,以满足市场的日益需求。本文介绍的即是基于客户的需求,应用美国国家半导体公司的新型电流型PWM芯片LM3478及基于SEPIC升降压原理实现的50W DC-DC 适配器。该适配器的主要特点是:直流输入电压范围极宽;输出功率大;保护功能全;输出纹波小;效率高;工作稳定可靠;应用范围广。
通常称之为升降压变换器SEPIC的简单原理如下:当SW开通时,加在L1,L2上的电压均为Vin,此时Cp并在L2上,且有Cp上的电压与L2上的相等。当SW关断时,L1中的电流继续沿着Cp、D1流向Cout输出到该电路是基于SEPIC拓扑、应用LM3478芯片按照客户的技术要求设计的。在该电路中,考虑到适配器的体积及储能电感磁性材料的体积,选定工作频率Fs=250KHz。


计算储能电感L3、L4的电感量及磁芯选择
首先由公式:D=Vout/(Vout+Vin)计算占空比。由于最严酷条件下的电感纹波电流是在最大输入电压下,所以D=12/(12+60)≈0.167。
计算储能电感l3、L4:正常情况下,L4的大小在确保最小负载电流下使电感电流连续,且输出纹波满足指标要求。为此,我们假定在20%最小负载电流下,允许有40%的峰-峰值纹波电流流过L4。
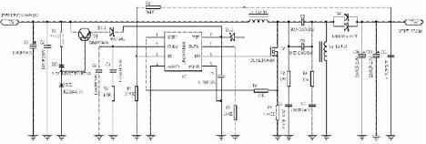
C1、C2为输入滤波,Q1、DZ1、DZ2、D1-1构成启动电源,L3、L4为储能电感,Q2为功率MOSFET,IC为PWM驱动芯片,R5为频率调整电阻,C3、C4、R2为反馈补偿,R3、R4为反馈分压电阻,R7为过电流取样电阻,C8、C9为SEPIC电容,R8、R9、C6、C7为吸收网络,D2为输出整流二极管,C10、C11、C12为输出滤波电容。当然要想符合EMC要求,输入端还应该有共模电感,差模电感,及X、Y等安规电容。
L=Vdt/di;
其中dt=1/FsD=1/(250103)0.167≈0.668,V为Vin在MOSFET开通时的值。因此,有如下计算:
L4=60(0.66810-6/0.4)=100.2μH。取100μH的标称值。由该SEPIC原理及设计经验可知,作为俩个分离的储能电感,L3的取值也为:100μH。
由于该电感为储能电感,因此,对磁性材料的选取要特别注意。此处选择的材料为:Magnetic公司的Kool Mu,相同性能的材料,其他公司又称铁硅铝。参数如下:
料号:77381-A7,黑色
尺寸:17.279.656.35(mm),为环型磁芯
电感因数AL:43(nH/N2),N为圈数
由公式:L=ALN2,可以计算出电感圈数为:
48圈,且用AWG18号线绕制。L3、L4相同参数。
Magnetic公司的Kool Mu材料,损耗少,相对成本低,也可以选同规格其他厂商铁硅铝材料。如果想进一步降低成本也可以选用国产的铁硅铝材料。
上述L3、L4为两个分离电感设计,也可以共用一个储能磁环,只是此时由于耦合电感的存在,计算的电感值为上述值的一半,为50μH。但成本低些。
PCB注意事项
由于为高频DC-DC变换,因此,PCB布线很重要。区分功率地与信号地的汇流点,驱动IC与MOSFET的关系,输入滤波与输出滤波的位置等。同时注意分离元件及贴片元件的位置关系。还要考虑散热器的形状及散热面积。
关键元器件的选择及说明
功率MOSFET的选择:N-FET,极低导通电阻,低门极驱动电压:5V—7V,符合PWM-IC要求,TO-220AB封装,100V/85A,结温175℃。型号为VISHAY:SUP85N10-10。
肖特基整流二极管的选择:型号为MBR20100CT,封装为TO-220AB,100V/20A,正向压降低。
输入、输出滤波电解电容可由计算公式或经验选取。C8、C9可由计算公式或实验选择。取样电阻的参数可由计算及实验来确定。
样机调试中发现的问题及解决方法
按照上述原理及计算参数进行PCB的焊接及调试。发现问题如下:
由LM3478芯片的特点及典型的EPIC应用来看,比较适合功率等级20W以下的DC-DC变换器。而此处设计成50WDC-DC变换器,发现PWM驱动MOSFET有些困难,波形畸变及MOSFET功耗大,解决的方法为:在IC的6脚与MOSFET的栅极之间加入一级驱动放大,即由NPN和PNP对管组成的放大级。
L3、L4均取100μH的电感量在工作时发现:在输出轻载或空载时,输出纹波过大。经试验发现由电感L3引起的,根据经验及分析将L3的电感量降为50mH即可解决问题。
IC的2引脚COMP对地的补偿参数C3、C4、R2:若按典型参数试验,发现样机有噪声且不稳定,经试验将C2去掉,结果没有噪声且工作稳定。
取样电阻R7:由于IC的特点使取样电阻的阀值很低,而且该DC-DC的功率相对较大,致使取样电阻R7的选取比较困难,为了降低成本选用微阻抗电阻。
结语
通过对该DC-DC变换器的拓扑结构及驱动IC的选择,设计出了满足技术要求的50W适配器,虽然调试过程中遇到了一些问题,经过试验分析得到了解决。从实际应用来看,用此原理设计出50W的电源已经很有优势了。下一步还要考虑EMC及安规问题来满足国际市场的要求。实验表明,该适配器可用于宽输入电压范围的DC-DC变换器及对蓄电池充电的场合。
射频工程师养成培训教程套装,助您快速成为一名优秀射频工程师...

