- 易迪拓培训,专注于微波、射频、天线设计工程师的培养
一种电除尘器用智能高压逆变直流电源的研制
0 引言
随着工业粉尘及废气排放量的日益增加,其对环境的污染也越来越严重,特别是在冶金、矿山、建材、化工等行业中。众所周知,应用静电除尘器能够有效地收集起这些粉尘,但是,常规的高压静电除尘装置体积庞大、笨重,使用不便,因此,减小高压静电除尘装置的体积与重量就显得尤为重要。
近年来,伴随着电力电子技术的飞速发展,特别是新一代功率电子器件如IGBT,MOSFET等的应用,高频逆变技术越来越成熟,各种不同类型和特点的电路广泛地被应用于DC/DC与DC/AC等场合。在这一前提下,设计一种高压逆变电源代替常规高压电源,达到减小高压电源装置的体积与重量的目的已成为可能。同时其使用效果、输出特性和成本等也都比常规高压电源装置具有明显的优势,系统效率也得到了一定程度的提高。
1 系统硬件设计
1.1 电源主体结构
图1所示为高压逆变电源的电路组成框图,它主要包括主电路及控制电路两部分。主电路主要包括配电开关、工频整流器、斩波器、滤波器、IGBT桥式逆变器、保护电路、高频高压变压器、高频高压硅堆(高频整流器)等部分。控制电路主要包括电流、电压、火花率采样及其处理单元,PWM信号产生和驱动电路,单片机控制器,参数输入键盘及液晶显示,通信接口等部分。

图1 电源结构图
1.2 主电路的工作机理
主电路的工作原理如图2所示,高频逆变器中的功率开关管采用IGBT(绝缘栅双极晶体管)。它是将MOSFET和GTR的优点集于一体的新型复合器件,具有MOSFET的高输入阻抗、可用电压驱动,GTR的通态功耗低等优点。

图2 主电路原理图
图2中交流电压经整流—斩波器调压—滤波后得到直流电压U1,将U1加到全桥式高频逆变器上。D1~D4与功率开关管S1~S4反向并联,承受负载产生的反向电流以保护开关管。C1~C4及R3~R6以及D5~D8的引入是为了避免4个开关管在关断时过高的电压上升率和减少管子的关断损耗。当栅极脉冲信号轮流驱动S1、S4或S2、S3时,逆变主电路把直流电压U1转换为20kHz的高频矩形波交流电压送到高频高压变压器,经升压整流滤波后给负载(电除尘器)供电。控制S1、S4和S2、S3两组IGBT的占空比,就可得到脉宽可调的矩形波交流电压。
1.3 控制电路的工作机理
1.3.1 单片机控制器
为了使整个电源系统具有自诊断和人机交换式的控制功能,该电源选用PHILIPS系列单片机80C552,主要负责实时监控和与上位机进行数据通信的任务。当除尘器处在工作状态时,单片机一方面定时采集其反馈的电流电压值,通过A/D转换通道将其读入,并通过一定算法得出控制量Uk,通过单片机输出控制量给脉宽调制控制器,进而改变调制脉冲宽度;另一方面可以实现根据用户的需求改变电源的外特性,如恒流,恒压,缓降等。另外,单片机还定期地将本电源的输出电流、输出电压、火花率等信息传递给上位机,将故障信息由串口发向上位机,以示警告,同时接收来自上位机的控制命令,使自身投入或退出工作或改变工作参数。
1.3.2 脉宽调制控制器
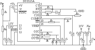
脉宽调制控制器电路如图3所示,它的作用主要是为驱动电路提供控制脉冲以实现PWM控制。其核心是产生PWM信号的专用集成芯片SG3525A。SG3525A是电压型PWM集成控制器,外接元器件少,性能好,具有外同步、软启动、死区调节、欠压锁定、误差放大以及关闭输出驱动信号等功能。其内部结构主要包括基准电压源、欠压锁定电路、锯齿波振荡器、误差放大器和脉宽调制比较器5部分。

图3 脉宽调制控制电路
2 系统软件设计
各电源模块的单片机都有独立的主程序以及与上位机的通信程序,数据采集子程序等。限于篇幅,本文只讨论电源模块的主程序及通信子程序的软件结构。主程序流程图如图4所示,数据通信子程序流程图如图5所示。

图4 主程序流程图

图5 数据通信子程序流程图
电源模块的软件主要完成以下功能:接收上位机发送的数据和指令;向上位机传递数据;完成对电源输出的实时监控;根据用户需求进行各种外特性的控制。
[p]3 实验及分析
3.1 主逆变桥PWM调节对效率影响研究及规范调节方式的确定
如图6所示,该电源在输入电压相同的情况下,占空比<50%时,随着占空比的增大,效率也增大;在占空比>50%时,随着占空比的增大,效率降低。由此可见,如果大范围地进行占空比调节,将会使电源进入效率很低的区域,而占空比在40%~70%时,效率较高。为此通过调节斩波电路占空比的方式控制直流母线电压,可以达到高效率的目的。

图6 不同占空比时的效率曲线
3.2 现场实验测试
实验条件:电除尘器极板面积250m2,极间距150mm,占空比60%,频率18.6kHz。
实验结果:图7为输出电压与输入电压的对应关系,图8为输出电流与输入电压的对应关系。当输出电压达到58kV(此时电流82mA)时除尘器开始发生闪络现象,达到了设计要求。

图7 输出电压与输入电压关系

图8 输出电流与输入电压关系
4 结语
1)通过主逆变桥PWM调节对效率影响研究所确定的,由斩波电路对直流母线电压进行调节的方式是可行的;
2)该电源在大大减小体积的同时重量也大为减少,较传统的电源而言其对电能的利用率也有所提高,对除尘器的控制也比传统的电源方便,同时还可和工控机进行数据通信,实现了对除尘器的远程控制。
射频工程师养成培训教程套装,助您快速成为一名优秀射频工程师...
天线设计工程师培训课程套装,资深专家授课,让天线设计不再难...
上一篇:如何利用一个光电双向晶闸管实现ACS交流开关触发电路
下一篇:电源设计小贴士28:估算热插拔MOSFET的瞬态温升——第1部分

