- 易迪拓培训,专注于微波、射频、天线设计工程师的培养
基于ADS的功率放大器设计实例与仿真分析
为了使射频功率放大器输出一定的功率给负载,采用一种负载牵引和源牵引相结合的方法进行功率放大器的设计。通过ADS软件对其稳定性、输入/输出匹配、输出功率进行仿真,并给出清晰的设计步骤。最后结合设计方法给出一个中心频率为2.6GHz、输出功率为6.5W 的功率放大器的设计及优化实例和仿真结果。仿真结果表明,这种方法是可行的,满足设计的要求,并且对功放的设计有着重要的参考价值。
0 引 言
随着无线通信技术的发展,无线通信设备的设计要求也越来越高,功率放大器作为发射机最重要的部分之一,它的性能好坏直接影响着整个通信系统的性能优劣,因此,无线系统需要设计性能良好的放大器。通过采用EDA工具软件进行电路设计可以掌握设计电路的性能,进一步优化设计参数,以达到加速产品开发进程的目的。本文仿真设计采用恩智浦半导体的LDMOS晶体管BLF6G27-10G,该晶体管工作频段在2 500~2 700MHz之间,直流28V供电。具有很好的线性度,它采用特殊工艺,具有良好的热稳定度。同时使用EDA软件,利用负载牵引和源牵引相结合的方法进行设计,使其输出功率在频率为2.6 GHz时达到6.5W.
1 功率放大器的相关设计理论
对于任何功率放大器,它必须在工作频段内是稳定的,同时它应该具有最大的输出功率和最佳的输出效率,因为输出功率决定了通信距离的长短,其效率决定了电池的消耗程度及使用时间。在功放的匹配网络设计中,需要选择合适的源阻抗和负载阻抗,而他们的选择和功率放大器的稳定性、输出功率、效率以及增益息息相关。
1.1 稳定准则
稳定性是指放大器抑制环境的变化(如信号频率、稳定、源和负载等变化时),维持正常工作特性的能力,一个微波管的绝对稳定条件是:

式中:D =S11S22-S12S21.
在选定的晶体管的工作条件下若满足K》1,则此时放大器处在绝对稳定状态,若不满足此条件,则需进行稳定性匹配电路的设计。
1.2 功率增益
放大器的功率增益(Power Gain)有几种不同的定义方式,在这里只介绍工作功率增益,这是设计时较为关心的量,它定义为负载吸收的功率与放大器的输入功率之比。

1.3 功率附加效率(PAE)
功率附加效率是指射频输出功率和输入功率的差值与供给放大器的直流功率的比值,它既反映了直流功率转化为射频功率的能力,又反映了放大射频功率的能力。

1.4 1dB功率压缩点(P1dB)
当晶体管的输入功率达到饱和状态时,其增益开始下降,或者称为压缩。1dB压缩点为放大器线性增益和实际的非线性增益之差为1dB的点,换句话说,它是放大器增益有1dB压缩的输出功率点。
2 设计步骤
2.1 静态工作点的确定
在晶体管的Datasheet中,给出了漏极(D)的工作电压和电流,因此,需要通过仿真和测试得到栅极(G)电压。在ADS中导入BLF6G27-10G 的模型库,建立直流仿真电路,图1就是通过对晶体管BLF6G27-10G进行直流仿真所获得的伏安特性曲线。

图1 直流特性曲线
与BLF6G27-10G的Datasheet给出数据相比,本例所仿真出来的静态工作点和Datasheet给出数据较接近,并且得到了栅极电压(VGS=1.8V),因此这样晶体管的静态工作点就确定了。
2.2 稳定性分析和偏置电路
要使晶体管可靠的工作,必须使晶体管在工作的频段内稳定。这一点对于射频功放是非常重要的,因为它可能在某些工作频率和终端条件下有产生振荡的倾向。
因此要对功率管BLF6G27-10G在ADS的环境中进行稳定性分析,在ADS 元件面板中调出扼流电感DC_Feed和隔直电容DC_Block,其中DC_Feed阻止高频信号通过,而DC_Block则是阻止直流信号通过。建立稳定性分析的原理图如图2所示,仿真结果如图3所示。

图2 稳定性扫描原理图

图3 稳定性仿真结果
[p]由仿真结果图可得在低频段功率管处于不稳定状态,即满足K《1,因此必须添加稳定性措施,稳定措施有很多种,在本设计中,选用并联的电阻和电容串接在输入端口,此方法容易实现,而且稳定效果很好。同时参考BLF6G27-10G 的Datasheet,进行偏置电路设计,最后所得电路图如图4所示,仿真结果如图5所示。

图4 加入偏置与稳定措施后的电路图

图5 加入偏置后的稳定性仿真结果图
由图5可得,在加入稳定措施和偏置电路后。功率管在很大的频率范围内都处于绝对稳定(K》1),这样就可以进行下一步设计了。
2.3 输入/输出匹配设计
确定静态工作点和稳定电路后,需要对晶体管的输入和输出进行匹配设计,在本例功率放大器的设计中,出发点是输出大功率,一般是让晶体管工作在其额定输出状态,为了使器件工作在最佳状态,采用负载牵引和源牵引相结合的方法来设计输入/输出匹配网络。
通过在ADS中进行负载牵引和源牵引仿真找出在输出最大功率时的最佳阻抗。
首先,进行负载牵引仿真找出最佳负载阻抗来设计输出匹配电路,负载牵引仿真原理图如图6所示,仿真结果如图7所示。

图6 负载牵引仿真原理图

图7 负载牵引仿真结果
由图7可以得到在输出功率最大时,负载的最佳阻抗为3.004-j1.849,根据该阻抗值,采用分布参数与集总参数混合匹配的方法来设计输出匹配电路。
然后,将设计完成的输出匹配网络加入到功率放大电路中进行源牵引仿真,源牵引仿真的原理图与负载牵引图相似,源牵引仿真结果如图8所示。

图8 源牵引仿真结果
[p]从源牵引仿真结果得到,在最大功率输出时源阻抗为11.503-j13.802;根据该阻抗值,采用与输出匹配网络相同的方法,利用Smith圆图进行源端的匹配设计,最后根据要求指标进行优化,使得放大器的增益和输出功率更加符合设计要求,经过优化后的功率放大电路如图9所示,仿真结果如图10所示。

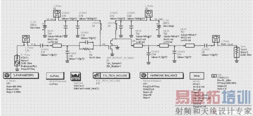
图9 优化后的功率放大电路图

图10 功率放大器仿真结果图
通过最后仿真图可以得到在2.6GHz时,输入功率为19dBm 时,输出功率为38.318dBm,即能够达到6.5W的输出功率。小于功放的1dB压缩点,功率增益为19dB左右,效率达到45%左右,满足设计指标的要求。
3 结 论
本文提出了利用负载牵引和源牵引相结合的方法设计功率放大器,可以快速设计既满足输出功率又满足附加效率要求的方法,因此可以简化设计流程,极大地方便和加快产品的开发,而且对于射频工程师来讲,利用EDA软件辅助设计是极为重要的,可以大大减少工程师的工作量,并能提高工作效率,降低成本。
射频工程师养成培训教程套装,助您快速成为一名优秀射频工程师...

