- 易迪拓培训,专注于微波、射频、天线设计工程师的培养
三相电供电常见故障解析及改善方案
在电力系统中由于电源设计不合理导致的设备故障时有发生,所以对供电电路的可靠性、稳定性提出了更高的要求。传统的供电电路多采用工频变压器加后级降压电路来实现。由于近年来三相电供电故障频发,为了很好的解决三相电供电出现故障后,供电系统仍能稳定可靠的为电力检测设备供电。许多电源厂家推出电力专用的的高频开关电源,这种电源具有许多优点:安全、可靠、体积小、重量轻、综合效率高以及噪音低等优点,非常适应电网设备的应用,目前很多大型设备厂家已开始批量使用。

一、三相电供电常见故障分析
我国供电大多都采用三相四线供电方式。下图为三相四线制示意图,从图中可以看出此种供电方式可以提供两种不同的电压——线电压(380V)和相电压(220V),可以适应用户不同的需要。三相四线制供电较为理想的状态是三相负载平衡,此时中线电流为零,从理论分析此时中线可有可无,不影响设备的正常运行。但现实情况三相平衡只是相对的,不平衡则是绝对的,所以现实应用中的中线是必须有的,这样才能保证各相电压的稳定输出。随着经济的发展,用电器大幅度增加,单相短路几率必然升高,单相短路和瞬间短路引起零飘过电压问题及为普遍。下面我们针对此一些常见故障问题进行分析,为我们设计电力设备供电系统时提供方向,从而使供电系统稳定可靠的运行。

图1 三相电压示意图
1、单相短路故障
现在很多场合为了取电方便,直接采用三相电的相电压供电。包括目前很多农村电网设计都是将三相电中的三相平均分给三组用户使用,从而省掉了三相变压器。这种供电方式虽然节省了一些设备的投入,但是对用户的用电设备带来很大隐患。在实际应用中,单相短路接地故障发生的概率最高可达65%,两相短路约占10%,两相短路接地约占20%,三相短路约占5%。下面简单分析一下单相短路的威胁。

图2 三相电单相短路示意图
如上图所示,一旦出现单相短路现象,会抬高中线电位,对用电人员的安全有较大威胁(有零线接外壳保护的设备)。同时在短路瞬间,负载2与负载3需要承受瞬间大电压冲击,严重时电压值直接上升到线电压(380VAC)。致使用电设备出现过电压损坏现象。
2、输电线中线开路
在实际用电环境环境中,往往会由于线路安装不当,或熔断器及开关安装位置不当,导致中线断开。如果中线断了,三相负荷中性点电位就要发生位移。中性点电位位移直接导致各相的输出电压不平衡,而相电压太高会使设备过电压而直接烧毁,而相电压偏低的相,可能会由于电压降低,电流增大而损坏设备。由于三相电电压计算非常复杂,由于负载矢量的引入,最终详细计算公式也异常难懂。下面以一种简单的方式解释一下中线短路对线电压的影响。

图3 三相电中线开路示意图
如上图,假设负载3开路,同时中线出现中断。此时负载1与负载2串联后接在线电压UUV(380VAC)上,两个负载上的电压主要取决于Z1与Z2的大小。若Z1远远大于Z2时,则负载1的的电压会接近与380VAC的线电压,此时负载1就很可能由于过电压而损坏,而负载2可能会由于电压过低而停止工作。在正常情况下,相电压之间影响较小,可正常使用。
3、设备供电中线开路
电力设备除了输电线容易出现故障外,设备电源输入及插座等出现故障也有可能使设备出现损毁。由于大多数场合均采用三相四线制电源,同时三相四线制电源还有一个比较特殊的应用,及采用三相四线制全波整流时,只要任何一相有电设备均能正常运转。

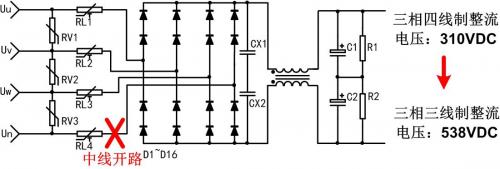
图4 供电设备中线开路示意图
如上图所示,三相四线制全波整流,此电路好处在在三相电任意两相出现问题时,此供电电路任然可以继续工作。但是一旦整流电路中的中线中断或则未连接,此电路就变为三相三线制整流电路,此时电压有原来310VDC升高到538VDC,若后级设备无法承受538VDC高压,将后损坏后级设备。
[p]二、三相电供电改善措施
由于在实际应用中有较多限制,不可能避免很多电力故障的发生,但我们能可以通过一些手段减少设备损坏概率,从而提升产品的可靠性。具体改善措施如下:
1、单相短路故障改善措施
此故障可适当提高电源输入端的抗冲击能力,一般需要抗335VAC冲击。这样可以在瞬时短路时,保护到后级电路不会因过电压而损坏。为了减小因零飘而照成的电压升高,可适当加大零线截面积,降低零点飘移,来缩小另外两相电压抬高幅度。
2、输电线中线开路改善措施
从故障分析我们可以看出,中线开路主要是影响到相电压的电流回路,使电流未能回到中性点。只能通过两根相线形成回路,从而增加了设备过电压的风险。为了给相电压提供可靠的电流回路,在布线中可采取三相三零六线供电方式,三相三零独立工作。此布线缺点是增加零线投资和线损,但这样能有效抑制零飘,减小了每相电压的相互影响。
3、设备供电中线开路改善措施
一般设备采取三相四线全波整流电路,主要是考虑其供电的冗余设计,只要三相电任意一相电设备就能正常工作。但是一旦在中线未连接上设备,整流电路电压就会急剧升高。解决此问题,需要在电压升高时切断后级电路,从而保护后级电路不受损坏。但在设计时需保证检测控制电路稳定供电。
三、从根源解决电力系统供电故障
随着社会的发展,用电设备的功率逐渐增加,同时各种设备质量也参差不齐。这些设备不但对电网形成了较大干扰,而且还存在较大的短路风险。电力故障诱因很多,不可能做到完全避免其发生。但是一旦故障发生后,我们需要及时反馈并处理。此时就需要有电力检测设备对电网实时检测,并在故障发生时采取必要措施,避免造成更大损失。

图5 电力检测设备示意图
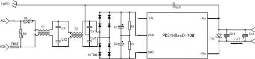
在电网在出现异常时,电力检测设备仍需要保证正常工作。此时电力系统的供电设计就显得尤为重要。供电系统需要保证在大多数电力故障发生时,其仍能为电力检测设备提供稳定的电能。电力故障一般表现为:缺项运行、单相电压飘高、电路过负载电压拉低、中线开路、雷击事故等。故此供电电源需要较宽的电压输入范围及较强的抗扰度。我司立足于解决此类供电问题,特推出PD2IHBxxD-10W系列电源,共有4种电压输出可供选择。为客户快速解决供电问题提供了一种选择机会。下面是此系列电源的简单介绍。
PD2IHBxxD-10W产品特点:
转换效率高达83%; 输入电压:56~700VDC; 输出电压:5V,12V,15V,24V; 工作温度:-40℃~+85℃; Enable(EN)控制功能 ; 隔离电压:4000VAC; 可持续短路并自恢复,具有过温保护功能;
单相电路应用特点:单相电路简单,可适应市电大幅的电压波动。

三相三线应用特点:适合没有中线的场合,任意一根相线开路,电源仍可继续工作。

三相四线应用特点:此电路最大优点是,三相冗余供电,电路再缺相时仍可稳定工作。

射频工程师养成培训教程套装,助您快速成为一名优秀射频工程师...
天线设计工程师培训课程套装,资深专家授课,让天线设计不再难...
上一篇:详解JESD204B串行接口时钟需求及其实现方法
下一篇:哪一个更简单,选择热插拔控制器,还是功率MOSFET?

