- 易迪拓培训,专注于微波、射频、天线设计工程师的培养
TPS92560高变压器兼容性的MR16/AR111 LED射灯驱动电源专用方案
摘要
LED 的M16/AR111 射灯作为替换型灯具,其驱动电源设计除了要满足高效、可靠、经济的要求外,还要兼容原有MR16/AR111 卤素灯供电架构中的电子变压器。本文首先从电子变压器的工作机理出发,阐述了电子变压器兼容性问题的由来,并结合TI 公司的新一代MR16/AR111 LED 射灯专用驱动芯片TPS92560,给出了驱动电源的设计注意事项,最后给出样机的实验数据。
1. 引言
MR16/AR111 射灯由于可自由变换照射角度且体积小巧,既可作为整体照明起主导作用,又可作为局部照明用来制造效果和点缀气氛。故在商业照明和家居照明中得到了广泛的使用。LED 的MR16/AR111 射灯与原先的卤素灯相比,具有节能、寿命长、颜色丰富、发热量低等优点,近年来成为LED 灯泡替换工程的热点。作为一种替换性灯泡,必须要兼容原有卤素灯供电架构中的电子变压器。而市面上的电子变压器品牌型号又极其繁多,这就要求一个出色的MR16/AR11 LED 射灯驱动电源方案必须能够完美兼容足够多品牌型号的电子变压器。
2. 电子变压器原理与LED 驱动电源拓扑架构分析
电子变压器是一种小型的变频器,可以把市电的110V 或220V 交流电压变换成12V 交流电压。具有体积小、重量轻、价格低等优点。图1 是某型电子变压器的电路图。二极管D1~D4 构成了整流桥,把市电变成直流电,三极管Q1、Q2 与电容C2、C3 组成了半桥式变换器,耦合绕组T1、T2、T3 为自激驱动变压器。电阻R1、电容C1 和双向触发二极管DIAC 构成了启动触发电路。AC 正半波时,经过R1、C1 的延时,Q2 导通。电流由C2、C3 的中点经过绕组T4、T3、Q2 形成回路。此时T3 绕组上感应左负右正电压,T1 绕组感应上正下负电压,T2 绕组感应上负下正电压。这给Q1 的开通与Q2 的关断创造条件。当Q1 开通后,电流由Q1 经过T3、T4 流到C2 与C3 的中点。Q1、Q2 的开关频率即为电子变压器的工作频率。AC 负半波期间线路的工作原理类似。当电子变压器负载是卤素灯时,卤素灯是一种纯阻性负载,自激驱动变压器绕组有足够的励磁电流流过,可以保证Q1、Q2 能够正常地开关动作。

目前市面上常见MR16/AR111 LED 驱动电源是降压Buck 架构的(图2)。由于电子变压器的输出是一个工频交流脉络电压,为了保证输出端LED 电流连续,Buck 驱动电路的整流桥后通常会放一颗大容量的储能电解电容。这就使得作为负载的LED 灯泡只在工频周期内极短的时间内从变压器取电流,而大部分时间是不从电子变压器取电流的。这样对前级的电子变压器而言,保证其内部自激振荡线路正常工作所需的最小电流在变压器工频周期的大部分时间是不能满足的。我们称电子变压器的这种工作状态为不稳定状态,输出LED 灯的闪烁现象与变压器此工作模态有很大关系。
既然降压拓扑架构的电容性输入特性会引起电子变压器的不稳定工作,我们希望一个好的MR16 LED 灯泡应该像卤素灯一样,表现出一个纯阻性的负载特性,让电子变压器可以稳定连续工作。图3 分别是Buck、Boost、Buck-Boost 的输入电流波形。不难发现,只有Boost 的输入电流为连续的,容易实现接近纯阻性的高PF 值。而Buck 与Buck-Boost 的输入电流在开关管TOFF 期间都会断续,前面分析我们知道,这段时间内电子变压器是停止工作的。

3. TPS92560 方案特点及驱动电路设计注意事项
TPS92560 芯片内部集成了两颗整流用的MOSFET,这样外部的整流桥仅需要两颗肖特基二极管,进一步缩小PCB板的空间,且提高了电源的变换效率。同时这两颗集成的MOSFET 还有助于优化LED 灯的电子变压器兼容性。因为这两颗集成的MOSFET 初始状态被设置成导通ON,当MR16 灯接上变压器瞬间,这两颗MOSFET 好比给电子变压器接上了负载,在MR16 灯没有被点亮之前,让电子变压器更好地起振,于是优化了系统的启动过程,提高变压器的兼容性。图4 为TPS92560 Boost 架构典型应用线路。
TPS92560 通过调制流过Boost 主MOSFET 上的电流来实现对输入电流的控制。这样带来了两个好处。
第一,输入inrush 电流被限制的很低,优化了电子变压器的工作指标,提高了系统的可靠性;
第二,通过对输入电流的限制,使得系统可以持续从电子变压器端取电流,更好地满足电子变压器自激振荡的振荡电流需求,保证在大部分时间内,电子变压器都在正常稳定工作。图5 为TPS92560 Boost 线路与传统Buck 降压线路输入电流的对比波形。

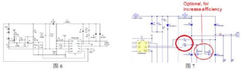
如果用户对流过LED 电流的输入调整率及精度有更高的需求,TPS92560 只需要增加两颗TL431 便实现了对LED流过电流的精确调节,见图6。电阻R7 作为流过LED 电流的采样电阻,采样的电压叠加U2、R3、R4 产生的直流分量后,跟踪U3 的基准2.5V。这里的U3 功能类似于常见的控制环积分调节器。当LED 灯流过的电流变化时,会引起U3 阴极电流的变化,进而调节TPS92560 的ADJ 脚电压。实现真正意义上的对LED 电流的闭环调节。
对于功率较大的AR111 灯具,为了优化热设计需要提高电源的效率,可以旁路内部集成的整流MOSFET, 通过外接肖特基二极管或者MOSFET 来对电子变压器输出的交流电压进行整流。需要注意的是,当选用的拓扑主电路是SEPIC 时,TPS92560 两只AC 脚不能被悬空。因为这样芯片内部Vcc电压将无法建立,导致系统无法启动。
TPS92560 的AC 脚还可以串联一颗100~1K 欧姆的电阻连接到电子变压器的输出端(图7 所示),使得电流的大部分流过外接整流桥。
需要注意的是,考虑MR16 应用苛刻的PCB 尺寸要求,TPS92560 的开关频率建议设置在1M~1.5MHz 之间。这样MOSFET 的驱动损耗会成为影响变换器效率的重要分量。对于输出电压较高的应用架构,假如芯片的VP 按照典型应用线路连接到输出LED 灯的正端,那么芯片内部产生Vcc的LDO 损耗(Vcc由VP 通过LDO 降压得到)会较大,芯片本体会变烫,线路变换效率降低。改善效率的方法有:选取较小输入等效电容的MOSFET,降低开关频率,或从低电压处取电供给VP 脚等。

4. 样机实验数据
用图6 线路图制作了一台7W 的基于TPS92560 控制芯片的MR16 LED 驱动电源。电气规格见(表1)。图8 是AC输入的电源效率曲线,12V 交流输入下,变换效率为81%。图9 分别为输出LED 灯电流、电子变压器输出电流、电子变压器输出电压波形,可以看到在工频周期的大部分时间内,电子变压器都在稳定持续工作。表2 是样机所做的电子变压器兼容性测试报告,可以完全兼容所列的50 余款各种型号的电子变压器。且输出的LED 灯电流精度控制在±3%以内。


射频工程师养成培训教程套装,助您快速成为一名优秀射频工程师...

